Galvanické oddělovače analogových signálů na lištu DIN TS-35 (IP 20)
- 222-251 GALVI B
Galvanický oddělovač proudového signálu 4 až 20 mA, zapojení vstupu i výstupu dvouvodičově (proudová smyčka).
Více informací o produktu:
- Popis produktu
- Použití
- Pracovní podmínky
- Návod k instalaci
- Technická data
- Provozní podmínky zařízení
- Způsob objednávání
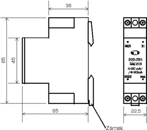
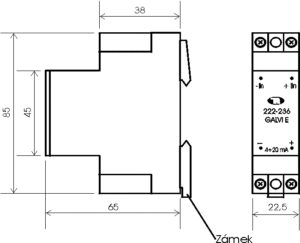
- Obr.1: Zástavbové rozměry
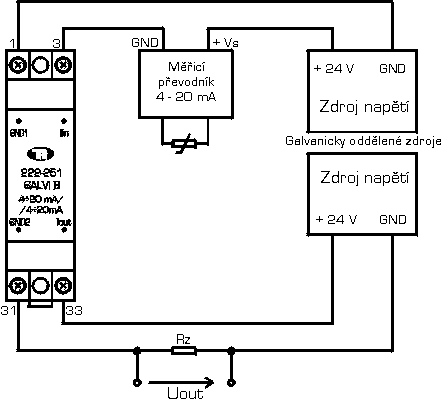
- Obr. 2: Zapojení oddělovače do obvodu
- Obr. 3: Nastavovací trimry oddělovače
Galvanický oddělovač 4 – 20 mA /4 – 20 mA na lištu DIN TS35
Signál je přiveden na vstup oddělovače a zde je upraven na signál pro optočlen, který zajišťuje vlastní galvanické oddělení. Signál z optočlenu je vhodně zesílen a upraven pro výstup 4 až 20 mA. Obvod pracuje jako pasivní vysílač v proudové smyčce. Výstup oddělovače slouží zároveň k napájení jeho výstupní části. Vstupní část oddělovače je napájena proudovou smyčkou vstupního obvodu.
Oddělovač je určen pro galvanické oddělení proudových signálů 4 až 20 mA.Převodník je určen pro umístění na lištu DIN TS35.
Teplota v okolí krabičky s převodníkem smí dosáhnout za provozu maximálně +70°C.Převodník je možno umístitv libovolné poloze.
Upozornění:
Pro správnou funkci tohoto převodníku je nutné, aby vstupní signál byl galvanicky oddělen od požadovaného výstupního signálu (nelze spojit vstupní svorku “ -IN “ se svorkou “ — “ výstupu!), jinak je nutno použít modul 222-236 GALVI D.
| Technická data: | ||
| – vstupní signál (napájecí proud) | 4 až 20 mA (vstupní část je napájena vstupním měřicím proudem) | |
| – úbytek napětí na vstupní straně | < 9 V | |
| – maximální přípustný vstupní proud | 93 mA | |
| – výstupní signál | 4 až 20 mA | |
| – maximální výstupní proud při přerušení vstupu | 28 mA | |
| – max. hodnota zatěžovacího odporu ve výstupní proudové | ||
| smyčce při Vs = 24 V DC | 500 Ω | |
| – zapojení vstupu | dvouvodičově (proudová smyčka) | |
| – zapojení výstupu | dvouvodičově (proudová smyčka) | |
| – napájecí napětí výstupní části | 11 až 30 VDC (ochrana proti přepólování) | |
| – chyby | základní | 0,2% |
| (ČSN IEC 770) | hystereze | 0,05% |
| opakovatelnost | 0,07% | |
| linearita | 0,15% | |
| – teplotní závislosti | chyba nuly | 0,1% / 10K |
| (ČSN IEC 770) | chyba rozpětí | 0,2% / 10K |
| max. chyba | 0,3% / 10K | |
| – napěťové závislosti (ČSN IEC 770) | < 0,008% / 1V | |
| – vliv zatěžovacího odporu | < 0,018% / 100 Ω | |
| – zkušební napětí | vstup – výstup | 3750 Vac/50Hz 1min. |
| – pracovní napětí | vstup – výstup | 1700 Vac |
| – dlouhodobá stabilita a drift oddělovače | 0,006% / 500 hodin | |
| Provozní podmínky zařízení: | ||
| – teplota okolního prostředí | 0 až +70°C | |
| – relativní vlhkost | 40 až 70% | |
| – atmosférický tlak | 84 až 107 kPa | |
| – krytí | IP 20 | |
| – přípustný průřez připojovacích vodičů | 0,35 až 4 mm⊃; | |
| – šířka modulu | 22,5 mm | |
| – materiál krabičky | NORYL | |
| – odolnost krabičky proti teplotě | rozměrová stálost do +120°C | |
| – odolnost krabičky proti ohni | samozhášivý plast | |
| – odolnost a stálost proti vibracím | 10 až 60 Hz | 0.14 mm (amplituda) |
| 60 až 500 Hz | 19.6 m/s⊃; (špičkové zrychlení) | |
| Způsob objednávání: | |
| V objednávce se uvádí: | – počet kusů |
| – název | |
| – objednací číslo dle tabulky | |
| Příklad objednávky: | 6 ks galvanický oddělovač MODEL 222 – 251 GALVI B |
| obj. č.: 222-251 GALVI B | |



- 222-251 GALVI C
Galvanický oddělovač, kde vstupní signál je proudový 4 až 20mA a výstupní signál je napěťový 0 až 5V nebo 0 až 10V. Zapojení vstupu dvouvodičově (proudová smyčka), zapojení výstupu třívodičově.
Více informací o produktu:
- Popis produktu
- Použití
- Pracovní podmínky
- Návod k instalaci
- Technická data
- Provozní podmínky zařízení
- Způsob objednávání
- Obr.1: Zástavbové rozměry
- Obr. 2: Zapojení oddělovače do obvodu
Galvanický oddělovač na lištu DIN TS35 4 – 20 mA /0 – 5 V (0 – 10 V)
Signál je přiveden na vstup oddělovače a zde je upraven na signál pro optočlen, který zajišťuje vlastní galvanické oddělení. Signál z optočlenu je vhodně zesílen a upraven pro výstup 4 až 20 mA. Tento signál je dalším obvodem převeden na napěťový výstup. Vstupní část oddělovače je napájena proudovou smyčkou, výstupní část se napájí po samostatném vodiči.
Oddělovač je určen pro galvanické oddělení proudového signálu 4 až 20 mA na napěťový signál 0 až 5 V nebo 0 až 10 V.Převodník je určen pro umístění na lištu DIN TS35.
Teplota v okolí krabičky s převodníkem smí dosáhnout za provozu maximálně +70°C. Převodník je možno umístit v libovolné poloze.
Činnost podle této statě smí vykonávat pracovníci alespoň znalí dle §5 vyhlášky 50/1978 Sb., resp. 51/1978 Sb.Oddělovač 222-251 GALVI C se upevňuje nasunutím na lištu DIN TS35. Nejprve nasadíme horní trn držáku krabičky na horní hranu lišty a pomocí šroubováku (max. 4x1mm) povysuneme jemným páčením zámek dolního aretačního trnu. Dotlačíme spodní část krabičky na lištu a poté zámek uvolníme. Tím se krabička přichytí na lištu. Obdobně lze krabičku z lišty sejmout. Připojovací kabely se zapojí dle obr.2.V případě nutnosti dostavení převodního rozsahu oddělovače je možno po sejmutí víčka krabičky nastavit rozpětí a nulu oddělovače pomocí hodinářského šroubováku. K napájení oddělovače se doporučuje stabilizovaný zdroj 222-UNAZ-GALVI 2x24V/1,5W (výrobce TRESTON spol. s r.o.).
| Technická data: | ||
| – vstupní signál (napájecí proud) | 4 až 20 mA (vstupní část je napájena vstupním měřicím proudem) | |
| – úbytek napětí na vstupní straně | < 9 V | |
| – maximální přípustný vstupní proud | 93 mA | |
| – výstupní signál | 0 až 5 V, nebo 0 až 10 V | |
| – maximální výstupní proud | 5 mA | |
| – zapojení vstupu | dvouvodičově (proudová smyčka) | |
| – zapojení výstupu | třívodičově | |
| – napájecí napětí výstupní části | 11 až 30 VDC (ochrana proti přepólování) | |
| – chyby | základní | 0,2% |
| (ČSN IEC 770) | hystereze | 0,05% |
| opakovatelnost | 0,07% | |
| linearita | 0,15% | |
| – teplotní závislosti | chyba nuly | 0,1% / 10K |
| (ČSN IEC 770) | chyba rozpětí | 0,2% / 10K |
| max. chyba | 0,3% / 10K | |
| – napěťové závislosti (ČSN IEC 770) | < 0,008% / 1V | |
| – vliv zatěžovacího odporu | < 0,018% / 100 Ω | |
| – zkušební napětí | vstup – výstup | 3750 Vac/50Hz 1min. |
| – pracovní napětí | vstup – výstup | 1700 Vac |
| – dlouhodobá stabilita a drift oddělovače | 0,006% / 500 hodin | |
| Provozní podmínky zařízení: | ||
| – teplota okolního prostředí | 0 až +70°C | |
| – relativní vlhkost | 40 až 70% | |
| – atmosférický tlak | 84 až 107 kPa | |
| – krytí | IP 20 | |
| – přípustný průřez připojovacích vodičů | 0,35 až 4 mm⊃; | |
| – šířka modulu | 22,5 mm | |
| – materiál krabičky | NORYL | |
| – odolnost krabičky proti teplotě | rozměrová stálost do +120°C | |
| – odolnost krabičky proti ohni | samozhášivý plast | |
| – odolnost a stálost proti vibracím | 10 až 60 Hz | 0.14 mm (amplituda) |
| 60 až 500 Hz | 19.6 m/s⊃; (špičkové zrychlení) | |
| Způsob objednávání: | |
| V objednávce se uvádí: | – počet kusů |
| – název | |
| – objednací číslo dle tabulky | |
| Příklad objednávky: | 6 ks galvanický oddělovač MODEL 222 – 251 GALVI C |
| obj. č.: 222-251 GALVI C 2 | |


- 222-236 GALVI D
Galvanický oddělovač pro atypické proudové a napěťové signály na vstupu s výstupem 4 až 20mA.
Více informací o produktu:
- Popis produktu
- Použití
- Pracovní podmínky
- Návod k instalaci
- Technická data
- Provozní podmínky zařízení
- Realizované vstupní signály
- Rozsahy vstupních signálů
- Provozní podmínky zařízení
- Způsob objednávání
- Obr.1: Zástavbové rozměry
- Obr. 2: Zapojení oddělovače do obvodu
Galvanický oddělovač pro atypické signály s proudovým výstupem 4 – 20 mA na lištu DIN TS35
Signál je přiveden na vstup převodníku a zde je upraven na normalizovaný signál. Tento signál je dále veden na obvod galvanického oddělení. Obvod pracuje jako pasivní vysílač v proudové smyčce. Výstup převodníku slouží zároveň k jeho napájení.
Oddělovač je určen pro galvanické oddělení atypických signálů na normalizovaný proudový výstup 4 až 20 mA. Převodník je určen pro umístění na lištu DIN TS35.
Teplota v okolí krabičky s převodníkem smí dosáhnout za provozu max. +70°C (na přání zákazníka za příplatek až +85°C). Převodník je možno umístit v libovolné poloze.
Upozornění:
Pro správnou funkci tohoto oddělovače nelze spojit vstupní svorku “ -IN “ se svorkou “ GND1 “. Pokud je požadováno společné propojení vstupů -IN u více modulů 222-236 GALVI-D, je nutno použít pro každý modul samostatný galvanicky oddělený napájecí zdroj (např. 222-UNAZ-GALVI – výrobce TRESTON spol. s r.o.).
Činnost podle této statě smí vykonávat pracovníci alespoň znalí dle §5 vyhlášky 50/1978 Sb., resp. 51/1978 Sb.Převodník 222-236 GALVI-D se upevňuje nasunutím na lištu DIN TS35. Nejprve nasadíme horní trn držáku krabičky na horní hranu lišty a pomocí šroubováku (max. 4x1mm) povysuneme jemným páčením zámek dolního aretačního trnu. Dotlačíme spodní část krabičky na lištu a poté zámek uvolníme. Tím se krabička přichytí na lištu. Obdobně lze krabičku z lišty sejmout. Připojovací kabely se zapojí dle obr.2.V případě nutnosti dostavení měřicího rozsahu převodníku je možno po sejmutí víčka krabičky nastavit rozpětí a nulu převodníku pomocí hodinářského šroubováku. K napájení převodníku se doporučuje stabilizovaný zdroj 222-UNAZ GALVI 2x24V/1,5W (výrobce TRESTON spol.s r.o.).
| Technická data: | ||
| – vstupní signál | viz tabulka vstupní signály | |
| – chyby | základní | 0,3% |
| (ČSN IEC 770) | hystereze | 0,05% |
| opakovatelnost | 0,07% | |
| linearita | 0,25% | |
| – teplotní závislosti | chyba nuly | 0,15% / 10K |
| (ČSN IEC 770) | chyba rozpětí | 0,35% / 10K |
| max. chyba | 0,25% / 10K | |
| – napěťové závislosti (ČSN IEC 770) | < 0,005% / 1V | |
| – vliv zatěžovacího odporu | < 0,018% / 100 Ω | |
| – napájecí napětí vstupní části | 20 až 30 VDC (ochrana proti přepólování) | |
| – napájecí napětí výstupní části | 11 až 30 VDC (ochrana proti přepólování) | |
| – max. hodnota zatěžovacího odporu v proudové | ||
| smyčce při Vs = 24 V DC | 500 Ω | |
| – výstupní signál | 4 až 20 mA | |
| – zkušební napětí | vstup – výstup | 3750 Vac/50Hz 1min. |
| – pracovní napětí | vstup – výstup | 1700 Vac |
| – dlouhodobá stabilita a drift převodníku | 0,006% / 500 hodin | |
| Provozní podmínky zařízení: | ||
| – teplota okolního prostředí | 0 až +70°C | |
| – relativní vlhkost | 40 až 70% | |
| – atmosférický tlak | 84 až 107 kPa | |
| – krytí | IP 20 | |
| – přípustný průřez připojovacích vodičů | 0,35 až 4 mm⊃; | |
| – šířka modulu | 22,5 mm | |
| – materiál krabičky | NORYL | |
| – odolnost krabičky proti teplotě | rozměrová stálost do +120°C | |
| – odolnost krabičky proti ohni | samozhášivý plast | |
| – odolnost a stálost proti vibracím | 10 až 60 Hz | 0.14 mm (amplituda) |
| 60 až 500 Hz | 19.6 m/s⊃; (špičkové zrychlení) | |
| Realizované vstupní signály: |
| 0 až +5 mV |
| -1 až -0,2 V |
| 0 až +1 V |
| 0 až +5 V |
| -5 až +5 V |
| 0 až +10 V |
| 0 až +20 V |
| 0 až +100 V |
| 0 až +5 mA |
| 0 až +10 mA |
| 0 až +20 mA |
| Rozsahy vstupních signálů: | ||
| napěťové: | – nesymetrické: | min. 0 až 5 mV |
| max. 0 až 300 V | ||
| – symetrické: | min. -0,2 až + 0,2 V | |
| max. -300 až +300 V | ||
| proudové: | – nesymetrické: | min. 0 až 0,1 mA |
| max. 0až 1 A | ||
| – symetrické: | min. -0,5 až +0,5 mA | |
| max. -1 až 1 A | ||
| Provozní podmínky zařízení: | ||
| – teplota okolního prostředí | 0 až +70°C | |
| – relativní vlhkost | 40 až 70% | |
| – atmosférický tlak | 84 až 107 kPa | |
| – krytí | IP 20 | |
| – přípustný průřez připojovacích vodičů | 0,35 až 4 mm⊃; | |
| – šířka modulu | 22,5 mm | |
| – materiál krabičky | NORYL | |
| – odolnost krabičky proti teplotě | rozměrová stálost do +120°C | |
| – odolnost krabičky proti ohni | samozhášivý plast | |
| – odolnost a stálost proti vibracím | 10 až 60 Hz | 0.14 mm (amplituda) |
| 60 až 500 Hz | 19.6 m/s⊃; (špičkové zrychlení) | |
| Způsob objednávání: | |
| V objednávce se uvádí: | – počet kusů |
| – název | |
| – objednací číslo dle tabulky | |
| Příklad objednávky: | 6 ks galvanický oddělovač MODEL 222 – 236 GALVI D |
| obj. č.: 222-236 GALVI D 4 | |


- 222-251 GALVI B-EX
Galvanický oddělovač proudového signálu 4 až 20mA, zapojení vstupu i výstupu dvouvodičově ( proudová smyčka ), určeno pro styk se zařízeními, které jsou v prostředí SNV ( kategorie jiskrové bezpečnosti II (2)G [ EEx ia ] IIC.
Více informací o produktu:
- Popis produktu
- Použití
- Pracovní podmínky
- Návod k instalaci
- Technická data
- Parametry související s jiskrovou bezpečností
- Provozní podmínky zařízení
- Způsob objednávání
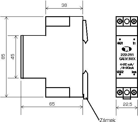
- Obr.1: Zástavbové rozměry
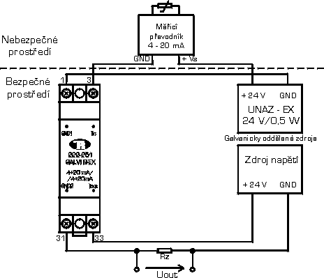
- Obr. 2: Zapojení oddělovače do obvodu
- Obr. 3: Nastavovací trimry oddělovače
Galvanický oddělovač 4 – 20 mA /4 – 20 mA pro zařízení SNV na lištu DIN TS35
Signál je přiveden na vstup převodníku realizovaného jako hybridní integrovaný obvod a zde je upraven na signál pro optočlen, který zajišťuje vlastní galvanické oddělení. Signál z optočlenu je vhodně zesílen a upraven pro výstup 4 až 20 mA. Obvod pracuje jako pasivní vysílač v proudové smyčce. Výstup oddělovače slouží zároveň k napájení jeho výstupní části. Vstupní část oddělovače je napájena proudovou smyčkou z měřeného obvodu.
Oddělovač je určen pro galvanické oddělení proudových signálů 4 až 20 mA.Převodník je určen pro umístění na lištu DIN TS35 v obvodech s jiskrově bezpečnými zařízeními.
Teplota v okolí krabičky s převodníkem smí dosáhnout za provozu maximálně +70°C. Převodník je možno umístit v libovolné poloze.
Činnost podle této statě smí vykonávat pracovníci alespoň znalí dle §5 vyhlášky 50/1978 Sb., resp. 51/1978 Sb.Oddělovač 222-251 GALVI B-EX se upevňuje nasunutím na lištu DIN TS35. Nejprve nasadíme horní trn držáku krabičky na horní hranu lišty a pomocí šroubováku (max. 4x1mm) povysuneme jemným páčením zámek dolního aretačního trnu. Dotlačíme spodní část krabičky na lištu a poté zámek uvolníme. Tím se krabička přichytí na lištu. Obdobně lze krabičku z lišty sejmout. Připojovací kabely se zapojí dle obr.2.V případě nutnosti dostavení převodního rozsahu oddělovače je možno po sejmutí víčka krabičky nastavit rozpětí a nulu oddělovače pomocí hodinářského šroubováku. Pozice nastavovacích trimrů je uvedena v obr. 3. K napájení vstupní části oddělovače se doporučuje stabilizovaný zdroj 222-UNAZ-EX 24V/0,5W (výrobce TRESTON spol.s r.o.)K napájení výstupní části oddělovače se doporučuje stabilizovaný zdroj 222-UNAZ-DC 24V/1,5W (výrobce TRESTON spol.s r.o.).
| Technická data: | ||
| – vstupní signál (napájecí proud) | 4 až 20 mA (vstupní část je napájena vstupním měřicím proudem) | |
| – úbytek napětí na vstupní straně | < 9 V | |
| – maximální přípustný vstupní proud | 93 mA | |
| – výstupní signál | 4 až 20 mA | |
| – maximální výstupní proud při přerušení vstupu | 28 mA | |
| – max. hodnota zatěžovacího odporu ve výstupní proudové smyčce při Vs = 24V DC | 500 Ω | |
| – zapojení vstupu | dvouvodičově (proudová smyčka) | |
| – zapojení výstupu | dvouvodičově (proudová smyčka) | |
| – napájecí napětí výstupní části | 11 až 30 VDC (ochrana proti přepólování) | |
| – chyby | základní | 0,2% |
| (ČSN IEC 770) | hystereze | 0,05% |
| opakovatelnost | 0,07% | |
| linearita | 0,15% | |
| – teplotní závislosti | chyba nuly | 0,1% / 10K |
| (ČSN IEC 770) | chyba rozpětí | 0,2% / 10K |
| max. chyba | 0,3% / 10K | |
| – napěťové závislosti (ČSN IEC 770) | < 0,008% / 1V | |
| – vliv zatěžovacího odporu | < 0,018% / 100 Ω | |
| – zkušební napětí | vstup – výstup | 3750 Vac/50Hz 1min. |
| – pracovní napětí | vstup – výstup | 1700 Vac |
| – dlouhodobá stabilita a drift oddělovače | 0,006% / 500 hodin | |
| Parametry související s jiskrovou bezpečností: | |
| – kategorie jiskrové bezpečnosti | II (2)G [EEx ia] IIC (dle ČSN EN 50 020 a ČSN EN 50 014) |
| – max. přípustný proud Ii | 93 mA |
| – příkon Pi | 0,7 W |
| – vnitřní kapacita Ci | |
| – max. vnitřní indukčnost Li | |
| Provozní podmínky zařízení: | ||
| – teplota okolního prostředí | 0 až +70°C | |
| – relativní vlhkost | 40 až 70% | |
| – atmosférický tlak | 84 až 107 kPa | |
| – krytí | IP 20 | |
| – přípustný průřez připojovacích vodičů | 0,35 až 4 mm⊃; | |
| – šířka modulu | 22,5 mm | |
| – materiál krabičky | NORYL | |
| – odolnost krabičky proti teplotě | rozměrová stálost do +120°C | |
| – odolnost krabičky proti ohni | samozhášivý plast | |
| – odolnost a stálost proti vibracím | 10 až 60 Hz | 0.14 mm (amplituda) |
| 60 až 500 Hz | 19.6 m/s⊃; (špičkové zrychlení) | |
| Způsob objednávání: | |
| V objednávce se uvádí: | – počet kusů |
| – název | |
| – objednací číslo dle tabulky | |
| Příklad objednávky: | 6 ks galvanický oddělovač MODEL 222 – 251 GALVI B-EX |
| obj. č.: 222-251 GALVI B-EX | |



- 222-236 GALVI E special
Galvanický oddělovač pro atypické vstupní signály s proudovým výstupem 4 – 20 mA, bez nutnosti napájení vstupní části oddělovače.
Více informací o produktu:
- Popis produktu
- Použití
- Pracovní podmínky
- Návod k instalaci
- Technická data
- Rozsahy vstupních signálů
- Provozní podmínky zařízení
- Způsob objednávání
- Obr.1: Zástavbové rozměry
- Obr. 2: Zapojení oddělovače do obvodu
Galvanický oddělovač pro atypické vstupní signály s proudovým výstupem 4 – 20 mA na lištu DIN TS35
Napěťový vstupní signál je přiveden na vstup převodníku. Napájení převodníku je po výstupním signálu 4 až 20 mA. Galvanické oddělení je provedeno transformátorem.
Oddělovač je určen pro galvanické oddělení atypických signálu. Převodník je určen pro umístění na lištu DIN TS35.
Teplota v okolí krabičky s převodníkem smí dosáhnout provozu maximálně +80°C. Převodník je možno umístit v libovolné poloze.
Činnost podle této statě smí vykonávat pracovníci alespoň znalí dle §5 vyhlášky 50/1978 Sb., resp. 51/1978 Sb.Oddělovač 222-236 GALVI E/special se upevňuje nasunutím na lištu DIN TS35. Nejprve nasadíme horní trn držáku krabičky na horní hranu lišty a pomocí šroubováku (max. 4x1mm) povysuneme jemným páčením zámek dolního aretačního trnu. Dotlačíme spodní část krabičky na lištu a poté zámek uvolníme. Tím se krabička přichytí na lištu. Obdobně lze krabičku z lišty sejmout. Připojovací kabely se zapojí dle obr.2.V případě nutnosti dostavení převodního rozsahu oddělovače je možno po sejmutí víčka krabičky nastavit rozpětí a nulu oddělovače pomocí hodinářského šroubováku. K napájení výstupní části oddělovače se doporučuje stabilizovaný zdroj 222-UNAZ-DC 24V/1,5W (výrobce TRESTON spol.s r.o.).
| Technická data: | ||
| – vstupní signál | viz.tab | |
| – vstupní odpor Rvst | 100k Ω/V | |
| – výstupní signál | 4 až 20 mA | |
| – maximální výstupní proud při přerušení vstupu | 30mA | |
| – max. hodnota zatěžovacího odporu ve výstupní proudové smyčce při Vs = 24 V DC | 500 Ω | |
| – zapojení vstupu | dvouvodičově | |
| – zapojení výstupu | dvouvodičově (proudová smyčka) | |
| – napájecí napětí výstupní části | 13 až 30 VDC (ochrana proti přepólování) | |
| – chyby | základní | 0,25% |
| (ČSN IEC 770) | hystereze | 0,05% |
| opakovatelnost | 0,07% | |
| linearita | 0,15% | |
| – teplotní závislosti | chyba nuly | 0,1% / 10K |
| (ČSN IEC 770) | chyba rozpětí | 0,2% / 10K |
| max. chyba | 0,3% / 10K | |
| – napěťové závislosti (ČSN IEC 770) | < 0,008% / 1V | |
| – vliv zatěžovacího odporu | < 0,018% / 100 Ω | |
| – zkušební napětí | vstup – výstup | 4000 Vac/50Hz 1min. |
| – pracovní napětí | vstup – výstup | 1700 Vac |
| – dlouhodobá stabilita a drift oddělovače | 0,006% / 500 hodin | |
| Rozsahy vstupních signálů: |
| 0 až 1V |
| 0 až 5V |
| 0 až 10V |
| 0 až 15V |
| Provozní podmínky zařízení: | ||
| – teplota okolního prostředí | -20 až +80°C | |
| – relativní vlhkost | 40 až 70% | |
| – atmosférický tlak | 84 až 107 kPa | |
| – krytí | IP 20 | |
| – přípustný průřez připojovacích vodičů | 0,35 až 4 mm⊃; | |
| – šířka modulu | 22,5 mm | |
| – materiál krabičky | NORYL | |
| – odolnost krabičky proti teplotě | rozměrová stálost do +120°C | |
| – odolnost krabičky proti ohni | samozhášivý plast | |
| – odolnost a stálost proti vibracím | 10 až 60 Hz | 0.14 mm (amplituda) |
| 60 až 500 Hz | 19.6 m/s⊃; (špičkové zrychlení) | |
| Způsob objednávání: | |
| V objednávce se uvádí: | – počet kusů |
| – název | |
| – objednací číslo dle tabulky | |
| Příklad objednávky: | 6 ks galvanický oddělovač MODEL 222 – 236 GALVI E/special |
| obj. č.: 222-236 GALVI E/special 1 | |


Kontakty
TRESTON spol. s r.o.
Částkov 40
687 12 Bílovice
+420 572 580 022 (obchodní oddělení)