Ochranné jímky pro snímače teploty
- ON 02 7210
Ocelová jímka k zašroubování, různých délek, zejména nerezové – mat. 17 248.
Více informací o produktu:
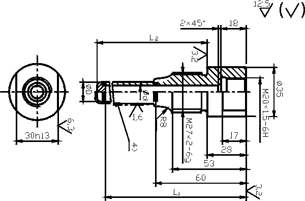
Teploměrová jímka ocelová k zašroubování
Teploměrová jímka ocelová k zašroubování s vnitřním průměrem jímky d = 9mm, jmenovité délky 160, z oceli 17248.43) s povrchovou úpravou 4) se označí: Jímka 9×160 ON 02 7210.20
- 3) Materiál teploměrové jímky se označí první doplňkovou číslicí za tečkou v čísle normy podle tabulky 2.
- 4) Povrchová úprava teploměrové jímky se označí druhou doplňkovou číslicí za tečkou v čísle normy podle tabulky 3.
- Provedení jímky z jednoho kusu nebo svařované se ponechá na vůli výrobci, rovněž i způsob svařování.
- Hmotnost je vypočtena z hustoty oceli 7.85 kg.dm-3.
- V případě, že měřená látka proudí, je jímka namáhána dynamickými účinky proudící látky. Namáhání jímky dynamickými účinky proudící měřené látky závisí na rychlosti proudění, fyzikálních vlastnostech měřené látky a na ponorné délce jímky. Je tedy nutné v jednotlivých případech prověřit, zda zvolená jímka vyhovuje z hlediska namáhání dynamickými účinky měřené látky.
| Tabulka 1: | |||||||||
| Jmenovitá délka stonku teploměru (snímače) | L1 (mm) | L2 (mm) | Pro teploměry | ||||||
| Jmenovitá délka jímky | skleněné 1) | odporové, termoelektrické, bimetalické 2) | |||||||
| Skutečná délka jímky | Mezní úchylky | D(mm) | d(mm) | hmotnost(kg) | D(mm) | d(mm) | hmotnost(kg) | ||
| 100 | 101 | + 1 | 79 | 14 1) | 9 1) | 0,29 | 14 1) | 9 1) | 0,29 |
| (125) | 126 | + 1 | 104 | 14 1) | 9 1) | 0,31 | 14 1) | 9 1) | 0,31 |
| 160 | 161 | + 1 | 139 | 14 1) | 9 1) | 0,34 | 14 1) | 9 1) | 0,34 |
| (200) | 201 | + 1 | 179 | 14 1) | 9 1) | 0,37 | 14 1) | 9 1) | 0,37 |
| 250 | 251 | + 1 | 229 | 14 1) | 9 1) | 0,40 | 14 1) | 9 1) | 0,40 |
| (315) | 316 | + 1 | 294 | 14 1) | 9 1) | 0,45 | 14 1) | 9 1) | 0,45 |
| 400 | 401 | + 1 | 379 | 14 1) | 9 1) | 0,51 | 14 1) | 9 1) | 0,51 |
| (500) | 501 | + 1 | 479 | 14 1) | 9 1) | 0,58 | 14 1) | 9 1) | 0,58 |
| 630 | 631 | + 1,5 | 610 | 20 | 14 | 0,98 | 0,67 | ||
| 800 | 801 | + 1,5 | 780 | 20 | 14 | 1,20 | |||
| 1000 | 1001 | + 2 | 980 | 20 | 14 | 1,45 | |||
1)Pro skleněné teploměry o jmenovité délce stonku 125 až 500 mm se používají stejné teploměrové jímky jako pro teploměry odporové, termoelektrické a bimetalické.
2)Bimetalické teploměry se vyrábějí s průměrem stonku 8 mm pouze do délky 400 mm.
| Tabulka 2: | |||
|
První doplňková číslice za číslem normy |
Jmenovitý tlak / Pracovní stupeň |
Materiál |
|
|
tyče kruhové |
trubky |
||
| . 0 | PN 160/III | 11 416.1 | 12 021.1 |
| . 1 | PN 160/VII | 15 128.9 | 15 128.5 |
| . 2 | PN 160/IX | 17 248.4 | 17 248.4 |
| . 3 | PN 160/III | 17 348.4 | 17 348.4 |
| . 4 5) | PN 160/B | 11 503.1 | 11 369. |
| . 9 | podle dohody viz čl.11 ON 02 7201 | ||
Jmenovité tlaky a pracovní stupně – viz ČSN 13 0010.
5) Jímky z materiálů 11 503.1/11 369.1 je možno použít do teploty +200 °C.
Pozn.: Přednostně dodáváme teploměrné jímky z materiálu 17 248.4.
| Tabulka 3: | |
| Druhá doplňková číslice za číslem normy | Povrchová úprava |
| .X0 | Ra = 1,6 mm |
| .X1 | Ra = 0,8 mm ve vyznačené oblasti stonku 4) (předepisuje se jen v odůvodněných případech při vysokých rychlostech měřené látky). Podle zvláštních předpisů (např. metalizace zinkem a pod.) |
| .X9 | |

- ON 02 7212
Ocelová jímka k zavaření, různých délek, zejména nerezové – mat. 17 248.
Více informací o produktu:
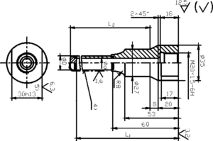
Teploměrová jímka ocelová k zavaření
Teploměrová jímka ocelová k zavaření s vnitřním průměrem jímky d = 9mm, jmenovité délky 250, z oceli 15 1283) s povrchovou úpravou 4) podle zvláštního předpisu se označí: Jímka 9×250 ON 02 7212.19
- 3) Materiál teploměrové jímky se označí první doplňkovou číslicí za tečkou v čísle normy podle tabulky 2.
- 4) Povrchová úprava teploměrové jímky se označí druhou doplňkovou číslicí za tečkou v čísle normy podle tabulky 3.
- Provedení jímky z jednoho kusu nebo svařované se ponechá na vůli výrobci, rovněž i způsob svařování.
- Hmotnost je vypočtena z hustoty oceli 7.85 kg.dm-3.
- V případě, že měřená látka proudí, je jímka namáhána dynamickými účinky proudící látky. Namáhání jímky dynamickými účinky proudící měřené látky závisí na rychlosti proudění, fyzikálních vlastnostech měřené látky a na ponorné délce jímky. Je tedy nutné v jednotlivých případech prověřit, zda zvolená jímka vyhovuje z hlediska namáhání dynamickými účinky měřené látky.
- 5) Plochy pro klíč se dodávají pouze na zvláštní ujednání (např. pro zajištění teploměrů do prostředí s nebezpečím výbuchu).
| Tabulka 1: | |||||||||
| Jmenovitá délka stonku teploměru (snímače) | L1 (mm) | L2 (mm) | Pro teploměry | ||||||
| Jmenovitá délka jímky | skleněné 1) | odporové, termoelektrické, bimetalické 2) | |||||||
| Skutečná délka jímky | Mezní úchylky | D (mm) | d (mm) | hmotnost (kg) | D (mm) | d (mm) | hmotnost (kg) | ||
| 100 | 101 | + 1 | 79 | 14 1) | 9 1) | 0,28 | 14 1) | 9 1) | 0,28 |
| (125) | 126 | + 1 | 104 | 14 1) | 9 1) | 0,30 | 14 1) | 9 1) | 0,30 |
| 160 | 161 | + 1 | 139 | 14 1) | 9 1) | 0,33 | 14 1) | 9 1) | 0,33 |
| (200) | 201 | + 1 | 179 | 14 1) | 9 1) | 0,36 | 14 1) | 9 1) | 0,36 |
| 250 | 251 | + 1 | 229 | 14 1) | 9 1) | 0,39 | 14 1) | 9 1) | 0,39 |
| (315) | 316 | + 1 | 294 | 14 1) | 9 1) | 0,44 | 14 1) | 9 1) | 0,44 |
| 400 | 401 | + 1 | 379 | 14 1) | 9 1) | 0,50 | 14 1) | 9 1) | 0,50 |
| (500) | 501 | + 1 | 479 | 14 1) | 9 1) | 0,57 | 14 1) | 9 1) | 0,57 |
| 630 | 631 | + 1,5 | 610 | 20 | 14 | 0,97 | 0,66 | ||
| 800 | 801 | + 1,5 | 780 | 20 | 14 | 1,19 | |||
| 1000 | 1001 | + 2 | 980 | 20 | 14 | 1,44 | |||
1)Pro skleněné teploměry o jmenovité délce stonku 125 až 500 mm se používají stejné teploměrové jímky jako pro teploměry odporové, termoelektrické a bimetalické.
2)Bimetalické teploměry se vyrábějí s průměrem stonku 8 mm pouze do délky 400 mm.
| Tabulka 2: | |||
| První doplňková číslice za číslem normy | Jmenovitý tlak / Pracovní stupeň | Materiál | |
| tyče kruhové | trubky | ||
| . 0 | PN 160/III | 11 416.1 | 12 021.1 |
| . 1 | PN 160/VII | 15 128.9 | 15 128.5 |
| . 2 | PN 160/IX | 17 248.4 | 17 248.4 |
| . 3 | PN 160/III | 17 348.4 | 17 348.4 |
| . 4 5) | PN 160/B | 11 503.1 | 11 369. |
| . 9 | podle dohody viz čl.11 ON 02 7201 | ||
Jmenovité tlaky a pracovní stupně – viz ČSN 13 0010.
5) Jímky z materiálů 11 503.1/11 369.1 je možno použít do teploty +200 oC.
Pozn.: Přednostně dodáváme teploměrné jímky z materiálu 17 248.4.
| Tabulka 3: | |
| Druhá doplňková číslice za číslem normy | Povrchová úprava |
| .X0 | Ra = 1,6 mm |
| .X1 | Ra = 0,8 mm ve vyznačené oblasti stonku 4) (předepisuje se jen v odůvodněných případech při vysokých rychlostech měřené látky). Podle zvláštních předpisů (např. metalizace zinkem a pod.) |
| .X9 | |

Kontakty
TRESTON spol. s r.o.
Částkov 40
687 12 Bílovice
+420 572 580 022 (obchodní oddělení)