Odporové snímače teplot bez jímky
- 111-338 PtTI
Teploměr se senzorem Pt100 a s převodníkem v kompaktním provedení zabudovaným v hlavici, výstup 4 až 20mA
Více informací o produktu:
- Popis produktu
- Použití
- Materiál a povrchová úprava
- Montáž a připojení
- Pracovní podmínky
- Technické parametry snímače
- Technická data převodníku
- Způsob objednávání
- TAB. 1: Časová konstanta snímače teploty
- TAB. 2: maximální rychlost proudění měřícího média
- TAB. 3: Odolnost a stálost proti vibracím
- Obr.1: Provozní tlak snímače teploty
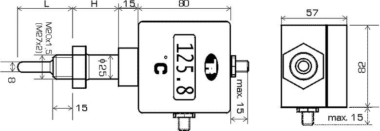
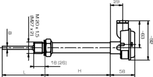
- Obr.2: Rozměrový výkres snímače
- Obr.3: Zapojení snímače do měřicího obvodu
Odporový snímač teploty bez jímky pro průmyslové použití s kompaktním převodníkem T/I
Vodiče z měřicí vložky jsou vedeny do hlavice z hliníkové slitiny s převodníkem a výstupní svorkovnicí. Nástavek je opatřen šroubením pro upevnění snímače do příslušné armatury. Převodník pracuje jako pasivní vysílač v proudové smyčce. Výstupní signál je lineární s teplotou. Signál z odporového teplotního snímače Pt 100 je přiveden do převodníku dvouvodičově. Výstup převodníku slouží zároveň k jeho napájení.Je vyráběna celá řada měřicích rozsahů. Standardně vyráběné měřicí rozsahy jsou uvedeny v objednací tabulce v tomto katalogovém listu. Po dohodě s výrobcem je možno vyrobit i jiné měřicí rozsahy. Převodník není vybaven galvanickým oddělením.
Odporový snímač teploty je určen pro dálkové měření teploty tekutin, páry, vzduchu a jiných médií v teplotním intervalu -50 až +400°C v průmyslu. Výstup ze snímače je normalizovaný 4 ÷ 20 mA.
Hlavice je ze slitiny hliníku, lakována. Nástavek je z oceli tř.17, leštěn. Stonková trubka měřicí vložky je z oceli 17 248 (odpovídá W.Nr. 1.4541 dle DIN).
Činnost podle této statě smí vykonávat pracovníci alespoň znalí dle §5 vyhlášky 50/1978 Sb., resp. 51/1978 Sb.Snímač teploty s převodníkem MODEL 111- 338 PtTI se upevňuje šroubováním do armatury pomocí závitu M20x1,5 (M27x2). K utěsnění se použije těsnící podložka dodávaná se snímačem. Dotažení se provede pomocí stranového klíče OK 30 (OK 36). Doporučený utahovací moment 700 Nm. Nedotahovat snímač za hlavici!Připojovací kabely se provlečou těsnící průchodkou a vývody se zapojí dle obr.3. Vnitřní průměr těsnění musí odpovídat průměru kabelu. Těsnící průchodka kabelu se dokonale utáhne pomocí stranového klíče OK 22. Nakonec se přišroubuje krycí víčko.Doporučuje se orientovat hlavici snímače tak, aby průchodka kabelu nebyla orientována směrem nahoru.
| Pracovní podmínky: | |
| Teplota okolního prostředí | -20 až +70°C |
| Relativní vlhkost | do 95% (při teplotě okolí +40°C) |
| Atmosférický tlak | 84 až 107 kPa |
Snímače se mohou umístit v libovolné poloze tak, aby vývodka nebyla situována směrem nahoru.
Snímač je možno použít pro maximální teplotu měřeného média +400°C.
| Technické parametry snímače: | |
| Teplotní senzor | Pt 100 dle ČSN 25 8306 (DIN 43 760, IEC 751) |
| Zapojení senzoru | dvouvodičově |
| Třída přesnosti | B dle ČSN 25 8306 (IEC 751) |
| Přesnost čidla Pt 100B | Dt = ±(0.30 + 0.005 x |t|) [°C] |
| Celková chyba snímače | je dána součtem chyb čidla teploty a převodníku |
| Izolační odpor v normálním prostředí | min. 20 M Ωů |
| Elektrická pevnost izolace | 500 V / 50 Hz |
| Krytí svorkovnice | IP 55 |
| Odolnost proti přepětí na napájení | 60 V / 1 ms |
| Přípustný průřez připojovacích vodičů | 0,5 až 2,5 mm² |
| Časová konstanta snímače | viz tab.1 |
| Provozní tlak snímače | PN 16 (viz obr.1) |
| Max. rychlost proudění měřeného média | viz tab.2 |
| Odolnost a stálost proti vibracím | viz tab.3 |
| Technická data převodníku: | ||
| napájecí napětí převodníku | 12 až 30 VDC (ochrana proti přepólování napájecího napětí) | |
| max. hodnota zatěžovacího odporu v proudové | ||
| smyčce při Vs = 24 V DC | 600 Ω | |
| výstupní signál | 4 až 20 mA | |
| linearizace | průběh R/T je linearizován | |
| proud protékající čidlem teploty | < 1 mA | |
| proud při přerušení čidla teploty | < 28 mA | |
| proud při zkratu čidla teploty | < 3,9 mA | |
| chyby (ČSN IEC 770) | – základní chyba | 0.1% |
| – hystereze | 0.02% | |
| – opakovatelnost | 0.03% | |
| – linearita | 0.04% | |
| teplotní závislosti (ČSN IEC 770) | – chyba nuly | 0.1% / 10K |
| – chyba rozpětí | 0.1% / 10K | |
| – max. chyba | 0.2% / 10K | |
| napěťové závislosti (ČSN IEC 770) | < 0,008% / 1V | |
| vliv zatěžovacího odporu | < 0.01% / 100 Ω | |
| odolnost proti rušení | dle IEC 801 | |
| dlouhodobá stabilita a drift převodníku | 0.006% / 500 hodin | |
| měřicí rozsahy | viz. Objednací tabulka | |
| Způsob objednávání: | |
| V objednávce se uvádí: | název |
| počet kusů | |
| objednací číslo dle tabulky (viz 4. strana kat. listu) | |
| Příklad objednávky: | Odporový snímač teploty bez jímky MODEL 111-338 PtTI 6ks |
| obj. č.: 111- 338 150 250 1 0 ÷ +100°C | |
| TAB. 1: Časová konstanta snímače teploty | ||||||||
| Délka nástavku | H=150mm | H=400mm | ||||||
| Délka stonku | 160 | 250 | 400 | 630 | 160 | 250 | 400 | 630 |
| vzduch 3 m/s | 95s | 96s | 96s | 97s | 95s | 96s | 96s | 97s |
| vířící voda | 25s | 26s | 26,5s | 34s | 25s | 26,5s | 27s | 35s |
| TAB. 2: maximální rychlost proudění měřícího média | ||||
| Médium | Délka stonku L [mm] | |||
| 160 | 250 | 400 | 630 | |
| vodní pára a vzduch [m/s] | 25 | 25 | 2,5 | 1 |
| voda [m/s] | 3 | 3 | 1,5 | 0,2 |
| TAB. 3: Odolnost a stálost proti vibracím | ||||
| Parametry mechanického kmitání | Délka stonku L [mm] | |||
| 160 | 250 | 400 | 630 | |
| frekvence [Hz] | 10 až 500 | |||
| amplituda posuvu [mm] | 0,2 | 0,15 | 0,15 | 0,075 |
| zrychlení [m.s-2] | 29,4 | 19,6 | 19,6 | 9,8 |

- 111-Pt100
Teploměr se senzorem Pt100 bez převodníku
Více informací o produktu:
- Popis produktu
- Použití
- Materiál a povrchová úprava
- Montáž a připojení
- Pracovní podmínky
- Technické parametry snímače
- Způsob objednávání
- TAB. 1: Časová konstanta snímače teploty
- TAB. 2: maximální rychlost proudění měřícího média
- TAB. 3: Odolnost a stálost proti vibracím
- Obr.1: Provozní tlak snímače teploty
- Obr.2: Rozměrový výkres snímače
- Obr.3a: Zapojení snímače do měřicího obvodu - dvouvodičově
- Obr.3b: Zapojení snímače do měřicího obvodu - třívodičově
- Obr.3c: Zapojení snímače do měřicího obvodu - čtyřvodičově
- Obr.3d: Zapojení snímače do měřicího obvodu - dvojnásobný snímač
Odporový snímač teploty bez jímky pro průmyslové použití
Vodiče z měřicí vložky jsou vedeny do hlavice z hliníkové slitiny s výstupní svorkovnicí. Nástavek je opatřen šroubením pro upevnění snímače do příslušné armatury. Výstupní signál odpovídá DIN IEC 751. Signál z odporového teplotního snímače Pt 100je přiveden do svorkovnice dvouvodičově, třívodičově nebo čtyřvodičově. Snímač není vybaven galvanickým oddělením.
Odporový snímač teploty je určen pro dálkové měření teploty tekutin, páry, vzduchu a jiných médií v průmyslu v teplotním intervalu -50 až +400°C. Pro rozsah teplot do +400°C je snímač vyráběn i pro účely fakturačního měření.
Hlavice je ze slitiny hliníku, lakována. Nástavek je z oceli tř.17, leštěn. Stonková trubka měřicí vložky je z oceli 17 248 (odpovídá W.Nr. 1.4541 dle DIN).
Činnost podle této statě smí vykonávat pracovníci alespoň znalí dle §5 vyhlášky 50/1978 Sb., resp. 51/1978 Sb.Snímač teploty MODEL 111- Pt 100 se upevňuje šroubováním do armatury pomocí závitu M20x1,5 (M27x2). K utěsnění se použije těsnící podložka dodávaná se snímačem. Dotažení se provede pomocí stranového klíče OK 30 (OK 36). Doporučený utahovací moment 700 Nm. Nedotahovat snímač za hlavici!Připojovací kabely se provlečou těsnící průchodkou a vývody se zapojí dle obr.3. Vnitřní průměr těsnění musí odpovídat průměru kabelu. Těsnící průchodka kabelu se dokonale utáhne pomocí stranového klíče OK 22. Nakonec se přišroubuje krycí víčko.Doporučuje se orientovat hlavici snímače tak, aby průchodka kabelu nebyla orientována směrem nahoru.
| Pracovní podmínky: | |
| Teplota okolního prostředí | -50 až +120°C |
| Relativní vlhkost | do 95% (při teplotě okolí +40°C) |
| Atmosférický tlak | 84 až 107 kPa |
Snímače se mohou umístit v libovolné poloze tak, aby vývodka nebyla situována směrem nahoru.
| Technické parametry snímače: | ||
| Teplotní senzor | Pt 100 dle ČSN 25 8306 (DIN 43 760, IEC 751) | |
| Zapojení senzoru | dvouvodičově, třívodičově, čtyřvodičově | |
| Třída přesnosti | A nebo B dle ČSN 25 8306 (IEC 751) | |
| Přesnost čidla | Pt100 A | Dt = ±(0.15 + 0.002 x |t|) [°C] |
| Pt100 B | Dt = ±(0.30 + 0.005 x |t|) [°C] | |
| Izolační odpor v normálním prostředí | min. 20 M Ωů | |
| Elektrická pevnost izolace | 500 V / 50 Hz | |
| Krytí svorkovnice | IP 55 | |
| Přípustný průřez připojovacích vodičů | 0,5 až 2,5 mm² | |
| Časová konstanta snímače | viz tab.1 | |
| Provozní tlak snímače | PN 16 (viz obr.1) | |
| Max. rychlost proudění měřeného média | viz tab.2 | |
| Odolnost a stálost proti vibracím | viz tab.3 | |
| Způsob objednávání: | |
| V objednávce se uvádí: | název |
| počet kusů | |
| objednací číslo dle tabulky (viz 4. strana kat. listu) | |
| Příklad objednávky: | Odporový snímač teploty bez jímky MODEL 111- Pt 100 6ks |
| obj. č.: 111- Pt 100 150 250 1 A4 2 | |
| TAB. 1: Časová konstanta snímače teploty | ||||||||
| Délka nástavku | H=150mm | H=400mm | ||||||
| Délka stonku | 160 | 250 | 400 | 630 | 160 | 250 | 400 | 630 |
| vzduch 3 m/s | 95s | 96s | 96s | 97s | 95s | 96s | 96s | 97s |
| vířící voda | 25s | 26s | 26,5s | 34s | 25s | 26,5s | 27s | 35s |
| TAB. 2: maximální rychlost proudění měřícího média | ||||
| Médium | Délka stonku L [mm] | |||
| 160 | 250 | 400 | 630 | |
| vodní pára a vzduch [m/s] | 25 | 25 | 2,5 | 1 |
| voda [m/s] | 3 | 3 | 1,5 | 0,2 |
| TAB. 3: Odolnost a stálost proti vibracím | ||||
| Parametry mechanického kmitání | Délka stonku L [mm] | |||
| 160 | 250 | 400 | 630 | |
|
frekvence [Hz] |
10 až 500 | |||
| amplituda posuvu [mm] | 0,2 | 0,15 | 0,15 | 0,075 |
| zrychlení [m.s-2] | 29,4 | 19,6 | 19,6 | 9,8 |






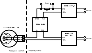
- 111-238 PtTI-EX
Teploměr se senzorem Pt100 a s převodníkem zabudovaným v hlavici, výstup 4 až 20mA, do prostředí SNV (kategorie jiskrové bezpeč. II 2G EEx ia IIC T4).
Více informací o produktu:
- Popis produktu
- Použití
- Certifikace
- Materiál a povrchová úprava
- Montáž a připojení
- Pracovní podmínky
- Technické parametry snímače
- Technická data převodníku
- Další parametry související s jiskrovou bezpečností
- Navázání snímače teploty na ostatní části obvodu
- Způsob objednávání
- TAB. 1: Časová konstanta snímače teploty
- TAB. 2: Maximální rychlost proudění měřícího média
- TAB. 3: Odolnost a stálost proti vibracím
- Obr.1: Provozní tlak snímače teploty
- Obr.2: Rozměrový výkres snímače
- Obr. 3: Zapojení snímače s navázáním na měřicí zařízení pomocí galvanického oddělovače
Odporový snímač teploty bez jímky do prostředí s nebezpečím výbuchu s převodníkem T/I
Vodiče z měřicí vložky jsou vedeny do převodníku s výstupní svorkovnicí. Nástavek je opatřen šroubením pro upevnění snímače do příslušné armatury. Převodník pracuje jako pasivní vysílač v proudové smyčce. Výstupní signál je lineární s teplotou. Signál z odporového teplotního snímače Pt 100 je přiveden do převodníku dvouvodičově. Výstup převodníku slouží zároveň k jeho napájení.Je vyráběna celá řada měřicích rozsahů. Standardně vyráběné měřicí rozsahy jsou uvedeny v objednací tabulce v tomto katalogovém listu. Po dohodě s výrobcem je možno vyrobit i jiné měřicí rozsahy. Převodník není vybaven galvanickým oddělením.
Odporový snímač teploty je určen pro dálkové měření teploty tekutin, páry, vzduchu a jiných médií v prostředích s nebezpečím výbuchu. Výstup ze snímače je normalizovaný 4 ÷ 20 mA.
Schváleno zkušebnou FTZÚ Ostrava – Radvanice pod č. FTZÚ 02 ATEX 0192.
Hlavice je ze slitiny hliníku, lakována. Nástavek je z oceli tř.17, leštěn. Stonková trubka měřicí vložky je z oceli 17 248 (odpovídá W.Nr. 1.4541 dle DIN).
Činnost podle této statě smí vykonávat pracovníci alespoň znalí dle §5 vyhlášky 50/1978 Sb., resp. 51/1978 Sb.Snímač teploty s převodníkem MODEL 111- 238 PtTI – EX se upevňuje šroubováním do armatury pomocí závitu M20x1,5 (M27x2). K utěsnění se použije těsnící podložka dodávaná se snímačem. Dotažení se provede pomocí stranového klíče OK 30 (OK 36). Doporučený utahovací moment 700 Nm. Nedotahovat snímač za hlavici!Připojovací kabely se provlečou těsnící průchodkou a vývody se zapojí dle obr.3. Vnitřní průměr těsnění musí odpovídat průměru kabelu. Těsnící průchodka kabelu se dokonale utáhne pomocí stranového klíče OK 22. Nakonec se přišroubuje krycí víčko.Doporučuje se orientovat hlavici snímače tak, aby průchodka kabelu nebyla orientována směrem nahoru.
| Pracovní podmínky: | |
| Teplota okolního prostředí | -30 až +40°C |
| Relativní vlhkost | do 95% (při teplotě okolí +40°C) |
| Atmosférický tlak | 84 až 107 kPa |
Snímače se mohou umístit v libovolné poloze tak, aby vývodka nebyla situována směrem nahoru.
Snímač je možno použít pro maximální teplotu měřeného média +400°C.
| Technické parametry snímače: | |
| – Teplotní senzor | Pt 100 dle ČSN 25 8306 (DIN 43 760, IEC 751) |
| – Zapojení senzoru | dvouvodičově |
| – Třída přesnosti | B dle ČSN 25 8306 (IEC 751) |
| – Přesnost čidla Pt 100B | Dt = ±(0.30 + 0.005 x |t|) [°C] |
| – Celková chyba snímače | je dána součtem chyb čidla teploty a převodníku |
| – Izolační odpor v normálním prostředí | min. 20 M Ωů |
| – Elektrická pevnost izolace | 500 V / 50 Hz |
| – Krytí svorkovnice | IP 55 |
| – Odolnost proti přepětí na napájení | 60 V / 1 ms |
| – Přípustný průřez připojovacích vodičů | 0,5 až 2,5 mm⊃; |
| – Časová konstanta snímače | viz tab.1 |
| – Provozní tlak snímače | PN 16 (viz obr.1) |
| – Max. rychlost proudění měřeného média | viz tab.2 |
| – Odolnost a stálost proti vibracím | viz tab.3 |
| Technická data převodníku: | ||
| – specifikace nevýbušného zařízení | II 2G EEx ia IIC T5 (ČSN EN 50 014 a ČSN EN 50 020) | |
| – napájecí napětí převodníku | 12 až 28 VDC (ochrana proti přepólování napájecího napětí) | |
| – max. hodnota zatěžovacího odporu v proudové | ||
| smyčce při Vs = 24 V DC | 600 Ω | |
| – výstupní signál | 4 až 20 mA (přesné dostavení nuly a rozpětí pomocí dvou víceotáčkových trimrů) | |
| – linearizace | průběh R/T je linearizován | |
| – proud při přerušení snímače | max. 28 mA | |
| – chyby (ČSN IEC 770) | – základní chyba | 0.1% |
| – hystereze | 0.02% | |
| – opakovatelnost | 0.015% | |
| – linearita | 0.04% | |
| – teplotní závislosti (ČSN IEC 770) | – chyba nuly | 0.1% / 10K |
| – chyba rozpětí | 0.1% / 10K | |
| – max. chyba | 0.2% / 10K | |
| – napěťové závislosti (ČSN IEC 770) | < 0,008% / 1V | |
| – vliv zatěžovacího odporu | < 0.01% / 100 Ω | |
| – odolnost proti rušení | dle IEC 801 | |
| – dlouhodobá stabilita a drift převodníku | 0.025% / 500 hodin | |
| – měřicí rozsahy | viz. Objednací tabulka | |
| Další parametry související s jiskrovou bezpečností: | |
| – teplota okolí hlavice | -30 až +40°C |
| – max. přípustné napájecí napětí | 28 VDC |
| – max. přípustný proud | 93 mA |
| – příkon Pi | 0,66 W |
| – vnitřníí kapacita Ci | » 0 |
| – vnitřní indukčnost Li | » 0 |
| – doporučený typ propojovacího kabelu | MK 2 x 0.50 TP03/41 MTP 107/68 (Cmax = 120 pF/m) – max délka 1250m |
| MK 2 x 0.75 TP03/41 MTP 107/68 (Cmax = 120 pF/m) – max délka 1250m | |
| MK 2 x 0.15 TP03/41 MTP 107/68 (Cmax = 120 pF/m) – max délka 1250m | |
| MK 2 x 0.35 TP03/41 MTP 107/68 (Cmax = 120 pF/m) – max délka 1250m | |
| výrobce KABLO Elektro a.s. | |
| Navázání snímače teploty na ostatní části obvodu: pomocí převodníku galvanického: | |
| složení sestavy: | – snímač 111 – 238 PtTI – EX |
| – zdroj pro napájení jiskrově bezpečných obvodů UNAZ – EX 24V/0.5W (výrobce TRESTON spol. s r.o.) | |
| – zdroj pro napájení měřicích převodníků UNAZ 24V/1.5 W (výrobce TRESTON spol. s r.o.) | |
| – oddělovací převodník GALVI – B – EX (výrobce TRESTON spol. s r.o.) | |
| – doporučený kabel (viz výše) | |
| Způsob objednávání: | |
| V objednávce se uvádí: | – název |
| – počet kusů | |
| – objednací číslo dle tabulky (viz 4. strana kat. listu) | |
| Příklad objednávky: | Odporový snímač teploty bez jímky MODEL 111-238 PtTI – EX 6ks |
| obj. č.: 111- 238 PtTI – EX 150 250 1 0 /+100°C | |
| TAB. 1: Časová konstanta snímače teploty | ||||||||
| Délka nástavku | H=150mm | H=400mm | ||||||
| Délka stonku | 160 | 250 | 400 | 630 | 160 | 250 | 400 | 630 |
| vzduch 3 m/s | 95s | 96s | 96s | 97s | 95s | 96s | 96s | 97s |
| vířící voda | 25s | 26s | 26,5s | 34s | 25s | 26,5s | 27s | 35s |
| TAB. 2: Maximální rychlost proudění měřícího média | ||||
| Médium | Délka stonku L [mm] | |||
| 160 | 250 | 400 | 630 | |
| vodní pára a vzduch [m/s] | 25 | 25 | 2,5 | 1 |
| voda [m/s] | 3 | 3 | 1,5 | 0,2 |
| TAB. 3: Odolnost a stálost proti vibracím | ||||
| Parametry mechanického kmitání | Délka stonku L [mm] | |||
| 160 | 250 | 400 | 630 | |
| frekvence [Hz] | 10 až 500 | |||
| amplituda posuvu [mm] | 0,2 | 0,15 | 0,15 | 0,075 |
| zrychlení [m.s-2] | 29,4 | 19,6 | 19,6 | 9,8 |


- 111-Pt100-EX
Teploměr se senzorem Pt100 bez převodníku do prostředí SNV.
Více informací o produktu:
- Popis produktu
- Použití
- Materiál a povrchová úprava
- Montáž a připojení
- Pracovní podmínky
- Způsob objednávání
- TAB. 1: Časová konstanta snímače teploty
- TAB. 2: Maximální rychlost proudění měřícího média
- TAB. 3: Odolnost a stálost proti vibracím
- Obr.1: Provozní tlak snímače teploty
- Obr.2: Rozměrový výkres snímače
- Obr. 3a: Zapojení snímače do měřicího obvodu - dvouvodičově
- Obr. 3b: Zapojení snímače do měřicího obvodu - třívodičově
- Obr. 3c: Zapojení snímače do měřicího obvodu - čtyřvodičově
- Obr. 3d: Zapojení snímače do měřicího obvodu - dvojnásobný snímač
Odporový snímač teploty bez jímky pro jiskrově bezpečné obvody
Vodiče z měřicí vložky jsou vedeny do hlavice z hliníkové slitiny s výstupní svorkovnicí. Nástavek je opatřen šroubením pro upevnění snímače do příslušné armatury. Výstupní signál odpovídá DIN IEC 751. Signál z odporového teplotního snímače Pt 100 je přiveden do svorkovnice dvouvodičově, třívodičově nebo čtyřvodičově. Snímač není vybaven galvanickým oddělením.
Odporový snímač teploty je určen pro dálkové měření teploty tekutin, páry, vzduchu a jiných médií v průmyslu v oblastech s nebezpečím výbuchu v teplotním intervalu -50 až +400°C. Není určen pro důlní použití! Pro rozsah teplot do +400°C je snímač vyráběn i pro účely fakturačního měření.
Hlavice je ze slitiny hliníku, lakována. Nástavek je z oceli tř.17, leštěn. Stonková trubka měřicí vložky je z oceli 17 248 (odpovídá W.Nr. 1.4541 dle DIN).
Činnost podle této statě smí vykonávat pracovníci alespoň znalí dle §5 vyhlášky 50/1978 Sb., resp. 51/1978 Sb.Snímač teploty MODEL 111- Pt 100 -EX se upevňuje šroubováním do armatury pomocí závitu M20x1,5 (M27x2). K utěsnění se použije těsnící podložka dodávaná se snímačem. Dotažení se provede pomocí stranového klíče OK 30 (OK 36). Doporučený utahovací moment 700 Nm. Nedotahovat snímač za hlavici!Připojovací kabely se provlečou těsnící průchodkou a vývody se zapojí dle obr.3. Vnitřní průměr těsnění musí odpovídat průměru kabelu. Těsnící průchodka kabelu se dokonale utáhne pomocí stranového klíče OK 22. Nakonec se přišroubuje krycí víčko.Doporučuje se orientovat hlavici snímače tak, aby průchodka kabelu nebyla orientována směrem nahoru.
| Pracovní podmínky: | |
| Teplota okolního prostředí | -50 až +120°C |
| Relativní vlhkost | do 95% (při teplotě okolí +40°C) |
| Atmosférický tlak | 84 až 107 kPa |
Snímače se mohou umístit v libovolné poloze tak, aby vývodka nebyla situována směrem nahoru.
| Způsob objednávání: | |
| V objednávce se uvádí: | – název |
| – počet kusů | |
| – objednací číslo dle tabulky (viz 4. strana kat. listu) | |
| Příklad objednávky: | Odporový snímač teploty bez jímky MODEL 111- Pt 100 – EX 6ks |
| obj. č.: 111- Pt 100 – EX 150 250 1 A4 1 | |
| TAB. 1: Časová konstanta snímače teploty | ||||||||
| Délka nástavku | H=150mm | H=400mm | ||||||
| Délka stonku | 160 | 250 | 400 | 630 | 160 | 250 | 400 | 630 |
| vzduch 3 m/s | 95s | 96s | 96s | 97s | 95s | 96s | 96s | 97s |
| vířící voda | 25s | 26s | 26,5s | 34s | 25s | 26,5s | 27s | 35s |
| TAB. 2: Maximální rychlost proudění měřícího média | ||||
| Médium | Délka stonku L [mm] | |||
| 160 | 250 | 400 | 630 | |
| vodní pára a vzduch [m/s] | 25 | 25 | 2,5 | 1 |
| voda [m/s] | 3 | 3 | 1,5 | 0,2 |
| TAB. 3: Odolnost a stálost proti vibracím | ||||
| Parametry mechanického kmitání | Délka stonku L [mm] | |||
| 160 | 250 | 400 | 630 | |
| frekvence [Hz] | 10 až 500 | |||
| amplituda posuvu [mm] | 0,2 | 0,15 | 0,15 | 0,075 |
| zrychlení [m.s-2] | 29,4 | 19,6 | 19,6 | 9,8 |






- 111-207 NiTI
Teploměr se senzorem Ni1000 a převodníkem zabudovaným v hlavici, výstup 4 až 20mA.
Více informací o produktu:
- Popis produktu
- Použití
- Materiál a povrchová úprava
- Montáž a připojení
- Pracovní podmínky
- Technické parametry snímače
- Technická data převodníku
- Způsob objednávání
- TAB. 1: Časová konstanta snímače teploty
- TAB. 2: Maximální rychlost proudění měřícího média
- TAB. 3: Odolnost a stálost proti vibracím
- Obr.1: Provozní tlak snímače teploty
- Obr.2: Rozměrový výkres snímače
- Obr. 3: Zapojení snímače do měřicího obvodu
Odporový snímač teploty bez jímky pro průmyslové požití s převodníkem T/I
Vodiče z měřicí vložky jsou vedeny do hlavice z hliníkové slitiny s převodníkem a výstupní svorkovnicí. Nástavek je opatřen šroubením pro upevnění snímače do příslušné armatury. Převodník pracuje jako pasivní vysílač v proudové smyčce. Výstupní signál je lineární s teplotou. Signál z odporového teplotního snímače Ni 1000 je přiveden do převodníku dvouvodičově. Je vyráběna celá řada měřicích rozsahů. Standardně vyráběné měřicí rozsahy jsou uvedeny v objednací tabulce v tomto katalogovém listu. Po dohodě s výrobcem je možno vyrobit i jiné měřicí rozsahy. Převodník není vybaven galvanickým oddělením.
Odporový snímač teploty je určen pro dálkové měření teploty tekutin, páry, vzduchu a jiných médií v teplotním intervalu -50 až +150°C v průmyslu. Výstup ze snímače je normalizovaný 4 až 20 mA.
Hlavice je ze slitiny hliníku, lakována. Nástavek je z oceli tř.17, leštěn. Stonková trubka měřicí vložky je z oceli 17 248 (odpovídá W.Nr. 1.4541 dle DIN).
Činnost podle této statě smí vykonávat pracovníci alespoň znalí dle §5 vyhlášky 50/1978 Sb., resp. 51/1978 Sb.Snímač teploty s převodníkem MODEL 111- 207 NiTI se upevňuje šroubováním do armatury pomocí závitu M20x1,5 (M27x2). K utěsnění se použije těsnící podložka dodávaná se snímačem. Dotažení se provede pomocí stranového klíče OK 30 (OK 36). Doporučený utahovací moment 700 Nm. Nedotahovat snímač za hlavici! Připojovací kabely se provlečou těsnící průchodkou a vývody se zapojí dle obr.3. Vnitřní průměr těsnění musí odpovídat průměru kabelu. Těsnící průchodka kabelu se dokonale utáhne pomocí stranového klíče OK 22. Nakonec se přišroubuje krycí víčko.Doporučuje se orientovat hlavici snímače tak, aby průchodka kabelu nebyla orientována směrem nahoru.
| Pracovní podmínky: | |
| Teplota okolního prostředí | -20 až +70°C |
| Relativní vlhkost | do 95% (při teplotě okolí +40°C) |
| Atmosférický tlak | 84 až 107 kPa |
Snímače se mohou umístit v libovolné poloze tak, aby vývodka nebyla situována směrem nahoru.
Snímač je možno použít pro maximální teplotu měřeného média +150°C.
| Technické parametry snímače: | |
| – Teplotní senzor | Ni 1000 dle DIN 43 760 |
| – Zapojení senzoru | dvouvodičově |
| – Tolerance jmen. odporu čidla v 0°C | 0,2 % dle DIN 43 760 |
| – Celková chyba snímače | je dána součtem chyb čidla teploty a převodníku |
| – Izolační odpor v normálním prostředí | min. 20 M Ωů |
| – Elektrická pevnost izolace | 500 V / 50 Hz |
| – Krytí svorkovnice | IP 55 |
| – Odolnost proti přepětí na napájení | 60 V / 1 ms |
| – Přípustný průřez připojovacích vodičů | 0,5 až 2,5 mm⊃; |
| – Časová konstanta snímače | viz tab.1 |
| – Provozní tlak snímače | PN 16 (viz obr.1) |
| – Max. rychlost proudění měřeného média | viz tab.2 |
| – Odolnost a stálost proti vibracím | viz tab.3 |
| Technická data převodníku: | ||
| – napájecí napětí převodníku | 12 až 30 VDC (ochrana proti přepólování napájecího napětí) | |
| – max. hodnota zatěžovacího odporu v proudové | ||
| smyčce při Vs = 24 V DC | 600 Ω | |
| – výstupní signál | 4 až 20 mA (pasivní výstup – proudová smyčka) | |
| – linearizace | průběh R/T je linearizován | |
| – proud protékající čidlem teploty | cca 0,5 mA | |
| – proud při přerušení čidla teploty | < 30 mA | |
| – proud při zkratu čidla teploty | < 3,9 mA | |
| – chyby (ČSN IEC 770) | – základní chyba | 0.3% |
| – hystereze | 0.05% | |
| – opakovatelnost | 0.07% | |
| – linearita | 0.25% | |
| – teplotní závislosti (ČSN IEC 770) | – chyba nuly | 0.1% / 10K |
| – chyba rozpětí | 0.15% / 10K | |
| – max. chyba | 0.25% / 10K | |
| – napěťové závislosti (ČSN IEC 770) | < 0,005% / 1V | |
| – vliv zatěžovacího odporu | < 0.018% / 100 Ω | |
| – dlouhodobá stabilita a drift převodníku | 0.006% / 500 hodin | |
| – měřicí rozsahy | viz. Objednací tabulka | |
| Způsob objednávání: | |
| V objednávce se uvádí: | – název |
| – počet kusů | |
| – objednací číslo dle tabulky (viz 4. strana kat. listu) | |
| Příklad objednávky: | Odporový snímač teploty bez jímky MODEL 111-207 NiTI 6ks |
| obj. č.: 111- 207 NiTI 150 250 1 0 ÷ +100°C | |
| TAB. 1: Časová konstanta snímače teploty | ||||||||
| Délka nástavku | H=150mm | H=400mm | ||||||
| Délka stonku | 160 | 250 | 400 | 630 | 160 | 250 | 400 | 630 |
| vzduch 3 m/s | 95s | 96s | 96s | 97s | 95s | 96s | 96s | 97s |
| vířící voda | 25s | 26s | 26,5s | 34s | 25s | 26,5s | 27s | 35s |
| TAB. 2: Maximální rychlost proudění měřícího média | ||||
| Médium | Délka stonku L [mm] | |||
| 160 | 250 | 400 | 630 | |
| vodní pára a vzduch [m/s] | 25 | 25 | 2,5 | 1 |
| voda [m/s] | 3 | 3 | 1,5 | 0,2 |
| TAB. 3: Odolnost a stálost proti vibracím | ||||
| Parametry mechanického kmitání | Délka stonku L [mm] | |||
| 160 | 250 | 400 | 630 | |
| frekvence [Hz] | 10 až 500 | |||
| amplituda posuvu [mm] | 0,2 | 0,15 | 0,15 | 0,075 |
| zrychlení [m.s-2] | 29,4 | 19,6 | 19,6 | 9,8 |



- 111-Ni1000
Teploměr se senzorem Ni1000 bez převodníku.
Více informací o produktu:
- Popis produktu
- Použití
- Materiál a povrchová úprava
- Montáž a připojení
- Pracovní podmínky
- Technické parametry snímače
- Způsob objednávání
- TAB. 1: Časová konstanta snímače teploty
- TAB. 2: Maximální rychlost proudění měřícího média
- TAB. 3: Odolnost a stálost proti vibracím
- Obr.1: Provozní tlak snímače teploty
- Obr.2: Rozměrový výkres snímače
- Obr. 3: Zapojení snímače do měřicího obvodu
Vodiče z měřicí vložky jsou vedeny do hlavice z hliníkové slitiny s výstupní svorkovnicí. Nástavek je opatřen šroubením pro upevnění snímače do příslušné armatury. Výstupní signál odpovídá DIN 43 760. Signál z odporového teplotního snímače Ni 1000 je přiveden do svorkovnice dvouvodičově.Snímač není vybaven galvanickým oddělením.
Odporový snímač teploty je určen pro dálkové měření teploty tekutin, páry, vzduchu a jiných médií v teplotním intervalu -50 až +150°C v průmyslu.
Hlavice je ze slitiny hliníku, lakována. Nástavek je z oceli tř.17, leštěn. Stonková trubka měřicí vložky je z oceli 17 248 (odpovídá W.Nr. 1.4541 dle DIN).
Činnost podle této statě smí vykonávat pracovníci alespoň znalí dle §5 vyhlášky 50/1978 Sb., resp. 51/1978 Sb.Snímač teploty MODEL 111- Ni 1000 se upevňuje šroubováním do armatury pomocí závitu M20x1,5 (M27x2). K utěsnění se použije těsnící podložka dodávaná se snímačem. Dotažení se provede pomocí stranového klíče OK 30 (OK 36). Doporučený utahovací moment 700 Nm. Nedotahovat snímač za hlavici!Připojovací kabely se provlečou těsnící průchodkou a vývody se zapojí dle obr.3. Vnitřní průměr těsnění musí odpovídat průměru kabelu. Těsnící průchodka kabelu se dokonale utáhne pomocí stranového klíče OK 22. Nakonec se přišroubuje krycí víčko.Doporučuje se orientovat hlavici snímače tak, aby průchodka kabelu nebyla orientována směrem nahoru.
| Pracovní podmínky: | |
| Teplota okolního prostředí | -50 až +120°C |
| Relativní vlhkost | do 95% (při teplotě okolí +40°C) |
| Atmosférický tlak | 84 až 107 kPa |
Snímače se mohou umístit v libovolné poloze tak, aby vývodka nebyla situována směrem nahoru.
Snímač je možno použít pro maximální teplotu měřeného média +150°C.
| Technické parametry snímače: | |
| – Teplotní senzor | Ni 1000 dle DIN 43 760 |
| – Zapojení senzoru | dvouvodičově |
| – Tolerance jmen. odporu čidla v 0°C | 0,2 % dle DIN 43 760 |
| – Izolační odpor v normálním prostředí | min. 20 M Ωů |
| – Elektrická pevnost izolace | 500 V / 50 Hz |
| – Krytí svorkovnice | IP 55 |
| – Přípustný průřez připojovacích vodičů | 0,5 až 2,5 mm⊃; |
| – Časová konstanta snímače | viz tab.1 |
| – Provozní tlak snímače | PN 16 (viz obr.1) |
| – Max. rychlost proudění měřeného média | viz tab.2 |
| – Odolnost a stálost proti vibracím | viz tab.3 |
| Způsob objednávání: | |
| V objednávce se uvádí: | – název |
| – počet kusů | |
| – objednací číslo dle tabulky (viz 3. strana kat. listu) | |
| Příklad objednávky: | Odporový snímač teploty bez jímky MODEL 111- Ni 1000 6ks |
| obj. č.: 111- Ni 1000 150 250 1 | |
| TAB. 1: Časová konstanta snímače teploty | ||||||||
| Délka nástavku | H=150mm | H=400mm | ||||||
| Délka stonku | 160 | 250 | 400 | 630 | 160 | 250 | 400 | 630 |
| vzduch 3 m/s | 95s | 96s | 96s | 97s | 95s | 96s | 96s | 97s |
| vířící voda | 25s | 26s | 26,5s | 34s | 25s | 26,5s | 27s | 35s |
| TAB. 2: Maximální rychlost proudění měřícího média | ||||
| Médium | Délka stonku L [mm] | |||
| 160 | 250 | 400 | 630 | |
| vodní pára a vzduch [m/s] | 25 | 25 | 2,5 | 1 |
| voda [m/s] | 3 | 3 | 1,5 | 0,2 |
| TAB. 3: Odolnost a stálost proti vibracím | ||||
| Parametry mechanického kmitání | Délka stonku L [mm] | |||
| 160 | 250 | 400 | 630 | |
| frekvence [Hz] | 10 až 500 | |||
| amplituda posuvu [mm] | 0,2 | 0,15 | 0,15 | 0,075 |
| zrychlení [m.s-2] | 29,4 | 19,6 | 19,6 | 9,8 |



- 111-DZB
Teploměr se senzorem Pt100 s digitálním zobrazovačem a s převodníkem zabudovaným v hlavici, výstup 4 až 20mA.
Více informací o produktu:
- Popis produktu
- Použití
- Materiál a povrchová úprava
- Montáž a připojení
- Pracovní podmínky
- Technické parametry snímače
- Technická data převodníku
- Technická data zobrazovače
- Způsob objednávání
- TAB. 1: Časová konstanta snímače teploty
- TAB. 2: Maximální rychlost proudění měřícího média
- TAB. 3: Odolnost a stálost proti vibracím
- Obr.1: Provozní tlak snímače teploty
- Obr.2: Rozměrový výkres snímače
- Obr. 3: Zapojení snímače do měřicího obvodu
- Obr. 4: Orientace displeje a konektoru
Odporový snímač teploty bez jímky pro průmyslové použití s místním zobrazením
Odporový snímač s vedením je umístěn ve stonkové trubce zakončené přírubou s vyvedenými vodiči. Celek tvoří měřicí vložku, jež je zasunuta do nástavku ukončeného hlavicí s displejem a konektorem. Vodiče z měřicí vložky jsou vedeny do hlavice z plastu s převodníkem, zobrazovací jednotkou a výstupním konektorem. Nástavek je opatřen šroubením pro upevnění snímače do příslušné armatury. Převodník pracuje jako pasivní vysílač v proudové smyčce. Výstupní signál je lineární s teplotou. Signál z odporového teplotního snímače Pt 100 je přiveden do převodníku dvouvodičově. Výstup převodníku slouží zároveň k jeho napájení.Je vyráběna celá řada měřicích rozsahů. Standardně vyráběné měřicí rozsahy jsou uvedeny v objednací tabulce v tomto katalogovém listu. Po dohodě s výrobcem je možno vyrobit i jiné měřicí rozsahy. Převodník není vybaven galvanickým oddělením.
Odporový snímač teploty je určen pro dálkové měření teploty tekutin, páry, vzduchu a jiných médií v teplotním intervalu -50 až +400°C průmyslu tam, kde je vyžadován odečet měřené veličiny přímo v místě měření. Výstup ze snímače je normalizovaný 4 ÷ 20 mA.
Hlavice je plastová, šedá. Nástavek je z oceli tř.17, leštěn. Stonková trubka měřicí vložky je z oceli 17 248 (odpovídá W.Nr. 1.4541 dle DIN).
U rozsahů se spodní mezí 100°C a výše je zaručena správnost údaje digitálního zobrazovače až při minimálním proudu 3,8 mA (tzn. údaj pod dolní mezí měřicího rozsahu neodpovídá skutečné teplotě).
Činnost podle této statě smí vykonávat pracovníci alespoň znalí dle §5 vyhlášky 50/1978 Sb., resp. 51/1978 Sb.Snímač teploty s převodníkem MODEL 111-DZBse upevňuje šroubováním do armatury pomocí závitu M20x1,5 (M27x2). K utěsnění se použije těsnící podložka dodávaná se snímačem. Dotažení se provede pomocí stranového klíče OK 30 (OK 36). Doporučený utahovací moment 700 Nm. Nedotahovat snímač za hlavici!Připojovací kabely se provlečou těsnící průchodkou konektoru a vývody se zapojí dle obr.3. Vnitřní průměr těsnění musí odpovídat průměru kabelu. Poté se konektor nasune na hlavici snímače a dotáhne převlečnou maticí, která je součástí kabelové koncovky konektoru.Doporučuje se orientovat hlavici snímače tak, aby údaj na displeji byl v čitelné poloze.
| Pracovní podmínky: | |
| Teplota okolního prostředí | -20 až +70°C |
| Relativní vlhkost | do 95% (při teplotě okolí +40°C) |
| Atmosférický tlak | 84 až 107 kPa |
Snímače se mohou umístit v libovolné poloze tak, aby vývodka nebyla situována směrem nahoru.
Snímač je možno použít pro maximální teplotu měřeného média +400°C.
| Technické parametry snímače: | |
| – Teplotní senzor | Pt 100 dle ČSN 25 8306 (DIN 43 760, IEC 751) |
| – Zapojení senzoru | dvouvodičově |
| – Třída přesnosti | B dle ČSN 25 8306 (IEC 751) |
| – Přesnost čidla Pt 100B | Dt = ±(0.30 + 0.005 x |t|) [°C] |
| – Celková chyba snímače | je dána součtem chyb čidla teploty a převodníku |
| – Izolační odpor v normálním prostředí | min. 20 M Ωů |
| – Elektrická pevnost izolace | 500 V / 50 Hz |
| – Krytí svorkovnice | IP 55 |
| – Odolnost proti přepětí na napájení | 60 V / 1 ms |
| – Přípustný průřez připojovacích vodičů | 0,5 až 2,5 mm⊃; |
| – Časová konstanta snímače | viz tab.1 |
| – Provozní tlak snímače | PN 16 (viz obr.1) |
| – Max. rychlost proudění měřeného média | viz tab.2 |
| – Odolnost a stálost proti vibracím | viz tab.3 |
| Technická data převodníku: | ||
| – napájecí napětí převodníku | 16 až 30 VDC (ochrana proti přepólování napájecího napětí) | |
| – max. hodnota zatěžovacího odporu v proudové | ||
| smyčce při Vs = 24 V DC | 450 Ω | |
| – výstupní signál | 4 až 20 mA | |
| – linearizace | průběh R/T je linearizován | |
| – proud protékající čidlem teploty | < 1 mA | |
| – proud při přerušení čidla teploty | < 28 mA | |
| – proud při zkratu čidla teploty | < 3,9 mA | |
| – chyby (ČSN IEC 770) | – základní chyba | 0.1% |
| – hystereze | 0.02% | |
| – opakovatelnost | 0.03% | |
| – linearita | 0.04% | |
| – teplotní závislosti (ČSN IEC 770) | – chyba nuly | 0.1% / 10K |
| – chyba rozpětí | 0.1% / 10K | |
| – max. chyba | 0.2% / 10K | |
| – napěťové závislosti (ČSN IEC 770) | < 0,008% / 1V | |
| – vliv zatěžovacího odporu | < 0.01% / 100 Ω | |
| – odolnost proti rušení | dle IEC 801 | |
| – dlouhodobá stabilita a drift převodníku | 0.006% / 500 hodin | |
| – měřicí rozsahy | viz. Objednací tabulka | |
| Technická data zobrazovače: | |
| – zobrazovaný údaj | okamžitá teplota měřeného média |
| – typ displeje | LCD 3,5 místný, 12,7 mm |
| – rozlišovací schopnost | 0,1°C nebo 1°C dle měřicího rozsahu |
| – chyba zobrazovače | ± 1 digit |
| – přesnost zobrazovače | ± 0,5% |
| Způsob objednávání: | |
| V objednávce se uvádí: | – název |
| – počet kusů | |
| – objednací číslo dle tabulky (viz 4. strana kat. listu) | |
| Příklad objednávky: | Odporový snímač teploty bez jímky MODEL 111-DZB 6ks |
| obj. č.: 111- DZB 150 250 1 1 1 0/+100°C | |
| TAB. 1: Časová konstanta snímače teploty | ||||||||
| Délka nástavku | H=150mm | H=400mm | ||||||
| Délka stonku | 160 | 250 | 400 | 630 | 160 | 250 | 400 | 630 |
| vzduch 3 m/s | 95s | 96s | 96s | 97s | 95s | 96s | 96s | 97s |
| vířící voda | 25s | 26s | 26,5s | 34s | 25s | 26,5s | 27s | 35s |
| TAB. 2: Maximální rychlost proudění měřícího média | ||||
| Médium | Délka stonku L [mm] | |||
| 160 | 250 | 400 | 630 | |
| vodní pára a vzduch [m/s] | 25 | 25 | 2,5 | 1 |
| voda [m/s] | 3 | 3 | 1,5 | 0,2 |
| TAB. 3: Odolnost a stálost proti vibracím | ||||
| Parametry mechanického kmitání | Délka stonku L [mm] | |||
| 160 | 250 | 400 | 630 | |
| frekvence [Hz] | 10 až 500 | |||
| amplituda posuvu [mm] | 0,2 | 0,15 | 0,15 | 0,075 |
| zrychlení [m.s-2] | 29,4 | 19,6 | 19,6 | 9,8 |




- 111-DZB-EX
Teploměr se senzorem Pt100 s digitálním zobrazovačem a s převodníkem zabudovaným v hlavici, výstup 4 až 20mA, do prostředí SNV (kategorie jiskrové bezpečnosti II 2G EEx ia IIB T4).
Více informací o produktu:
- Popis produktu
- Použití
- Certifikace
- Materiál a povrchová úprava
- Montáž a připojení
- Pracovní podmínky
- Technické parametry snímače
- Technická data převodníku
- Další parametry související s jiskrovou bezpečností
- Technická data zobrazovače
- Navázání snímače teploty na ostatní části obvodu
- Způsob objednávání
- TAB. 1: Časová konstanta snímače teploty
- TAB. 2: Maximální rychlost proudění měřícího média
- TAB. 3: Odolnost a stálost proti vibracím
- Obr.1: Provozní tlak snímače teploty
- Obr.2: Rozměrový výkres snímače
- Obr. 3: Zapojení snímače s navázáním na měřicí zařízení pomocí galvanického oddělovače
- Obr. 4: Orientace displeje a konektoru
Odporový snímač teploty bez jímky do prostředí s nebezpečím výbuchu s převodníkem T/I a s místním zobrazením
Vodiče z měřicí vložky jsou vedeny do hlavice z plastu s převodníkem, zobrazovací jednotkou a výstupním konektorem. Nástavek je opatřen šroubením pro upevnění snímače do příslušné armatury. Převodník pracuje jako pasivní vysílač v proudové smyčce. Výstupní signál je lineární s teplotou. Signál z odporového teplotního snímače Pt 100 je přiveden do převodníku dvouvodičově. Výstup převodníku slouží zároveň k jeho napájení.Je vyráběna celá řada měřicích rozsahů. Standardně vyráběné měřicí rozsahy jsou uvedeny v objednací tabulce v tomto katalogovém listu. Po dohodě s výrobcem je možno vyrobit i jiné měřicí rozsahy. Převodník není vybaven galvanickým oddělením.
Odporový snímač teploty je určen pro dálkové měření teploty tekutin, páry, vzduchu a jiných médií v teplotním intervalu -50 až +400°C v prostředích s nebezpečím výbuchu tam, kde je vyžadován odečet měřené veličiny přímo v místě měření. Výstup ze snímače je normalizovaný 4 ÷ 20 mA.
Schváleno státní zkušebnou č. 210 FTZÚ Ostrava – Radvanice pod č.FTZÚ 02 ATEX 0191.
Hlavice je plastová z materiálu plastu, Nástavek je z oceli tř.17, leštěn. Stonková trubka měřicí vložky je z oceli 17 248 (odpovídá W.Nr. 1.4541 dle DIN).
U rozsahů se spodní mezí 100°C a výše je zaručena správnost údaje digitálního zobrazovače až při minimálním proudu 3,8 mA (tzn. údaj pod dolní mezí měřicího rozsahu neodpovídá skutečné teplotě).
Činnost podle této statě smí vykonávat pracovníci alespoň znalí dle §5 vyhlášky 50/1978 Sb., resp. 51/1978 Sb.Snímač teploty s převodníkem MODEL 111- DZB – EX se upevňuje šroubováním do armatury pomocí závitu M20x1,5 (M27x2). K utěsnění se použije těsnící podložka dodávaná se snímačem. Dotažení se provede pomocí stranového klíče OK 30 (OK 36). Doporučený utahovací moment 700 Nm. Nedotahovat snímač za hlavici!Připojovací kabely se provlečou těsnící průchodkou konektoru a vývody se zapojí dle obr.3. Vnitřní průměr těsnění musí odpovídat průměru kabelu. Poté se konektor nasune na hlavici snímače a dotáhne převlečnou maticí, která je součástí kabelové koncovky konektoru.Doporučuje se orientovat hlavici snímače tak, aby údaj na displeji byl v čitelné poloze.
| Pracovní podmínky: | |
| Teplota okolního prostředí | -20 až +70°C |
| Relativní vlhkost | do 95% (při teplotě okolí +40°C) |
| Atmosférický tlak | 84 až 107 kPa |
Snímače se mohou umístit v libovolné poloze tak, aby vývodka nebyla situována směrem nahoru.
Snímač je možno použít pro maximální teplotu měřeného média +400°C.
| Technické parametry snímače: | |
| – Teplotní senzor | Pt 100 dle ČSN 25 8306 (DIN 43 760, IEC 751) |
| – Zapojení senzoru | dvouvodičově |
| – Třída přesnosti | B dle ČSN 25 8306 (IEC 751) |
| – Přesnost čidla Pt 100B | Dt = ±(0.30 + 0.005 x |t|) [°C] |
| – Celková chyba snímače | je dána součtem chyb čidla teploty a převodníku |
| – Izolační odpor v normálním prostředí | min. 20 M Ωů |
| – Elektrická pevnost izolace | 500 V / 50 Hz |
| – Krytí svorkovnice | IP 55 |
| – Odolnost proti přepětí na napájení | 60 V / 1 ms |
| – Přípustný průřez připojovacích vodičů | 0,5 až 2,5 mm⊃; |
| – Časová konstanta snímače | viz tab.1 |
| – Provozní tlak snímače | PN 16 (viz obr.1) |
| – Max. rychlost proudění měřeného média | viz tab.2 |
| – Odolnost a stálost proti vibracím | viz tab.3 |
| Technická data převodníku: | ||
| – specifikace nevýbušného zařízení | II 2G EEx ia IIB T4 (ČSN EN 50 014 a ČSN EN 50 020) | |
| – napájecí napětí převodníku | 16 až 28 VDC (ochrana proti přepólování napájecího napětí) | |
| – max. hodnota zatěžovacího odporu v proudové | ||
| smyčce při Vs = 24 V DC | 450 Ω | |
| – výstupní signál | 4 až 20 mA (přesné dostavení nuly a rozpětí pomocí dvou víceotáčkových trimrů) | |
| – linearizace | průběh R/T je linearizován | |
| – proud protékající čidlem teploty | < 1 mA | |
| – proud při přerušení čidla teploty | < 28 mA | |
| – proud při zkratu čidla teploty | < 3,9 mA | |
| – chyby (ČSN IEC 770) | – základní chyba | 0.1% |
| – hystereze | 0.02% | |
| – opakovatelnost | 0.015% | |
| – linearita | 0.04% | |
| – teplotní závislosti (ČSN IEC 770) | – chyba nuly | 0.1% / 10K |
| – chyba rozpětí | 0.1% / 10K | |
| – max. chyba | 0.2% / 10K | |
| – napěťové závislosti (ČSN IEC 770) | < 0,008% / 1V | |
| – vliv zatěžovacího odporu | < 0.01% / 100 Ω | |
| – odolnost proti rušení | dle IEC 801 | |
| – dlouhodobá stabilita a drift převodníku | 0.025% / 500 hodin | |
| – měřicí rozsahy | viz. Objednací tabulka | |
| Další parametry související s jiskrovou bezpečností: | |
| – teplota okolí hlavice | -20 až +70°C |
| – max. přípustné napájecí napětí | 28 VDC |
| – max. přípustný proud | 93 mA |
| – efektivní kapacita Cef | |
| – vnitřní indukčnost Lint | 1 mH |
| – doporučený typ propojovacího kabelu | MK 2 x 0.50 TP03/41 MTP 107/68 (Cmax = 120 pF/m) – max délka 1250m |
| MK 2 x 0.75 TP03/41 MTP 107/68 (Cmax = 120 pF/m) – max délka 1250m | |
| MK 2 x 0.15 TP03/41 MTP 107/68 (Cmax = 120 pF/m) – max délka 1250m | |
| MK 2 x 0.35 TP03/41 MTP 107/68 (Cmax = 120 pF/m) – max délka 1250m | |
| výrobce KABLO Elektro a.s. | |
| Technická data zobrazovače: | |
| – zobrazovaný údaj | okamžitá teplota měřeného média |
| – typ displeje | LCD 3,5 místný, 12,7 mm |
| – rozlišovací schopnost | 0,1°C nebo 1°C dle měřicího rozsahu |
| – chyba zobrazovače | ± 1 digit |
| – přesnost zobrazovače | ± 0,5% |
| Navázání snímače teploty na ostatní části obvodu: pomocí převodníku galvanického: | |
| složení sestavy: | – snímač 111 – DZB – EX |
| – zdroj pro napájení jiskrově bezpečných obvodů UNAZ – EX 24V/0.5W (výrobce TRESTON spol. s r.o.) | |
| – zdroj pro napájení měřicích převodníků UNAZ 24V/1.5 W (výrobce TRESTON spol. s.r.o.) | |
| – oddělovací převodník GALVI – B – EX (výrobce TRESTON spol. s r.o.) | |
| – doporučený kabel (viz výše) | |
| Způsob objednávání: | |
| V objednávce se uvádí: | – název |
| – počet kusů | |
| – objednací číslo dle tabulky (viz 4. strana kat. listu) | |
| Příklad objednávky: | Odporový snímač teploty bez jímky MODEL 111-DZB – EX 6ks |
| obj. č.: 111- DZB – EX 150 250 1 1 1 0 / +100°C | |
| TAB. 1: Časová konstanta snímače teploty | ||||||||
| Délka nástavku | H=150mm | H=400mm | ||||||
| Délka stonku | 160 | 250 | 400 | 630 | 160 | 250 | 400 | 630 |
| vzduch 3 m/s | 95s | 96s | 96s | 97s | 95s | 96s | 96s | 97s |
| vířící voda | 25s | 26s | 26,5s | 34s | 25s | 26,5s | 27s | 35s |
| TAB. 2: Maximální rychlost proudění měřícího média | ||||
| Médium | Délka stonku L [mm] | |||
| 160 | 250 | 400 | 630 | |
| vodní pára a vzduch [m/s] | 25 | 25 | 2,5 | 1 |
| voda [m/s] | 3 | 3 | 1,5 | 0,2 |
| TAB. 3: Odolnost a stálost proti vibracím | ||||
| Parametry mechanického kmitání | Délka stonku L [mm] | |||
| 160 | 250 | 400 | 630 | |
| frekvence [Hz] | 10 až 500 | |||
| amplituda posuvu [mm] | 0,2 | 0,15 | 0,15 | 0,075 |
| zrychlení [m.s-2] | 29,4 | 19,6 | 19,6 | 9,8 |




- 111 – 338 PtTI – MT
Teploměr se senzorem 111 – 338 PtTI – MT odporový snímač mokré teploty pro průmyslové použití s převodníkem T/I.
Více informací o produktu:
- Popis produktu
- Použití
- Materiál a povrchová úprava
- Montáž a připojení
- Pracovní podmínky
- Technické parametry snímače
- Technická data převodníku
- Způsob objednávání
- TAB. 1: Časová konstanta snímače teploty
- TAB. 2: Maximální rychlost proudění měřícího média
- TAB. 3: Odolnost a stálost proti vibracím
- Obr. 1: Rozměrový výkres snímače
- Obr. 2: Zapojení snímače do měřicího obvodu
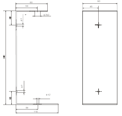
- Obr. 3: Rozměrový výkres držáku
Odporový snímač mokré teploty pro průmyslové použití s převodníkem T/I
Vodiče z měřicí vložky jsou vedeny do hlavice z hliníkové slitiny s převodníkem a výstupní svorkovnicí. Nástavek je opatřen šroubením pro upevnění snímače do příslušné armatury. Převodník pracuje jako pasivní vysílač v proudové smyčce. Výstupní signál je lineární s teplotou. Signál z odporového teplotního snímače Pt 100 je přiveden do převodníku dvouvodičově. Výstup převodníku slouží zároveň k jeho napájení. Sestava pro měření mokré teploty je tvořena samotným snímačem, držákem, nádobou na destilovanou vodu a nasávací punčéškou, která je navlečena na stonku snímače. Je vyráběna celá řada měřicích rozsahu. Standardně vyráběné měřicí rozsahy jsou uvedeny v objednací tabulce v tomto katalogovém listu. Po dohodě s výrobcem je možno vyrobit i jiné měřicí rozsahy. Převodník není vybaven galvanickým oddělením.
Odporový snímač teploty je určen pro dálkové měření mokré teploty vzduchu v teplotním intervalu 0 až +70°C. Výstup ze snímače je normalizovaný 4 ÷ 20 mA.
Hlavice je ze slitiny hliníku, lakována. Nástavek je z oceli tř.17, leštěn. Stonková trubka měřicí vložky je z oceli 17 248 (odpovídá W.Nr. 1.4541 dle DIN).
Činnost podle této statě smí vykonávat pracovníci alespoň znalí dle §5 vyhlášky 50/1978 Sb., resp. 51/1978 Sb. Snímač teploty s převodníkem MODEL 111- 338 PtTI – MT se upevňuje pomocí matice M20x1,5 do držáku, který je připevněn na zeď. Dotažení se provede pomocí stranového klíče OK 30. Nedotahovat snímač za hlavici! Na snímač se navleče tkaninový návlek a pak se vloží do držáku skleněná nádoba. Hladina kapaliny ve skleněné nádobě nesmí klesnout níž než 80 mm pod dolní část snímače! Připojovací kabely se provlečou těsnící průchodkou a vývody se zapojí dle obr.2. Vnitřní průměr těsnění musí odpovídat průměru kabelu. Těsnící průchodka kabelu se dokonale utáhne pomocí stranového klíče OK 22. Nakonec se přišroubuje krycí víčko. Doporučuje se orientovat hlavici snímače tak, aby průchodka kabelu nebyla orientována směrem nahoru.
| Pracovní podmínky: | |
| Teplota okolního prostředí | 0 a? +70°C ( teplota okolí nesmí klesnout pod bod mrazu, protože hrozí roztržení skleněné nádoby, která je naplněna destilovanou vodou. |
| Relativní vlhkost | do 95% (při teplotě okolí +40°C) |
| Atmosférický tlak | 84 až 107 kPa |
Snímač se umístí do držáku, který je připevněn na zeď. Snímač je možno použít pro maximální teplotu okolí +70°C.
| Technické parametry snímače: | |
| – Teplotní senzor | Pt 100 dle ČSN 25 8306 (DIN 43 760, IEC 751) |
| – Zapojení senzoru | dvouvodičově |
| – Třída přesnosti | B dle ČSN 25 8306 (IEC 751) |
| – Přesnost čidla Pt 100B | Dt = ±(0.30 + 0.005 x |t|) [°C] |
| – Celková chyba snímače | je dána součtem chyb čidla teploty a převodníku |
| – Izolační odpor v normálním prostředí | min. 20 M Ωů |
| – Elektrická pevnost izolace | 500 V / 50 Hz |
| – Krytí svorkovnice | IP 55 |
| – Odolnost proti přepětí na napájení | 60 V / 1 ms |
| – Přípustný průřez připojovacích vodičů | 0,5 až 2,5 mm⊃; |
| – Časová konstanta snímače | viz tab.1 |
| – Provozní tlak snímače | PN 16 |
| – Max. rychlost proudění měřeného média | viz tab.2 |
| – Odolnost a stálost proti vibracím | viz tab.3 |
| Technická data převodníku: | ||
| – napájecí napětí převodníku | 12 až 30 VDC (ochrana proti přepólování napájecího napětí) | |
| – max. hodnota zatěžovacího odporu v proudové smyčce při Vs = 24 V DC | 600 Ω | |
| – výstupní signál | 4 až 20 mA | |
| – linearizace | průběh R/T je linearizován | |
| – proud protékající čidlem teploty | < 1 mA | |
| – proud při přerušení čidla teploty | < 28 mA | |
| – proud při zkratu čidla teploty | < 3,9 mA | |
| – chyby (ČSN IEC 770) | – základní chyba | 0.1% |
| – hystereze | 0.02% | |
| – opakovatelnost | 0.03% | |
| – linearita | 0.04% | |
| – teplotní závislosti (ČSN IEC 770) | – chyba nuly | 0.1% / 10K |
| – chyba rozpětí | 0.1% / 10K | |
| – max. chyba | 0.2% / 10K | |
| – napěťové závislosti (ČSN IEC 770) | < 0,008% / 1V | |
| – vliv zatěžovacího odporu | < 0.01% / 100 Ω | |
| – odolnost proti rušení | dle IEC 801 | |
| – dlouhodobá stabilita a drift převodníku | 0.006% / 500 hodin | |
| – měřicí rozsahy | viz. Objednací tabulka | |
| Způsob objednávání: | |
| V objednávce se uvádí: | – název |
| – počet kusů | |
| – objednací číslo dle tabulky (viz 4. strana kat. listu) | |
| Příklad objednávky: | Odporový snímač teploty bez jímky MODEL 111-338 PtTI MT 6ks |
| obj. č.: 111- 338 PtTI – MT 150 100 1 0 ÷ +50°C | |
| TAB. 1: Časová konstanta snímače teploty | ||||||||
| Délka nástavku | H=150mm | H=400mm | ||||||
| Délka stonku | 160 | 250 | 400 | 630 | 160 | 250 | 400 | 630 |
| vzduch 3 m/s | 95s | 96s | 96s | 97s | 95s | 96s | 96s | 97s |
| vířící voda | 25s | 26s | 26,5s | 34s | 25s | 26,5s | 27s | 35s |
| TAB. 2: Maximální rychlost proudění měřícího média | ||||
| Médium | Délka stonku L [mm] | |||
| 160 | 250 | 400 | 630 | |
| vodní pára a vzduch [m/s] | 25 | 25 | 2,5 | 1 |
| voda [m/s] | 3 | 3 | 1,5 | 0,2 |
| TAB. 3: Odolnost a stálost proti vibracím | ||||
| Parametry mechanického kmitání | Délka stonku L [mm] | |||
| 160 | 250 | 400 | 630 | |
| frekvence [Hz] | 10 až 500 | |||
| amplituda posuvu [mm] | 0,2 | 0,15 | 0,15 | 0,075 |
| zrychlení [m.s-2] | 29,4 | 19,6 | 19,6 | 9,8 |



- 111-Pt100-CLAMP
Odporový snímač teploty sterilizační bez převodníku.
Více informací o produktu:
- Popis produktu
- Použití
- Materiál a povrchová úprava
- Montáž a připojení
- Pracovní podmínky
- Technické parametry snímače
- Způsob objednávání
- TAB. 1: Časová konstanta snímače teploty
- TAB. 2: Maximální rychlost proudění měřícího média
- TAB. 3: Odolnost a stálost proti vibracím
- Obr. 1: Provozní tlak snímače teploty
- Obr. 2: Rozměrový výkres snímače
- Obr. 3a: Zapojení snímače do měřicího obvodu - dvouvodičově
- Obr. 3b: Zapojení snímače do měřicího obvodu - třívodičově
- Obr. 3c: Zapojení snímače do měřicího obvodu - čtyřvodičově
- Obr. 3d: Zapojení snímače do měřicího obvodu - dvojnásobný snímač
Odporový snímač teploty sterilizační bez převodníku
Vodiče z měřicí vložky jsou vedeny do hliníkové hlavice s výstupní svorkovnicí. Nástavek je opatřen clampem o rozměru DN40 (jiný rozměr po konzultaci s výrobcem) pro upevnění snímače do příslušné armatury. Signál z odporového teplotního snímače Pt 100 je přiveden do svorkovnice dvouvodičově, třívodičově nebo čtyřvodičově.
Odporový snímač teploty je určen pro dálkové měření teploty tekutin, páry, vzduchu a jiných médií v teplotním intervalu -50 a. +400°C. Snímač je použitelný všeobecně v potravinářství a biochemickém průmyslu, např. ke kontrole teplotních poměrů sterilizačních procesů ve fermentačních nebo jiných zařízeních bioprocesů. Jeho konstrukční provedení neovlivňuje aseptivnost místa instalace, přičemž umožňuje snadnou údržbu sterilního prostředí v místě instalace. Další výhodou je snadná a rychlá montáž i demontáž snímače. V případě potřeby můžeme vyrobit a dodat protikus teploměru dle konkrétní aplikace.
Hlavice je ze slitiny hliníku, lakována. Nástavek je z oceli tř.1.4541 (17 248), leštěn. Stonková trubka měřicí vložky je z oceli 1.4541, leštěna. Clamp je vyroben z oceli 1.4404 (17 349).
Činnost podle této statě smí vykonávat pracovníci alespoň znalí dle §5 vyhlášky 50/1978 Sb., resp. 51/1978 Sb. Snímač teploty MODEL 111 – Pt 100 – CLAMP se upevňuje do příslušného protikusu pomocí stahovací objímky. K utěsnění se použije těsnící podložka. Nedotahovat snímač za hlavici! Připojovací kabely se provlečou těsnící průchodkou a vývody se zapojí dle obr.2. Vnitřní průměr těsnění musí odpovídat průměru kabelu. Těsnící průchodka kabelu se dokonale utáhne pomocí stranového klíče OK 22. Nakonec se přišroubuje krycí víčko. Doporučuje se orientovat hlavici snímače tak, aby průchodka kabelu nebyla orientována směrem nahoru.
| Pracovní podmínky: | |
| Teplota okolního prostředí | -50 až +120°C |
| Relativní vlhkost | do 95% (při teplotě okolí +40°C) |
| Atmosférický tlak | 84 až 107 kPa |
Snímače se mohou umístit v libovolné poloze tak, aby vývodka nebyla situována směrem nahoru.
| Technické parametry snímače: | ||
| – Teplotní senzor | Pt 100 dle ČSN 25 8306 (DIN 43 760, IEC 751) | |
| – Zapojení senzoru | dvouvodičově, třívodičově, čtyřvodičově | |
| – Třída přesnosti | A nebo B dle ČSN 25 8306 (IEC 751) | |
| – Přesnost čidla | Pt100 A | Dt = ±(0.15 + 0.002 x |t|) [°C] |
| Pt100 B | Dt = ±(0.30 + 0.005 x |t|) [°C] | |
| – Izolační odpor v normálním prostředí | min. 20 M Ωů | |
| – Elektrická pevnost izolace | 500 V / 50 Hz | |
| – Krytí svorkovnice | IP 55 | |
| – Přípustný průřez připojovacích vodičů | 0,5 až 2,5 mm⊃; | |
| – Časová konstanta snímače | viz tab.1 | |
| – Provozní tlak snímače | PN 16 (viz obr.1) | |
| – Max. rychlost proudění měřeného média | viz tab.2 | |
| – Odolnost a stálost proti vibracím | viz tab.3 | |
| Způsob objednávání: | |
| V objednávce se uvádí: | – název |
| – počet kusů | |
| – objednací číslo dle tabulky (viz 4. strana kat. listu) | |
| Příklad objednávky: | Odporový snímač teploty bez jímky MODEL 111- Pt 100 – CLAMP 6ks |
| obj. č.: 111- Pt 100 – CLAMP 150 250 1 B2 1 | |
| TAB. 1: Časová konstanta snímače teploty | ||||||||
| Délka nástavku | H=150mm | H=400mm | ||||||
| Délka stonku | 160 | 250 | 400 | 630 | 160 | 250 | 400 | 630 |
| vzduch 3 m/s | 95s | 96s | 96s | 97s | 95s | 96s | 96s | 97s |
| vířící voda | 25s | 26s | 26,5s | 34s | 25s | 26,5s | 27s | 35s |
| TAB. 2: Maximální rychlost proudění měřícího média | ||||
| Médium | Délka stonku L [mm] | |||
| 160 | 250 | 400 | 630 | |
| vodní pára a vzduch [m/s] | 25 | 25 | 2,5 | 1 |
| voda [m/s] | 3 | 3 | 1,5 | 0,2 |
| TAB. 3: Odolnost a stálost proti vibracím | ||||
| Parametry mechanického kmitání | Délka stonku L [mm] | |||
| 160 | 250 | 400 | 630 | |
| frekvence [Hz] | 10 až 500 | |||
| amplituda posuvu [mm] | 0,2 | 0,15 | 0,15 | 0,075 |
| zrychlení [m.s-2] | 29,4 | 19,6 | 19,6 | 9,8 |






Kontakty
TRESTON spol. s r.o.
Částkov 40
687 12 Bílovice
+420 572 580 022 (obchodní oddělení)