Odporové snímače teplot bez jímky
- 131-338 PtTI-CLAMP
Odporový snímač teploty sterilizační s nerezovou hlavicí a převodníkem T/I.
Více informací o produktu:
- Popis produktu
- Použití
- Materiál a povrchová úprava
- Montáž a připojení
- Pracovní podmínky
- Technické parametry snímače
- Technická data převodníku
- Způsob objednávání
- TAB.1: Časová konstanta snímače teploty
- TAB. 2: maximální rychlost proudění měřícího média
- TAB. 3: Odolnost a stálost proti vibracím
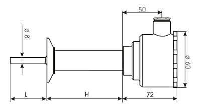
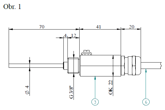
- Obr. 1: Rozměrový výkres snímače
- Obr. 2: Zapojení snímače do měřicího obvodu
Odporový snímač teploty sterilizační s nerezovou hlavicí a převodníkem T/I
Vodiče z měřicí vložky jsou vedeny do nerezové hlavice s převodníkem a výstupní svorkovnicí. Nástavek je opatřen clampem o rozměru DN40 (jiný rozměr po konzultaci s výrobcem) pro upevnění snímače do příslušné armatury. Převodník pracuje jako pasivní vysílač v proudové smyčce. Výstupní signál je lineární s teplotou. Signál z odporového teplotního snímače Pt 100 je přiveden do převodníku dvouvodičově. Výstup převodníku slouží zároveň k jeho napájení. Je vyráběna celá řada měřicích rozsahů. Standardně vyráběné měřicí rozsahy jsou uvedeny v objednací tabulce v tomto katalogovém listu. Po dohodě s výrobcem je možno vyrobit i jiné měřicí rozsahy. Převodník není vybaven galvanickým oddělením.
Odporový snímač teploty je určen pro dálkové měření teploty tekutin, páry, vzduchu a jiných médií v teplotním intervalu -50 a. +180°C.
Snímač je použitelný všeobecně v potravinářství a biochemickém průmyslu, např. ke kontrole teplotních poměrů sterilizačních procesů ve fermentačních nebo jiných zařízeních bioprocesů. Jeho konstrukční provedení neovlivňuje aseptivnost místa instalace, přičemž umožňuje snadnou údržbu sterilního prostředí v místě instalace. Další výhodou je snadná a rychlá montáž i demontáž snímače. V případě potřeby můžeme vyrobit a dodat protikus teploměru dle konkrétní aplikace. Výstup ze snímače je normalizovaný 4 ÷ 20 mA.
Hlavice je z nerezové oceli 1.4541 (17 248) , Nástavek je z oceli tř.1.4541 (17 248), leštěn. Stonková trubka měřicí vložky je z oceli 1.4541, leštěna. Clamp je vyroben z oceli 1.4404 (17 349).
Činnost podle této statě smí vykonávat pracovníci alespoň znalí dle §5 vyhlášky 50/1978 Sb., resp. 51/1978 Sb. Snímač teploty s převodníkem MODEL 131 – 338 PtTI – CLAMP se upevňuje do příslušného protikusu pomocí stahovací objímky. K utěsnění se použije těsnící podložka. Nedotahovat snímač za hlavici! Připojovací kabely se provlečou těsnící průchodkou a vývody se zapojí dle obr.2. Vnitřní průměr těsnění musí odpovídat průměru kabelu. Těsnící průchodka kabelu se dokonale utáhne pomocí stranového klíče OK 22. Nakonec se přišroubuje krycí víčko. Doporučuje se orientovat hlavici snímače tak, aby průchodka kabelu nebyla orientována směrem nahoru.
| Pracovní podmínky: | |
| Teplota okolního prostředí | -20 až +70°C |
| Relativní vlhkost | do 95% (při teplotě okolí +40°C) |
| Atmosférický tlak | 84 až 107 kPa |
Snímače se mohou umístit v libovolné poloze tak, aby vývodka nebyla situována směrem nahoru.
Snímač je možno použít pro maximální teplotu měřeného média +400°C.
| Technické parametry snímače: | |
| – Teplotní senzor | Pt 100 dle ČSN 25 8306 (DIN 43 760, IEC 751) |
| – Zapojení senzoru | dvouvodičově |
| – Třída přesnosti | B dle ČSN 25 8306 (IEC 751) |
| – Přesnost čidla Pt 100B | Dt = ±(0.30 + 0.005 x |t|) [°C] |
| – Celková chyba snímače | je dána součtem chyb čidla teploty a převodníku |
| – Izolační odpor v normálním prostředí | min. 20 M Ωů |
| – Elektrická pevnost izolace | 500 V / 50 Hz |
| – Krytí svorkovnice | IP 55 |
| – Odolnost proti přepětí na napájení | 60 V / 1 ms |
| – Přípustný průřez připojovacích vodičů | 0,5 až 2,5 mm⊃; |
| – Časová konstanta snímače | viz tab.1 |
| – Provozní tlak snímače | PN 16 (do světlosti DN 100) |
| – Max. rychlost proudění měřeného média | viz tab.2 |
| – Odolnost a stálost proti vibracím | viz tab.3 |
| Technická data převodníku: | ||
| – napájecí napětí převodníku | 12 až 30 VDC (ochrana proti přepólování napájecího napětí) | |
| – max. hodnota zatěžovacího odporu v proudové | ||
| smyčce při Vs = 24 V DC | 600 Ω | |
| – výstupní signál | 4 až 20 mA | |
| – linearizace | průběh R/T je linearizován | |
| – proud protékající čidlem teploty | < 1 mA | |
| – proud při přerušení čidla teploty | < 28 mA | |
| – proud při zkratu čidla teploty | < 3,9 mA | |
| – chyby (ČSN IEC 770) | – základní chyba | 0.1% |
| – hystereze | 0.02% | |
| – opakovatelnost | 0.03% | |
| – linearita | 0.04% | |
| – teplotní závislosti (ČSN IEC 770) | – chyba nuly | 0.1% / 10K |
| – chyba rozpětí | 0.1% / 10K | |
| – max. chyba | 0.2% / 10K | |
| – napěťové závislosti (ČSN IEC 770) | < 0,008% / 1V | |
| – vliv zatěžovacího odporu | < 0.01% / 100 Ω | |
| – odolnost proti rušení | dle IEC 801 | |
| – dlouhodobá stabilita a drift převodníku | 0.006% / 500 hodin | |
| – měřicí rozsahy | viz. Objednací tabulka | |
| Způsob objednávání: | |
| V objednávce se uvádí: | – název |
| – počet kusů | |
| – objednací číslo dle tabulky (viz 4. strana kat. listu) | |
| Příklad objednávky: | Odporový snímač teploty bez jímky MODEL 131-338 PtTI-CLAMP 6ks |
| obj. č.:131-338 PtTI-CLAMP 150 250 1 0 ÷ +100°C | |
| TAB.1: Časová konstanta snímače teploty | ||||||||
| Délka nástavku | H=150mm | H=400mm | ||||||
| Délka stonku | 160 | 250 | 400 | 630 | 160 | 250 | 400 | 630 |
| vzduch 3 m/s | 95s | 96s | 96s | 97s | 95s | 96s | 96s | 97s |
| vířící voda | 25s | 26s | 26,5s | 34s | 25s | 26,5s | 27s | 35s |
| TAB. 2: maximální rychlost proudění měřícího média | ||||
| Médium | Délka stonku L [mm] | |||
| 160 | 250 | 400 | 630 | |
| vodní pára a vzduch [m/s] | 25 | 25 | 2,5 | 1 |
| voda [m/s] | 3 | 3 | 1,5 | 0,2 |
| TAB. 3: Odolnost a stálost proti vibracím | ||||
| Parametry mechanického kmitání | Délka stonku L [mm] | |||
| 160 | 250 | 400 | 630 | |
| frekvence [Hz] | 10 až 500 | |||
| amplituda posuvu [mm] | 0,2 | 0,15 | 0,15 | 0,075 |
| zrychlení [m.s-2] | 29,4 | 19,6 | 19,6 | 9,8 |


- 131-Pt100-CLAMP
Odporový snímač teploty sterilizační bez převodníku.
Více informací o produktu:
- Popis produktu
- Použití
- Materiál a povrchová úprava
- Montáž a připojení
- Pracovní podmínky
- Technické parametry snímače
- Způsob objednávání
- TAB. 1: Časová konstanta snímače teploty
- TAB. 2: maximální rychlost proudění měřícího média
- TAB. 3: Odolnost a stálost proti vibracím
- Obr. 1: Provozní tlak snímače teploty
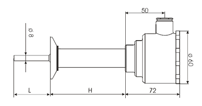
- Obr. 2: Rozměrový výkres snímače
- Obr. 3a: Zapojení snímače do měřicího obvodu - dvouvodičově
- Obr. 3b: Zapojení snímače do měřicího obvodu - třívodičově
- Obr. 3c: Zapojení snímače do měřicího obvodu - čtyřvodičově
- Obr. 3d: Zapojení snímače do měřicího obvodu - dvojnásobný snímač
Odporový snímač teploty sterilizační bez převodníku
Vodiče z měřicí vložky jsou vedeny do hlavice z hliníkové slitiny s výstupní svorkovnicí. Nástavek je opatřen šroubením pro upevnění snímače do příslušné armatury. Výstupní signál odpovídá DIN IEC 751. Signál z odporového teplotního snímače Pt 100 je přiveden do svorkovnice dvouvodičově, třívodičově nebo čtyřvodičově. Snímač není vybaven galvanickým oddělením.
Odporový snímač teploty je určen pro dálkové měření teploty tekutin, páry, vzduchu a jiných médií v teplotním intervalu -50 a. +400°C.
Snímač je použitelný všeobecně v potravinářství a biochemickém průmyslu, např. ke kontrole teplotních poměrů sterilizačních procesů ve fermentačních nebo jiných zařízeních bioprocesů. Jeho konstrukční provedení neovlivňuje aseptivnost místa instalace, přičemž umožňuje snadnou údržbu sterilního prostředí v místě instalace. Další výhodou je snadná a rychlá montáž i demontáž snímače. V případě potřeby můžeme vyrobit a dodat protikus teploměru dle konkrétní aplikace.
Hlavice je ze slitiny hliníku, lakována. Nástavek je z oceli tř.17, leštěn. Stonková trubka měřicí vložky je z oceli 17 248 (odpovídá W.Nr. 1.4541 dle DIN).
Činnost podle této statě smí vykonávat pracovníci alespoň znalí dle §5 vyhlášky 50/1978 Sb., resp. 51/1978 Sb. Snímač teploty MODEL 131 – Pt 100 – CLAMP se upevňuje do příslušného protikusu pomocí stahovací objímky. K utěsnění se použije těsnící podložka. Nedotahovat snímač za hlavici! Připojovací kabely se provlečou těsnící průchodkou a vývody se zapojí dle obr.2. Vnitřní průměr těsnění musí odpovídat průměru kabelu. Těsnící průchodka kabelu se dokonale utáhne pomocí stranového klíče OK 22. Nakonec se přišroubuje krycí víčko. Doporučuje se orientovat hlavici snímače tak, aby průchodka kabelu nebyla orientována směrem nahoru.
| Pracovní podmínky: | |
| Teplota okolního prostředí | -50 až +70°C |
| Relativní vlhkost | do 95% (při teplotě okolí +40°C) |
| Atmosférický tlak | 84 až 107 kPa |
Snímače se mohou umístit v libovolné poloze tak, aby vývodka nebyla situována směrem nahoru.
| Technické parametry snímače: | ||
| – Teplotní senzor | Pt 100 dle ČSN 25 8306 (DIN 43 760, IEC 751) | |
| – Zapojení senzoru | dvouvodičově, třívodičově, čtyřvodičově | |
| – Třída přesnosti | A nebo B dle ČSN 25 8306 (IEC 751) | |
| – Přesnost čidla | Pt100 A | Dt = ±(0.15 + 0.002 x |t|) [°C] |
| Pt100 B | Dt = ±(0.30 + 0.005 x |t|) [°C] | |
| – Izolační odpor v normálním prostředí | min. 20 M Ωů | |
| – Elektrická pevnost izolace | 500 V / 50 Hz | |
| – Krytí svorkovnice | IP 55 | |
| – Přípustný průřez připojovacích vodičů | 0,5 až 2,5 mm⊃; | |
| – Časová konstanta snímače | viz tab.1 | |
| – Provozní tlak snímače | PN 16 (viz obr.1) | |
| – Max. rychlost proudění měřeného média | viz tab.2 | |
| – Odolnost a stálost proti vibracím | viz tab.3 | |
| Způsob objednávání: | |
| V objednávce se uvádí: | – název |
| – počet kusů | |
| – objednací číslo dle tabulky (viz 4. strana kat. listu) | |
| Příklad objednávky: | Odporový snímač teploty bez jímky MODEL 131- Pt 100 – CLAMP 6ks |
| obj. č.: 131- Pt 100 – CLAMP 150 250 1 A4 1 | |
| TAB.1: Časová konstanta snímače teploty | ||||||||
| Délka nástavku | H=150mm | H=400mm | ||||||
| Délka stonku | 160 | 250 | 400 | 630 | 160 | 250 | 400 | 630 |
| vzduch 3 m/s | 95s | 96s | 96s | 97s | 95s | 96s | 96s | 97s |
| vířící voda | 25s | 26s | 26,5s | 34s | 25s | 26,5s | 27s | 35s |
| TAB. 2: maximální rychlost proudění měřícího média | ||||
| Médium | Délka stonku L [mm] | |||
| 160 | 250 | 400 | 630 | |
| vodní pára a vzduch [m/s] | 25 | 25 | 2,5 | 1 |
| voda [m/s] | 3 | 3 | 1,5 | 0,2 |
| TAB. 3: Odolnost a stálost proti vibracím | ||||
| Parametry mechanického kmitání | Délka stonku L [mm] | |||
| 160 | 250 | 400 | 630 | |
| frekvence [Hz] | 10 až 500 | |||
| amplituda posuvu [mm] | 0,2 | 0,15 | 0,15 | 0,075 |
| zrychlení [m.s-2] | 29,4 | 19,6 | 19,6 | 9,8 |






- 132 – 338 PtTI
Odporový snímač teploty prostorový s nerezovou hlavicí a převodníkem T/I.
Více informací o produktu:
- Popis produktu
- Použití
- Materiál a povrchová úprava
- Montáž a připojení
- Pracovní podmínky
- Technické parametry snímače
- Technická data převodníku
- Způsob objednávání
- TAB. 1: Maximální rychlost proudění měřícího média
- TAB. 2: Odolnost a stálost proti vibracím
- Obr. 1: Rozměrový výkres snímače
- Obr. 2: Zapojení snímače do měřicího obvodu
Odporový snímač teploty prostorový s nerezovou hlavicí a převodníkem T/I
Vodiče z měřicí vložky jsou vedeny do hlavice z nerezové oceli s převodníkem a výstupní svorkovnicí. Převodník pracuje jako pasivní vysílač v proudové smyčce. Výstupní signál je lineární s teplotou. Signál z odporového teplotního snímače Pt 100 je přiveden do převodníku dvouvodičově. Výstup převodníku slouží zároveň k jeho napájení. Je vyráběna celá řada měřících rozsahu. Standardně vyráběné měřicí rozsahy jsou uvedeny v objednací tabulce v tomto katalogovém listu. Po dohodě s výrobcem je možno vyrobit i jiné měřící rozsahy. Převodník není vybaven galvanickým oddělením.
Odporový snímač teploty je určen pro prostorové měření teploty vzduchu v teplotním intervalu -20 až +70°C. Výstup ze snímače je normalizovaný 4 ÷ 20 mA.
Hlavice je z nerezové oceli 1.4541. Stonková trubka měřicí vložky je z oceli 1.4541.
Činnost podle této statě smí vykonávat pracovníci alespoň znalí dle §5 vyhlá.ky 50/1978 Sb., resp. 51/1978 Sb. Snímač teploty s převodníkem MODEL 132 – 338 PtTI se upevňuje do sponky, která se přišroubue pomocí dvou šroubu na požadované místo. Připojovací kabely se provlečou těsnící pruchodkou a vývody se zapojí dle obr.3. Vnitřní průměr těsnění musí odpovídat průměru kabelu. Těsnící průchodka kabelu se dokonale utáhne pomocí stranového klíče OK 24. Nakonec se přišroubuje krycí víčko. Doporučuje se orientovat hlavici snímače tak, aby průchodka kabelu nebyla orientována směrem nahoru.
| Pracovní podmínky: | |
| Teplota okolního prostředí | -50 až +70°C |
| Teplota okolního prostředí | -20 až +70°C |
| Relativní vlhkost | do 95% (při teplotě okolí +40°C) |
| Atmosférický tlak | 84 až 107 kPa |
Snímače se mohou umístit v libovolné poloze tak, aby vývodka nebyla situována směrem nahoru.
Snímač je možno použít pro maximální teplotu měřeného média +70°C (platí pro případ, kdy je hlavice teploměru ve stejném prostředí jako stonková trubka).
| Technické parametry snímače: | |
| – Teplotní senzor | Pt 100 dle ČSN 25 8306 (DIN 43 760, IEC 751) |
| – Zapojení senzoru | dvouvodičově |
| – Třída přesnosti | B dle ČSN 25 8306 (IEC 751) |
| – Přesnost čidla Pt 100B | Dt = ±(0.30 + 0.005 x |t|) [°C] |
| – Celková chyba snímače | je dána součtem chyb čidla teploty a převodníku |
| – Izolační odpor v normálním prostředí | min. 20 M Ωů |
| – Elektrická pevnost izolace | 500 V / 50 Hz |
| – Krytí svorkovnice | IP 55 |
| – Odolnost proti přepětí na napájení | 60 V / 1 ms |
| – Přípustný průřez připojovacích vodičů | 0,5 až 2,5 mm⊃; |
| – Max. rychlost proudění měřeného média | viz tab.1 |
| – Odolnost a stálost proti vibracím | viz tab.2 |
| Technická data převodníku: | ||
| – napájecí napětí převodníku | 12 až 30 VDC (ochrana proti přepólování napájecího napětí) | |
| – max. hodnota zatěžovacího odporu v proudové | ||
| smyčce při Vs = 24 V DC | 600 Ω | |
| – výstupní signál | 4 až 20 mA | |
| – linearizace | průběh R/T je linearizován | |
| – proud protékající čidlem teploty | < 1 mA | |
| – proud při přerušení čidla teploty | < 28 mA | |
| – proud při zkratu čidla teploty | < 3,9 mA | |
| – chyby (ČSN IEC 770) | – základní chyba | 0.1% |
| – hystereze | 0.02% | |
| – opakovatelnost | 0.03% | |
| – linearita | 0.04% | |
| – teplotní závislosti (ČSN IEC 770) | – chyba nuly | 0.1% / 10K |
| – chyba rozpětí | 0.1% / 10K | |
| – max. chyba | 0.2% / 10K | |
| – napěťové závislosti (ČSN IEC 770) | < 0,008% / 1V | |
| – vliv zatěžovacího odporu | < 0.01% / 100 Ω | |
| – odolnost proti rušení | dle IEC 801 | |
| – dlouhodobá stabilita a drift převodníku | 0.006% / 500 hodin | |
| – měřicí rozsahy | viz. Objednací tabulka | |
| Způsob objednávání: | |
| V objednávce se uvádí: | – název |
| – počet kusů | |
| – objednací číslo dle tabulky (viz 4. strana kat. listu) | |
| Příklad objednávky: | Odporový snímač teploty bez jímky MODEL 132 – 338 PtTI 6ks |
| obj. č.: 132 – 338 PtTI 100 0 ÷ +50°C | |
| TAB. 1: Maximální rychlost proudění měřícího média | ||||
| Médium | Délka stonku L [mm] | |||
| 160 | 250 | 400 | 630 | |
| vodní pára a vzduch [m/s] | 25 | 25 | 2,5 | 1 |
| voda [m/s] | 3 | 3 | 1,5 | 0,2 |
| TAB. 2: Odolnost a stálost proti vibracím | ||||
| Parametry mechanického kmitání | Délka stonku L [mm] | |||
| 160 | 250 | 400 | 630 | |
| frekvence [Hz] | 10 až 500 | |||
| amplituda posuvu [mm] | 0,2 | 0,15 | 0,15 | 0,075 |
| zrychlení [m.s-2] | 29,4 | 19,6 | 19,6 | 9,8 |


- 132 – Pt 100
Odporový snímač teploty prostorový bez převodníku.
Více informací o produktu:
- Popis produktu
- Použití
- Materiál a povrchová úprava
- Montáž a připojení
- Pracovní podmínky
- Technické parametry snímače
- Způsob objednávání
- TAB. 1: Časová konstanta snímače teploty
- TAB. 2: Maximální rychlost proudění měřícího média
- TAB. 3: Odolnost a stálost proti vibracím
- Obr. 1: Provozní tlak snímače teploty
- Obr. 2: Rozměrový výkres snímače
- Obr. 3a: Zapojení snímače do měřicího obvodu - dvouvodičově
- Obr. 3b: Zapojení snímače do měřicího obvodu - třívodičově
- Obr. 3c: Zapojení snímače do měřicího obvodu - čtyřvodičově
- Obr. 3d: Zapojení snímače do měřicího obvodu - dvojnásobný snímač
Odporový snímač teploty prostorový bez převodníku
Vodiče z měřicí vložky jsou vedeny do nerezové hlavice s výstupní svorkovnicí. Signál z odporového teplotního snímače Pt 100 je přiveden do svorkovnice dvouvodičově, třívodičově nebo čtyřvodičově.
Odporový snímač teploty je určen pro prostorové měření teploty vzduchu v teplotním intervalu -50 až +90°C.
Hlavice je z nerezové oceli 1.4541. Stonková trubka měřicí vložky je z oceli 1.4541.
Činnost podle této statě smí vykonávat pracovníci alespoň znalí dle §5 vyhlášky 50/1978 Sb., resp. 51/1978 Sb. Snímač teploty MODEL 132 – Pt 100 se upevňuje do sponky, která se přišroubuje pomocí dvou šroubů na požadované místo. Připojovací kabely se provlečou těsnící průchodkou a vývody se zapojí dle obr.3. Vnitřní průměr těsnění musí odpovídat průměru kabelu. Těsnící průchodka kabelu se dokonale utáhne pomocí stranového klíče OK 22. Nakonec se přišroubuje krycí víčko. Doporučuje se orientovat hlavici snímače tak, aby průchodka kabelu nebyla orientována směrem nahoru.
| Pracovní podmínky: | |
| Teplota okolního prostředí | -50 až +90°C |
| Relativní vlhkost | do 95% (při teplotě okolí +40°C) |
| Atmosférický tlak | 84 až 107 kPa |
Snímače se mohou umístit v libovolné poloze tak, aby vývodka nebyla situována
směrem nahoru.
| Technické parametry snímače: | ||
| – Teplotní senzor | Pt 100 dle ČSN 25 8306 (DIN 43 760, IEC 751) | |
| – Zapojení senzoru | dvouvodičově, třívodičově, čtyřvodičově | |
| – Třída přesnosti | A nebo B dle ČSN 25 8306 (IEC 751) | |
| – Přesnost čidla | Pt100 A | Dt = ±(0.15 + 0.002 x |t|) [°C] |
| Pt100 B | Dt = ±(0.30 + 0.005 x |t|) [°C] | |
| – Izolační odpor v normálním prostředí | min. 20 M Ωů | |
| – Elektrická pevnost izolace | 500 V / 50 Hz | |
| – Krytí svorkovnice | IP 55 | |
| – Odolnost proti přepětí na napájení | 60V / 1ms | |
| – Přípustný průřez připojovacích vodičů | 0,5 až 2,5 mm⊃; | |
| – Časová konstanta snímače | viz tab. 1 | |
| – Provozní tlak snímače | PN 16 (viz obr. 1) | |
| – Max. rychlost proudění měřeného média | viz tab.2 | |
| – Odolnost a stálost proti vibracím | viz tab.3 | |
| Způsob objednávání: | |
| V objednávce se uvádí: | – název |
| – počet kusů | |
| – objednací číslo dle tabulky (viz 4. strana kat. listu) | |
| Příklad objednávky: | Odporový snímač teploty bez jímky MODEL 132 – Pt 100 160 B21 1 6ks |
| obj. č.: 132 – Pt 100 160 B21 1 | |
| TAB. 1: Časová konstanta snímače teploty | ||||||||
| Délka nástavku | H=150mm | H=400mm | ||||||
| Délka stonku | 160 | 250 | 400 | 630 | 160 | 250 | 400 | 630 |
| vzduch 3 m/s | 95s | 96s | 96s | 97s | 95s | 96s | 96s | 97s |
| vířící voda | 25s | 26s | 26,5s | 34s | 25s | 26,5s | 27s | 35s |
| TAB. 2: Maximální rychlost proudění měřícího média | ||||
| Médium | Délka stonku L [mm] | |||
| 160 | 250 | 400 | 630 | |
| vodní pára a vzduch [m/s] | 25 | 25 | 2,5 | 1 |
| voda [m/s] | 3 | 3 | 1,5 | 0,2 |
| TAB. 3: Odolnost a stálost proti vibracím | ||||
| Parametry mechanického kmitání | Délka stonku L [mm] | |||
| 160 | 250 | 400 | 630 | |
| frekvence [Hz] | 10 až 500 | |||
| amplituda posuvu [mm] | 0,2 | 0,15 | 0,15 | 0,075 |
| zrychlení [m.s-2] | 29,4 | 19,6 | 19,6 | 9,8 |






- 141 – 438 PtTI – CLAMP
Odporový snímač teploty sterilizační s kabelovou průchodkou a převodníkem T/I.
Více informací o produktu:
- Popis produktu
- Použití
- Materiál a povrchová úprava
- Montáž a připojení
- Pracovní podmínky
- Technické parametry snímače
- Technická data převodníku
- Způsob objednávání
- TAB. 1: Časová konstanta snímače teploty
- TAB. 2: Maximální rychlost proudění měřícího média
- TAB. 2: Maximální rychlost proudění měřícího média
- TAB. 3: Odolnost a stálost proti vibracím
- Obr. 1: Rozměrový výkres snímače
- Obr. 2: Zapojení snímače do měřicího obvodu
Odporový snímač teploty sterilizační s kabelovou průchodkou a převodníkem T/I
Vodiče z měřicí vložky jsou vedeny do nerezové hlavice s převodníkem a výstupní svorkovnicí. Nástavek je opatřen clampem o rozměru DN40 (jiný rozměr po konzultaci s výrobcem) pro upevnění snímače do příslušné armatury. Převodník pracuje jako pasivní vysílač v proudové smyčce. Výstupní signál je lineární s teplotou. Signál z odporového teplotního snímače Pt 100 je přiveden do převodníku dvouvodičově. Výstup převodníku slouží zároveň k jeho napájení. Je vyráběna celá řada měřicích rozsahů. Standardně vyráběné měřicí rozsahy jsou uvedeny v objednací tabulce v tomto katalogovém listu. Po dohodě s výrobcem je možno vyrobit i jiné měřicí rozsahy. Převodník není vybaven galvanickým oddělením.
Odporový snímač teploty je určen pro dálkové měření teploty tekutin, páry, vzduchu a jiných médií v teplotním intervalu -50 a. +150°C.
Snímač je použitelný všeobecně v potravinářství a biochemickém průmyslu, např. ke kontrole teplotních poměrů sterilizačních procesů ve fermentačních nebo jiných zařízeních bioprocesů. Jeho konstrukční provedení neovlivňuje aseptivnost místa instalace, přičemž umožňuje snadnou údržbu sterilního prostředí v místě instalace. Další výhodou je snadná a rychlá montáž i demontáž snímače. V případě potřeby můžeme vyrobit a dodat protikus teploměru dle konkrétní aplikace. Výstup ze snímače je normalizovaný 4 ÷ 20 mA.
Hlavice je z nerezové oceli 1.4541 (17 248) , Nástavek je z oceli tř.1.4541 (17 248), leštěn. Stonková trubka měřicí vložky je z oceli 1.4541, leštěna. Clamp je vyroben z oceli 1.4404 (17 349).
Činnost podle této statě smí vykonávat pracovníci alespoň znalí dle §5 vyhlášky 50/1978 Sb., resp. 51/1978 Sb. Snímač teploty s převodníkem MODEL 141 – 438 PtTI – CLAMP se upevňuje do příslušného protikusu pomocí stahovací objímky. K utěsnění se použije těsnící podložka. Připojovací kabely se provlečou těsnící průchodkou a vývody se zapojí dle obr.2. Vnitřní průměr těsnění musí odpovídat průměru kabelu. Přišroubujeme krycí víčko pomocí stranového klíče OK 19. Těsnící průchodka kabelu se dokonale utáhne pomocí stranového klíče OK 18.
| Pracovní podmínky: | |
| Teplota okolního prostředí | -20 až +70°C |
| Relativní vlhkost | do 95% (při teplotě okolí +40°C) |
| Atmosférický tlak | 84 až 107 kPa |
Snímač je možno použít pro maximální teplotu měřeného média +150°C.
| Technické parametry snímače: | |
| – Teplotní senzor | Pt 100 dle ČSN 25 8306 (DIN 43 760, IEC 751) |
| – Zapojení senzoru | dvouvodičově |
| – Třída přesnosti | B dle ČSN 25 8306 (IEC 751) |
| – Přesnost čidla Pt 100B | Dt = ±(0.30 + 0.005 x |t|) [°C] |
| – Celková chyba snímače | je dána součtem chyb čidla teploty a převodníku |
| – Izolační odpor v normálním prostředí | min. 20 M Ωů |
| – Elektrická pevnost izolace | 500 V / 50 Hz |
| – Krytí svorkovnice | IP 55 |
| – Odolnost proti přepětí na napájení | 60 V / 1 ms |
| – Přípustný průřez připojovacích vodičů | 0,5 až 2,5 mm⊃; |
| – Časová konstanta snímače | viz tab.1 |
| – Provozní tlak snímače | PN 16 (do světlosti DN 100) |
| – Max. rychlost proudění měřeného média | viz tab.2 |
| – Odolnost a stálost proti vibracím | viz tab.3 |
| Technická data převodníku: | ||
| – napájecí napětí převodníku | 12 až 30 VDC (ochrana proti přepólování napájecího napětí) | |
| – max. hodnota zatěžovacího odporu v proudové | ||
| smyčce při Vs = 24 V DC | 600 Ω | |
| – výstupní signál | 4 až 20 mA | |
| – linearizace | průběh R/T je linearizován | |
| – proud protékající čidlem teploty | < 1 mA | |
| – proud při přerušení čidla teploty | < 28 mA | |
| – proud při zkratu čidla teploty | < 3,9 mA | |
| – chyby (ČSN IEC 770) | – základní chyba | 0.1% |
| – hystereze | 0.02% | |
| – opakovatelnost | 0.03% | |
| – linearita | 0.04% | |
| – teplotní závislosti (ČSN IEC 770) | – chyba nuly | 0.1% / 10K |
| – chyba rozpětí | 0.1% / 10K | |
| – max. chyba | 0.2% / 10K | |
| – napěťové závislosti (ČSN IEC 770) | < 0,008% / 1V | |
| – vliv zatěžovacího odporu | < 0.01% / 100 Ω | |
| – odolnost proti rušení | dle IEC 801 | |
| – dlouhodobá stabilita a drift převodníku | 0.006% / 500 hodin | |
| – měřicí rozsahy | viz. Objednací tabulka | |
| Způsob objednávání: | |
| V objednávce se uvádí: | – název |
| – počet kusů | |
| – objednací číslo dle tabulky (viz 4. strana kat. listu) | |
| Příklad objednávky: | Odporový snímač teploty bez jímky MODEL 141-438 PtTI-CLAMP 6ks |
| obj. č.:141-438 PtTI-CLAMP 70 250 1 0 ÷ +100°C | |
| TAB. 1: Časová konstanta snímače teploty | ||||||||
| Délka nástavku | H=150mm | H=400mm | ||||||
| Délka stonku | 160 | 250 | 400 | 630 | 160 | 250 | 400 | 630 |
| vzduch 3 m/s | 95s | 96s | 96s | 97s | 95s | 96s | 96s | 97s |
| vířící voda | 25s | 26s | 26,5s | 34s | 25s | 26,5s | 27s | 35s |
| TAB. 2: Maximální rychlost proudění měřícího média | ||||
| Médium | Délka stonku L [mm] | |||
| 160 | 250 | 400 | 630 | |
| vodní pára a vzduch [m/s] | 25 | 25 | 2,5 | 1 |
| voda [m/s] | 3 | 3 | 1,5 | 0,2 |
| TAB. 2: Maximální rychlost proudění měřícího média | ||||
| Médium | Délka stonku L [mm] | |||
| 160 | 250 | 400 | 630 | |
| vodní pára a vzduch [m/s] | 25 | 25 | 2,5 | 1 |
| voda [m/s] | 3 | 3 | 1,5 | 0,2 |
| TAB. 3: Odolnost a stálost proti vibracím | ||||
| Parametry mechanického kmitání | Délka stonku L [mm] | |||
| 160 | 250 | 400 | 630 | |
| frekvence [Hz] | 10 až 500 | |||
| amplituda posuvu [mm] | 0,2 | 0,15 | 0,15 | 0,075 |
| zrychlení [m.s-2] | 29,4 | 19,6 | 19,6 | 9,8 |


- TAB – 01 – Ex
Odporový snímač teploty do prostředí s nebezpečím výbuchu.
Více informací o produktu:
- Popis produktu
- Použití
- Montáž a připojení
- Pracovní podmínky
- Technické parametry snímače
- Další parametry související s nevýbušností
- Způsob objednávání
- Obr. 1: Rozměrový výkres snímače
- Obr. 2: Zapojení snímače
Odporový snímač teploty do prostředí s nebezpečím výbuchu
Snímač je určen k průmyslovému měření teploty kapalin a plynů, zejména v prostředí s nebezpečím výbuchu.
TAB-01-Ex se na objekt montuje zašroubováním do otvoru s předepsaným závitem. K utěsnění se použije podložka. Uchycení kabelu pozice (6) je pevné nepohyblivé. Minimální poloměr ohybu kabelu je 15x Φ kabelu. Pokud bude připojovací konec kabelu v prostředí s nebezpečím výbuchu, musí se použít schválená propojovací krabice v nevýbušném provedení Exd nebo Exe. Snímač TAB-01-Ex je dovoleno šroubovat a dotahovat pouze klíčem OK 22 na matici, pozice (3) viz obr. 1. Do svorky pro vzájemné pospojování je možné připojit vodič o průřezu 2,5 až 4 mm². Snímač nevyžaduje během provozu žádnou údržbu.
| Pracovní podmínky: | |
| Teplota okolního prostředí | -50 až +100°C |
| Relativní vlhkost | do 95% (při teplotě okolí +40°C) |
| Atmosférický tlak | 84 až 107 kPa |
Snímače se mohou umístit v libovolné poloze tak, aby vývodka nebyla situována směrem nahoru.
| Technické parametry snímače: | |
| – Teplotní senzor | Pt 100 dle ČSN EN 60751 |
| – Zapojení senzoru | čtyřvodičově |
| – Třída přesnosti | B (nebo A) |
| – Měřící rozsah | -20 až +80°C |
| – Teplota okolí | -20 až +60°C |
| – Průměr kabelu | Φ 7 mm |
| – Průřez vodičů | 0,75 mm⊃; |
| – Minimální poloměr ohybu kabelu | 15x Φ kabelu |
| – Délka kabelu | dle dohody |
| – Krytí | IP 68 |
| – Materiál pouzdra | Nerez 17 240 (DIN 1.4301) |
| – Kabelová vývodka | Exd , materiál Ms-Ni |
| Další parametry související s nevýbušností: | |
| – Teplotní třída | T6 |
| – Specifikace nevýbušného zařízení | Ex II 2G Exd IIC T6 Gb |
| – Certifikováno zkušebnou FTZÚ Ostrava-Radvanice pod č. FTZÚ 12 ATEX 0077X | |
| Způsob objednávání: | |
| V objednávce se uvádí: | – název |
| – počet kusů | |
| – objednací číslo dle tabulky | |
| Příklad objednávky: | Odporový snímač teploty bez jímky MODEL TAB-01-Ex 6ks |
| obj. č.: TAB-01-Ex 70 1 2000 1 | |


- VTS – 01
Odporový snímač teploty s digitálním zobrazením a s bateriovým napájením.
Více informací o produktu:
- Popis produktu
- Použití
- Materiál a povrchová úprava:
- Pracovní podmínky
- Technické parametry snímače
- Technická data převodníku
- Způsob objednávání
- Obr. 1: Rozměr hlavice
- Obr. 2: Detail hlavice
- Obr. 3: Detail měřícího konce
Odporový snímač teploty s digitálním zobrazením a s bateriovým napájením
Čidlo snímače je uloženo v nerezovém pouzdru, na kterém je našroubována plastová hlavice zobrazovače s převodníkem.
Odporový snímač teploty je určen pro místní měření teploty sypkých materiálů v teplotním rozmezí -50 až +150°C. Snímač je použitelný všeobecně v průmyslu a zemědělství.
Pouzdro je z nerezové oceli 1.4301.
| Pracovní podmínky: | |
| Teplota okolního prostředí | -20 až +70°C |
| Relativní vlhkost | do 95% (při teplotě okolí +40°C) |
| Atmosférický tlak | 84 až 107 kPa |
Snímač je možno použít krátkodobě pro maximální teplotu měřeného média +180°C.
| Technické parametry snímače: | |
| – Třída přesnosti | B dle ČSN 25 8306 (IEC 751) |
| – Přesnost čidla Pt 100B | Dt = ±(0.30 + 0.005 x |t|) [°C] |
| – Teplotní rozsah | -50 až +150 °C |
| – TCR | 3850 ppm/K |
| – Krytí přístroje | IP 65 |
| – Izolační odpor v normálním prostředí | min. 20 M Ωů |
| – Délka stonku snímače | 3 000 mm (vyráběné rozmezí délek 500 – 4000 mm odstupňované po 500 mm, ostatní délky po konzultaci) |
| – Průměr stonku snímače | 14 mm |
| Technická data převodníku: | ||
| – měřící rozsah | -20 až +150 °C | |
| – linearizace | průběh R/T je linearizován | |
| – chyby (ČSN IEC 770) | – základní chyba | 0.15% |
| – hystereze | 0.03% | |
| – opakovatelnost | 0.05% | |
| – linearita | 0.25% | |
| Způsob objednávání: | |
| V objednávce se uvádí: | – název |
| – počet kusů | |
| – objednací číslo dle tabulky (viz 2. strana kat. listu) | |
| Příklad objednávky: | Odporový snímač teploty s digitálním zobrazením VTS-01 20ks |
| obj. č.: VTS-01 3000 120/50 | |
Obr. 1: Rozměr hlaviceObr. 2: Detail hlavice



Kontakty
TRESTON spol. s r.o.
Částkov 40
687 12 Bílovice
+420 572 580 022 (obchodní oddělení)