Převodníky průmyslových signálů na lištu DIN TS-35 (IP 20)
- 222-850 V2 SMART
Programovatelný převodník s možností nastavení libovolného vstupního signálu od senzorů Pt, Ni, termočlánků, dále R, U, I. Výstup 4 až 20mA, galvanicky oddělen vstup a výstup, programování z PC přes komunikační interface a konektor na převodníku.
Více informací o produktu:
- Popis produktu
- Použití
- Pracovní podmínky
- Návod k instalaci
- Technická data převodníku
- Provozní podmínky zařízení
- TAB.1: Varianty vstupních signálů
- Způsob objednávání
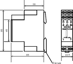
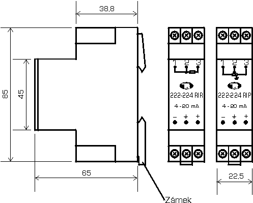
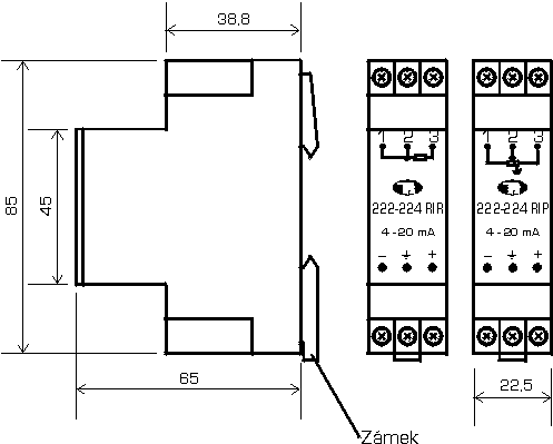
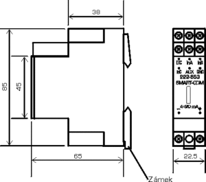
- Obr.1: Zástavbové rozměry
- Obr.2: Zapojení vstupů programovatelného převodníku
- Obr.3: Zapojení výstupu programovatelného převodníku
- Obr.4: Zapojení při programování převodníku
Programovatelný měřicí převodník do proudové smyčky 4 ÷ 20mA na lištu DIN TS35
222 – 850 V2 SMART je mikroprocesorem řízený měřicí převodník s digitálním zpracováním signálu. Je zabudován do krabičky umožňující jeho uchycení na normalizovanou lištu DIN TS35. Převodník pracuje jako pasivní vysílač v proudové smyčce. Výstup převodníku slouží zároveň k jeho napájení.Převodník je vybaven galvanickým oddělením vstupu proti výstupu.Programově pomocí počítače PC lze nastavit typ vstupního signálu (Pt, Ni, termočlánek apod.), měřicí rozsah a požadavek na linearizaci vstupního signálu, případně požadavek na reverzaci výstupního signálu.Standardně je dodáván v naprogramovaném stavu dle přání a požadavků zákazníka. Pro uživatelské programování u zákazníka je dodáván také příslušný software,který však není součástí standardní dodávky a jež lze zakoupit jako příslušenství.
Programovatelný měřicí převodník je určen pro převod průmyslových signálů z měřicích snímačů teploty, polohy, tlaku a pod. na unifikovaný výstupní signál 4 až 20 mA v proudové smyčce
Teplota v okolí krabičky s převodníkem smí dosáhnout za provozu max. +70°C (na přání zákazníka za příplatek až +85°C).Převodník je možno umístit v libovolné poloze.
Činnost podle této statě smí vykonávat pracovníci alespoň znalí dle §5 vyhlášky 50/1978 Sb., resp. 51/1978 Sb.Převodník 222-850 V2 SMART se upevňuje nasunutím na lištu DIN TS35. Nejprve nasadíme horní trn držáku krabičky na horní hranu lišty a pomocí šroubováku (max. 4x1mm) povysuneme jemným páčením zámek dolního aretačního trnu. Dotlačíme spodní část krabičky na lištu a poté zámek uvolníme. Tím se krabička přichytí na lištu. Obdobně lze krabičku z lišty sejmout. Připojovací kabely se zapojí dle obr.2.K napájení převodníku se doporučuje stabilizovaný zdroj UNAZ 24V/1,5W (výrobce TRESTON spol. s r.o.).
| Technická data převodníku: | ||
| – napájecí napětí převodníku | 10 až 30 VDC (ochrana proti přepólování napájecího napětí) | |
| – max. hodnota zatěžovacího odporu v proudové smyčce | Rzmax = (Vs – 10)/0,02 [ Ω,V] | |
| – vstupní signál | viz. tab.1 | |
| – výstupní signál | 4 až 20 mA ( možnost reverzní charakteristiky 20 až 4 mA) | |
| – galvanické oddělení vstupu od výstupu | 500 VAC (zkušební napětí) | |
| – linearizace | průběh vstupního signálu je možno linearizovat programově | |
| – indikace chyby snímače | podproud | <4 mA |
| nadproud | >20 mA | |
| – proud při přerušení snímače | max. 25 mA | |
| – programový filtr – časová konstanta | 1 až 100 sec (volitelné) | |
| – chyba měření pro všechny povolené rozsahy | ||
| – Pt, Ni | max. ±(0,1% + 0,1°C) – pro čtyřvodičové zapojení *) | |
| max. ±(0,15% + 0,15°C) – pro třívodičové zapojení *) | ||
| – termočlánek E, J, K, L, T | max. ±(0,1% + 0,1°C) – bez kompenzace studeného konce *) | |
| – termočlánek B, S, R | max. ±(0,1% + 0,22°C) – bez kompenzace studeného konce *) | |
| – R, potenciometr | max. ±(0,1% + 50 m Ω) *) | |
| – U | max. ±(0,1% + 50mV) *) | |
| – chyba kompenzace studeného konce | max. ±0,5°C | |
| – teplotní závislosti | – Pt, Ni | max. ±(0,01% + 0,01°C)/K – pro čtyřvodičové zapojení |
| – termočlánek E, J, K, L, T | max. ±(0,01% + 0,01°C)/K | |
| – termočlánek B, S, R | max. ±(0,01% + 0,2°C)/K | |
| – R, potenciometr | max. ±(0,01% + 5 m Ω)/K | |
| – U | max. ±(0,01% + 5mV)/K | |
| – napěťové závislosti (ČSN IEC 770) | < 0,005% / 1V ( v rozsahu 10 až 30 VDC) | |
| – vliv zatěžovacího odporu | < 0.06% /100 Ωů ( v rozsahu 1 až 600 Ω) | |
| – odolnost proti rušení | dle IEC 801, ČSN EN 60 801-2 | |
| – dlouhodobá stabilita a drift převodníku | 0.025% / 500 hodin | |
*) procentuální chyby se vztahují k rozpětí
| Provozní podmínky zařízení: | ||
| – teplota okolního prostředí | 0 až +70°C (-40 až +85°C) | |
| – relativní vlhkost | 40 až 70% | |
| – atmosférický tlak | 84 až 107 kPa | |
| – krytí | IP 20 | |
| – přípustný průřez připojovacích vodičů | 0,35 až 4 mm² | |
| – šířka modulu | 22,5 mm | |
| – materiál krabičky | NORYL | |
| – odolnost krabičky proti teplotě | rozměrová stálost do +120°C | |
| – odolnost krabičky proti ohni | samozhášivý plast | |
| – odolnost a stálost proti vibracím | 10 až 60 Hz | 0.14 mm (amplituda) |
| 60 až 500 Hz | 19.6 m/s² (špičkové zrychlení) | |
| TAB.1: Varianty vstupních signálů | ||||
TYP |
MĚŘICÍ ROZSAH |
MIN. ROZPĚTÍ |
POZNÁMKA |
|
| ODPOROVÉ SNÍMAČE TEPLOTY | ||||
| Pt 100 ( a = 0,00385 /°C) | -200 ÷ 850°C | 25 K | Připojení snímače 2, 3, 4vodičově. 3 a 4vodičové zapojení kompenzuje vliv odporu přívodů. | |
| Pt 1000 ( a = 0,00385 /°C) | -200 ÷ 850°C | 25 K | Nastavitelný začátek a konec měřicího rozsahu. Jiné snímače lze naprogramovat po dohodě s výrobcem. | |
| Ni 100 ( a = 0,00618 /°C) | -60 ÷ 180°C | 20 K | Připojení snímače 2, 3, 4vodičově. 3 a 4vodičové zapojení kompenzuje vliv odporu přívodů. | |
| Ni 1000 ( a = 0,00618 /°C) | -60 ÷ 180°C | 20 K | Nastavitelný začátek a konec měřicího rozsahu. Jiné snímače lze naprogramovat po dohodě s výrobcem. | |
| TERMOČLÁNKY | ||||
| B (Pt30Rh – Pt6Rh) | +100 ÷ 1820°C | 500 K | Zaručované chyby měření v těchto intervalech: | +500°C ÷ 1820°C |
| E (NiCr – CuNi) | -200 ÷ 1000°C | 100 K | -200°C ÷ 0°C; 0°C ÷ 1000°C; -50°C ÷ 200°C | |
| J (Fe – CuNi) | -100 ÷1200°C | 100 K | -100°C ÷ 0°C; 0°C ÷ 1200°C; -50°C ÷ 200°C | |
| K (NiCr – NiAl) | -200 ÷ 1370°C | 100 K | -200°C ÷ 0°C; 0°C ÷ 1370°C; -50°C ÷ 200°C | |
| L (NiCr – CuNi) | -200 ÷ 900°C | 100 K | -200°C ÷ 0°C; 0°C ÷ 800°C; -50°C ÷ 200°C | |
| R (Pt13Rh – Pt) | 0 ÷ 1767°C | 500 K | +100°C ÷ 1767°C | |
| S (Pt10Rh – Pt) | 0 ÷ 1767°C | 500 K | +100°C ÷ 1767°C | |
| T (Cu – CuNi) | -200 ÷ 400°C | 100 K | -200°C ÷ 0°C; 0°C ÷ 400°C; -50°C ÷ 200°C | |
| Nastavitelný začátek a konec měřicího rozsahu. Jiné typy termočlánků lze naprogramovat po dohodě s výrobcem. | Měření teploty studeného konce:interně Ni 100 (Pt100), externě Pt 100, Ni 100 (připojeno třívodičově) | |||
| ODPOROVÉ VYSÍLAČE | ||||
| POTENCIOMETR | 0 ÷ 4000 Ω | 20 | Nastavitelný začátek a konec měřicího rozsahu. Připojení potenciometru 3 nebo 4vodičově. 4vodičové zapojení kompenzuje vliv odporu přívodů. | |
| REOSTAT | 0 ÷ 4000 Ω | 20 | Nastavitelný začátek a konec měřicího rozsahu. Připojení reostatu 2, 3 nebo 4vodičově. 3 a 4vodičové zapojení kompenzuje vliv odporu přívodů. | |
| OSTATNÍ | ||||
| stejnosměrné napětí | 0 ÷ 1 V | 5 mV | ||
| stejnosměrný proud | 0 ÷ 200 mA | 40 mA | Bočníkový odpor 5 Ωů | |
| 0 ÷ 20 mA | 4 mA | Bočníkový odpor 50 Ωů | ||
| 0 ÷ 2 mA | 0,4 mA | Bočníkový odpor 500 Ωů | ||
| 0 ÷ 0,2 mA | 0,04 mA | Bočníkový odpor 5000 Ωů | ||
| Způsob objednávání: | |
| V objednávce se uvádí: | – počet kusů |
| – název | |
| – objednací číslo dle tab.2 | |
| Příklad objednávky: | 6 ks programovatelný převodník MODEL 222 – 850 V2 SMART |
| obj. č.: 222-850 V2 SMART 1 3 1 0 0 2 010 -100/+500 | |
| V případě objednávky komunikačního rozhraní s kabelem a softwarového vybavení: | komunikační rozhraní s kabelem 6 ks |
| programovací software SW 222-850 V2 SMART – licence pro 6 instalací | |




- 222-852 SMART-H
Programovatelný převodník s možností nastavení libovolného vstupního signálu od senzorů Pt, Ni, termočlánků, dále R, U, I. Výstup 4 až 20mA, galvanicky oddělen vstup a výstup, programování přes výstupní proudovou smyčku.
Více informací o produktu:
- Popis produktu
- Použití
- Pracovní podmínky
- Návod k instalaci
- Technická data převodníku
- Provozní podmínky zařízení
- TAB. 1: Varianty vstupních signálů
- Způsob objednávání
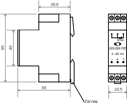
- Obr.1: Zástavbové rozměry
- Obr.2: Zapojení vstupů programovatelného převodníku
- Obr.3: Zapojení výstupu programovatelného převodníku
Programovatelný měřicí převodník do proudové smyčky 4 ÷ 20mA na lištu DIN TS35
222 – 852 SMART-H je mikroprocesorem řízený měřicí převodník s digitálním zpracováním signálu. Je zabudován do krabičky umožňující jeho uchycení na normalizovanou lištu DIN TS35. Převodník pracuje jako pasivní vysílač v proudové smyčce. Výstup převodníku slouží zároveň k jeho napájení. Programování a komunikace s převodníkem je realizováno prostřednictvím výstupní proudové smyčky. Převodník je vybaven galvanickým oddělením vstupu proti výstupu.Programově pomocí počítače PC lze nastavit typ vstupního signálu (Pt, Ni, termočlánek apod.), měřicí rozsah a požadavek na linearizaci vstupního signálu, případně požadavek na reverzaci výstupního signálu.Standardně je dodáván v naprogramovaném stavu dle přání a požadavků zákazníka. Pro uživatelské programování u zákazníka je dodáván také příslušný software,který však není součástí standardní dodávky a jež lze zakoupit jako příslušenství. Systém komunikace převodníku s okolím je kompatabilní s HART protokolem.
Programovatelný měřicí převodník je určen pro převod průmyslových signálů z měřicích snímačů teploty, polohy, tlaku a pod. na unifikovaný výstupní signál 4 až 20 mA v proudové smyčce.
Teplota v okolí krabičky s převodníkem smí dosáhnout za provozu max. +70°C (na přání zákazníka za příplatek až +85°C). Převodník je možno umístit v libovolné poloze.
Činnost podle této statě smí vykonávat pracovníci alespoň znalí dle §5 vyhlášky 50/1978 Sb., resp. 51/1978 Sb.Převodník 222-852 SMART-H se upevňuje nasunutím na lištu DIN TS35. Nejprve nasadíme horní trn držáku krabičky na horní hranu lišty a pomocí šroubováku (max. 4x1mm) povysuneme jemným páčením zámek dolního aretačního trnu. Dotlačíme spodní část krabičky na lištu a poté zámek uvolníme. Tím se krabička přichytí na lištu. Obdobně lze krabičku z lišty sejmout. Připojovací kabely se zapojí dle obr.2.K napájení převodníku se doporučuje stabilizovaný zdroj UNAZ 24V/1,5W (výrobce TRESTON spol. s r.o.).
| Technická data převodníku: | ||
| – napájecí napětí převodníku | 10 až 30 VDC (ochrana proti přepólování napájecího napětí) | |
| – max. hodnota zatěžovacího odporu v proudové smyčce | Rzmax = (Vs – 10)/0,02 [ Ω,V] | |
| – vstupní signál | viz. tab.1 | |
| – výstupní signál | 4 až 20 mA ( možnost reverzní charakteristiky 20 až 4 mA) | |
| – galvanické oddělení vstupu od výstupu | 500 VAC (zkušební napětí) | |
| – linearizace | průběh vstupního signálu je možno linearizovat programově | |
| – indikace chyby snímače | podproud | <4 mA |
| nadproud | >20 mA | |
| – proud při přerušení snímače | max. 25 mA | |
| – programový filtr – časová konstanta | 1 až 100 sec (volitelné) | |
| – chyba měření pro všechny povolené rozsahy | ||
| – Pt, Ni | max. ±(0,08% + 0,08°C) – pro čtyřvodičové zapojení *) | |
| max. ±(0,1% + 0,1°C) – pro třívodičové zapojení *) | ||
| – termočlánek E, J, K, L, T | max. ±(0,08% + 0,1°C) – bez kompenzace studeného konce *) | |
| – termočlánek B, S, R | max. ±(0,1% + 0,22°C) – bez kompenzace studeného konce *) | |
| – R, potenciometr | max. ±(0,1% + 50 m Ω) *) | |
| – U | max. ±(0,1% + 50mV) *) | |
| – chyba kompenzace studeného konce | max. ±0,5°C | |
| – teplotní závislosti | – Pt, Ni | max. ±(0,01% + 0,01°C)/K – pro čtyřvodičové zapojení |
| – termočlánek E, J, K, L, T | max. ±(0,01% + 0,01°C)/K | |
| – termočlánek B, S, R | max. ±(0,01% + 0,2°C)/K | |
| – R, potenciometr | max. ±(0,01% + 5 m Ω)/K | |
| – U | max. ±(0,01% + 5mV)/K | |
| – napěťové závislosti (ČSN IEC 770) | < 0,005% / 1V ( v rozsahu 10 až 30 VDC) | |
| – vliv zatěžovacího odporu | < 0.06% /100 Ωů ( v rozsahu 1 až 600 Ω) | |
| – odolnost proti rušení | dle IEC 801, ČSN EN 60 801-2 | |
| – dlouhodobá stabilita a drift převodníku | 0.025% / 500 hodin | |
*) procentuální chyby se vztahují k rozpětí
| Provozní podmínky zařízení: | ||
| – teplota okolního prostředí | 0 až +70°C (-40 až +85°C) | |
| – relativní vlhkost | 40 až 70% | |
| – atmosférický tlak | 84 až 107 kPa | |
| – krytí | IP 20 | |
| – přípustný průřez připojovacích vodičů | 0,35 až 4 mm² | |
| – šířka modulu | 22,5 mm | |
| – materiál krabičky | NORYL | |
| – odolnost krabičky proti teplotě | rozměrová stálost do +120°C | |
| – odolnost krabičky proti ohni | samozhášivý plast | |
| – odolnost a stálost proti vibracím | 10 až 60 Hz | 0.14 mm (amplituda) |
| 60 až 500 Hz | 19.6 m/s² (špičkové zrychlení) | |
| TAB. 1: Varianty vstupních signálů | ||||
| TYP | MĚŘICÍ ROZSAH | MIN. ROZPĚTÍ | POZNÁMKA | |
| ODPOROVÉ SNÍMAČE TEPLOTY | ||||
| Pt 100 ( a = 0,00385 /°C) | -200 ÷ 850°C | 25 K | Připojení snímače 2, 3, 4vodičově. 3 a 4vodičové zapojení kompenzuje vliv odporu přívodů. | |
| Pt 1000 ( a = 0,00385 /°C) | -200 ÷ 850°C | 25 K | Nastavitelný začátek a konec měřicího rozsahu. Jiné snímače lze naprogramovat po dohodě s výrobcem. | |
| Ni 100 ( a = 0,00618 /°C) | -60 ÷ 180°C | 20 K | Připojení snímače 2, 3, 4vodičově. 3 a 4vodičové zapojení kompenzuje vliv odporu přívodů. | |
| Ni 1000 ( a = 0,00618 /°C) | -60 ÷ 180°C | 20 K | Nastavitelný začátek a konec měřicího rozsahu. Jiné snímače lze naprogramovat po dohodě s výrobcem. | |
| TERMOČLÁNKY | ||||
| B (Pt30Rh – Pt6Rh) | +100 ÷ 1820°C | 500 K | Zaručované chyby měření v těchto intervalech: | +500°C ÷ 1820°C |
| E (NiCr – CuNi) | -200 ÷ 1000°C | 100 K | -200°C ÷ 0°C; 0°C ÷ 1000°C; -50°C ÷ 200°C | |
| J (Fe – CuNi) | -100 ÷1200°C | 100 K | -100°C ÷ 0°C; 0°C ÷ 1200°C; -50°C ÷ 200°C | |
| K (NiCr – NiAl) | -200 ÷ 1370°C | 100 K | -200°C ÷ 0°C; 0°C ÷ 1370°C; -50°C ÷ 200°C | |
| L (NiCr – CuNi) | -200 ÷ 900°C | 100 K | -200°C ÷ 0°C; 0°C ÷ 800°C; -50°C ÷ 200°C | |
| R (Pt13Rh – Pt) | 0 ÷ 1767°C | 500 K | +100°C ÷ 1767°C | |
| S (Pt10Rh – Pt) | 0 ÷ 1767°C | 500 K | +100°C ÷ 1767°C | |
| T (Cu – CuNi) | -200 ÷ 400°C | 100 K | -200°C ÷ 0°C; 0°C ÷ 400°C; -50°C ÷ 200°C | |
| Nastavitelný začátek a konec měřicího rozsahu. Jiné typy termočlánků lze naprogramovat po dohodě s výrobcem. | Měření teploty studeného konce:interně Ni 100 (Pt100), externě Pt 100, Ni 100 (připojeno třívodičově) | |||
| ODPOROVÉ VYSÍLAČE | ||||
| POTENCIOMETR | 0 ÷ 4000 Ω | 20 | Nastavitelný začátek a konec měřicího rozsahu. Připojení potenciometru 3 nebo 4vodičově. 4vodičové zapojení kompenzuje vliv odporu přívodů. | |
| REOSTAT | 0 ÷ 4000 Ω | 20 | Nastavitelný začátek a konec měřicího rozsahu. Připojení reostatu 2, 3 nebo 4vodičově. 3 a 4vodičové zapojení kompenzuje vliv odporu přívodů. | |
| OSTATNÍ | ||||
| stejnosměrné napětí | 0 ÷ 1 V | 5 mV | ||
| stejnosměrný proud | 0 ÷ 200 mA | 40 mA | Bočníkový odpor 5 Ωů | |
| 0 ÷ 20 mA | 4 mA | Bočníkový odpor 50 Ωů | ||
| 0 ÷ 2 mA | 0,4 mA | Bočníkový odpor 500 Ωů | ||
| 0 ÷ 0,2 mA | 0,04 mA | Bočníkový odpor 5000 Ωů | ||
| Způsob objednávání: | |
| V objednávce se uvádí: | – počet kusů |
| – název | |
| – objednací číslo dle tab.2 | |
| Příklad objednávky: | 6 ks programovatelný převodník MODEL 222 – 852 SMART-H |
| obj. č.: 222-852 SMART-H 1 3 1 0 0 2 010 -100/+500 | |
| V případě objednávky komunikačního rozhraní s kabelem a softwarového vybavení: | komunikační rozhraní s kabelem 6 ks |
| programovací software SW 222-852 SMART-H – licence pro 6 instalací | |
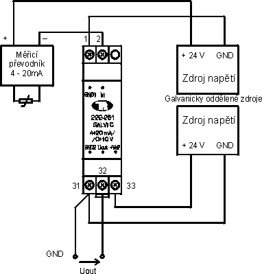
Obr.2: Zapojení vstupů programovatelného převodníku



- 222-853 SMART-ODM
Programovatelný odmocňovací převodník – určen pro odmocňovací převod vstupního signálu 4 až 20mA na unifikovaný výstupní signál 4 až 20mA v proudové smyčce.
Více informací o produktu:
- Popis produktu
- Použití
- Pracovní podmínky
- Návod k instalaci
- Technická data převodníku
- Provozní podmínky zařízení
- Způsob objednávání
- Obr.1: Zástavbové rozměry
- Obr.2: Zapojení vstupů programovatelného převodníku
- Obr.3: Zapojení výstupu programovatelného převodníku
Programovatelný odmocňovací převodník 4 ÷ 20mA / 4 ÷ 20mA na lištu DIN TS35
222 – 853SMART-ODM je mikroprocesorem řízený měřicí převodník s digitálním zpracováním signálu. Je zabudován do krabičky umožňující jeho uchycení na normalizovanou lištu DIN TS35. Převodník pracuje jako pasivní vysílač v proudové smyčce. Výstup převodníku slouží zároveň k jeho napájení. Převodník je vybaven galvanickým oddělením vstupu proti výstupu.
Převodník je určen pro odmocňovací převod vstupního signálu 4 až 20 mA na unifikovaný výstupní signál 4 až 20 mA v proudové smyčce.
Teplota v okolí krabičky s převodníkem smí dosáhnout za provozu max. +70°C (na přání zákazníka za příplatek až +85°C).Převodník je možno umístit v libovolné poloze.
Činnost podle této statě smí vykonávat pracovníci alespoň znalí dle §5 vyhlášky 50/1978 Sb., resp. 51/1978 Sb.Převodník 222-853 SMART-ODM se upevňuje nasunutím na lištu DIN TS35. Nejprve nasadíme horní trn držáku krabičky na horní hranu lišty a pomocí šroubováku (max. 4x1mm) povysuneme jemným páčením zámek dolního aretačního trnu. Dotlačíme spodní část krabičky na lištu a poté zámek uvolníme. Tím se krabička přichytí na lištu. Obdobně lze krabičku z lišty sejmout. Připojovací kabely se zapojí dle obr.2.K napájení převodníku se doporučuje stabilizovaný zdroj UNAZ 24V/1,5W (výrobce TRESTON spol. s r.o.).
| Technická data převodníku: | ||
| – napájecí napětí převodníku | 10 až 30 VDC (ochrana proti přepólování napájecího napětí) | |
| – max. hodnota zatěžovacího odporu v proudové smyčce | Rzmax = (Vs – 10)/0,02 [ Ω,V] | |
| – vstupní signál | 4 – 20 mA | |
| – výstupní signál | 4 až 20 mA ( možnost reverzní charakteristiky 20 až 4 mA) | |
| – galvanické oddělení vstupu od výstupu | 500 VAC (zkušební napětí) | |
| – linearizace | dle algoritmu zabudovaného programu | |
| – indikace chyby vstupního signálu | podproud | <4 mA |
| nadproud | >20 mA | |
| – programový filtr – časová konstanta | 1 až 100 sec (volitelné) | |
| – chyba měření | max ±(0,08%) *) | |
| – teplotní závislost | max ±(0,01%) /K | |
| – napěťové závislosti (ČSN IEC 770) | < 0,003% / 1V ( v rozsahu 10 až 30 VDC) | |
| – vliv zatěžovacího odporu | < 0.006% /100 Ωů ( v rozsahu 1 až 600 Ω) | |
| – odolnost proti rušení | dle IEC 801, ČSN EN 60 801-2 | |
| – dlouhodobá stabilita a drift převodníku | 0.025% / 500 hodin | |
*) procentuální chyby se vztahují k rozpětí
| Provozní podmínky zařízení: | ||
| – teplota okolního prostředí | 0 až +70°C (-40 až +85°C) | |
| – relativní vlhkost | 40 až 70% | |
| – atmosférický tlak | 84 až 107 kPa | |
| – krytí | IP 20 | |
| – přípustný průřez připojovacích vodičů | 0,35 až 4 mm² | |
| – šířka modulu | 22,5 mm | |
| – materiál krabičky | NORYL | |
| – odolnost krabičky proti teplotě | rozměrová stálost do +120°C | |
| – odolnost krabičky proti ohni | samozhášivý plast | |
| – odolnost a stálost proti vibracím | 10 až 60 Hz | 0.14 mm (amplituda) |
| 60 až 500 Hz | 19.6 m/s² (špičkové zrychlení) | |
| Způsob objednávání: | |
| V objednávce se uvádí: | – počet kusů |
| – název | |
| – objednací číslo dle tab.1 | |
| Příklad objednávky: | 6 ks odmocňovacích převodník MODEL 222 – 853 SMART- ODM |
| obj. č. 222 – 853 SMART – ODM 0 010 | |



- 222-224 PtTI
Převodník pro odporový vysílač teploty Pt100 s výstupem 4 – 20mA, třívodičově připojený senzor.
Více informací o produktu:
- Popis produktu
- Použití
- Pracovní podmínky
- Návod k instalaci
- Technická data
- Měřicí rozsahy
- Provozní podmínky zařízení
- Způsob objednávání
- Obr.1: Zástavbové rozměry
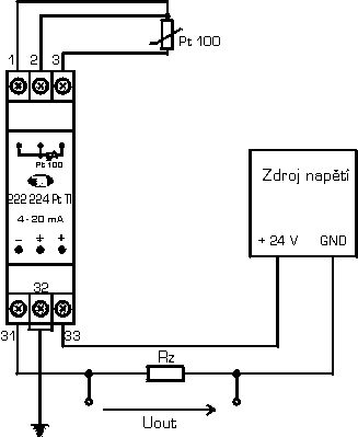
- Obr. 2: Zapojení oddělovače do obvodu
- Obr.3: Nastavovací trimry převodníku
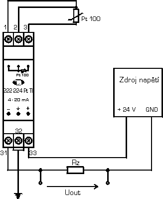
Převodník pro odporový vysílač teploty Pt 100 s proudovým výstupem 4 – 20 mA na lištu DIN TS35
Signál z teplotního vysílače je přiveden na vstup převodníku. Odpor přívodních vodičů je plně kompenzován. Obvod pracuje jako pasivní vysílač v proudové smyčce. Výstup převodníku slouží zároveň k jeho napájení.Převodník není vybaven galvanickým oddělením vstupního a výstupního signálu.
Převodník je určen pro převod signálu z odporových vysílačů teploty Pt 100 na normalizovaný proudový výstup 4 až 20 mA. Výstupní signál je lineární s teplotou.Převodník je určen pro umístění na lištu DIN TS35.
Teplota v okolí krabičky s převodníkem smí dosáhnout za provozu max. +70°C (na přání zákazníka za příplatek až +85°C).Převodník je možno umístit v libovolné poloze.
Dvouvodičové připojení odporového snímače Pt 100 může uživatel docílit propojením příslušných vývodů přímo na vstupní svorkovnici převodníku.
Činnost podle této statě smí vykonávat pracovníci alespoň znalí dle §5 vyhlášky 50/1978 Sb., resp. 51/1978 Sb.Převodník 222-224 PtTI se upevňuje nasunutím na lištu DIN TS35. Nejprve nasadíme horní trn držáku krabičky na horní hranu lišty a pomocí šroubováku (max. 4x1mm) povysuneme jemným páčením zámek dolního aretačního trnu. Dotlačíme spodní část krabičky na lištu a poté zámek uvolníme. Tím se krabička přichytí na lištu. Obdobně lze krabičku z lišty sejmout. Připojovací kabely se zapojí dle obr.2.V případě nutnosti dostavení měřicího rozsahu převodníku je možno po sejmutí víčka krabičky nastavit rozpětí a nulu převodníku pomocí hodinářského šroubováku. Pozice nastavovacích trimrů je uvedena v obr. 3.K napájení převodníku se doporučuje stabilizovaný zdroj UNAZ-DC 24V/1,5W (výrobce TRESTON spol. s r.o.).
| Technická data: | ||
| – vstupní signál | odporový snímač teploty Pt 100 | |
| dle DIN IEC 751 | ||
| – zapojení snímače | třívodičově (zcela kompenzován vliv přívodů) | |
| – měřicí rozsahy | viz. tabulka vedle | |
| – chyby | základní | 0,1% |
| (ČSN IEC 770) | hystereze | 0,02% |
| opakovatelnost | 0,015% | |
| linearita | 0,08% | |
| – teplotní závislosti | chyba nuly | 0,15% / 10K (pro rozsah 0 až +100°C) |
| (ČSN IEC 770) | chyba rozpětí | 0,1% / 10K (pro rozsah 0 až +100°C) |
| max. chyba | 0,2% / 10K (pro rozsah 0 až +100°C) | |
| – napěťové závislosti (ČSN IEC 770) | < 0,008% / 1V | |
| – vliv zatěžovacího odporu | < 0,003% / 100 Ω | |
| – napájecí napětí | 11 až 30 VDC (ochrana proti přepólování) | |
| – max. hodnota zatěžovacího odporu v proudové | ||
| smyčce při Vs = 24 V DC | 600 Ω | |
| – výstupní signál | 4 až 20 mA (linearizovaný s teplotou) | |
| – proud protékající odpor. snímačem | cca 0,5 mA | |
| – proud při přerušení odpor.snímače | max. 30 mA | |
| – proud při zkratu odpor. snímače | max. 3,9 mA | |
| – dlouhodobá stabilita a drift převodníku | 0,006% / 500 hodin | |
| Měřicí rozsahy: |
| -200 až +650 °C |
| -50 až +150 °C |
| -50 až +50 °C |
| 0 až +50 °C |
| 0 až +100 °C |
| 0 až +120 °C |
| 0 až +150 °C |
| 0 až +200 °C |
| 0 až +250 °C |
| 0 až +300 °C |
| 0 až +400 °C |
| 0 až +500 °C |
| 0 až +600 °C |
| 0 až +700 °C |
| 0 až +850 °C |
| +300 až +600 °C |
| Provozní podmínky zařízení: | ||
| – teplota okolního prostředí | 0 až +70°C (-40 až +85°C) | |
| – relativní vlhkost | 40 až 70% | |
| – atmosférický tlak | 84 až 107 kPa | |
| – krytí | IP 20 | |
| – přípustný průřez připojovacích vodičů | 0,35 až 4 mm² | |
| – šířka modulu | 22,5 mm | |
| – materiál krabičky | NORYL | |
| – odolnost krabičky proti teplotě | rozměrová stálost do +120°C | |
| – odolnost krabičky proti ohni | samozhášivý plast | |
| – odolnost a stálost proti vibracím | 10 až 60 Hz | 0.14 mm (amplituda) |
| 60 až 500 Hz | 19.6 m/s² (špičkové zrychlení) | |
| – odolnost proti rušení | ČSN IEC 801-3, úroveň 3 (kap. 5) | |
| ČSN IEC 801-4, úroveň 4 (kap. 5) | ||
| ČSN IEC 801-6, úroveň 2 (TAB.1, čl. 5.1) | ||
| Způsob objednávání: | |
| V objednávce se uvádí: | – počet kusů |
| – název | |
| – objednací číslo dle tabulky | |
| Příklad objednávky: | 6 ks převodník MODEL 222 – 224 PtTI |
| obj. č.: 222-224 PtTI 0 až 100°C | |



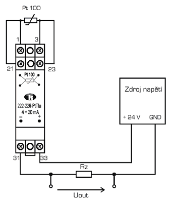
- 222-226 PtTIa
Převodník pro odporový vysílač teploty Pt100 s výstupem 4 – 20mA, čtyřvodičově připojený senzor.
Více informací o produktu:
- Popis produktu
- Použití
- Pracovní podmínky
- Návod k instalaci
- Technická data
- Měřicí rozsahy
- Provozní podmínky zařízení
- Způsob objednávání
- Obr.1: Zástavbové rozměry
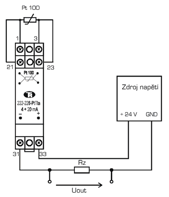
- Obr. 2: Zapojení oddělovače do obvodu
Převodník pro odporový vysílač teploty Pt 100 s proudovým výstupem 4 – 20 mA na lištu DIN TS35
Signál z teplotního vysílače je přiveden na vstup převodníku. Odpor přívodních vodičů je plně kompenzován. Obvod pracuje jako pasivní vysílač v proudové smyčce. Výstup převodníku slouží zároveň k jeho napájení. Převodník není vybaven galvanickým oddělením vstupního a výstupního signálu.
Převodník je určen pro převod signálu z odporových vysílačů teploty Pt 100 na normalizovaný proudový výstup 4 až 20 mA. Výstupní signál je lineární s teplotou. Převodník je určen pro umístění na lištu DIN TS35.
Teplota v okolí krabičky s převodníkem smí dosáhnout za provozu max. +70°C (na přání zákazníka za příplatek až +85°C). Převodník je možno umístit v libovolné poloze.
Činnost podle této statě smí vykonávat pracovníci alespoň znalí dle §5 vyhlášky 50/1978 Sb., resp. 51/1978 Sb. Převodník 222-226 PtTIa se upevňuje nasunutím na lištu DIN TS35. Nejprve nasadíme horní trn držáku krabičky na horní hranu lišty a pomocí šroubováku (max. 4x1mm) povysuneme jemným páčením zámek dolního aretačního trnu. Dotlačíme spodní část krabičky na lištu a poté zámek uvolníme. Tím se krabička přichytí na lištu. Obdobně lze krabičku z lišty sejmout. Připojovací kabely se zapojí dle obr.2. K napájení převodníku se doporučuje stabilizovaný zdroj UNAZ-DC 24V/1,5W (výrobce TRESTON spol. s r.o.).
| Technická data: | ||
| – vstupní signál | odporový snímač teploty Pt 100 | |
| dle DIN IEC 751 | ||
| – zapojení snímače | čtyřvodičově (zcela kompenzován vliv přívodů) | |
| – měřicí rozsahy | viz. tabulka vedle | |
| – chyby | základní | 0,1% |
| (ČSN IEC 770) | hystereze | 0,02% |
| opakovatelnost | 0,015% | |
| linearita | 0,08% | |
| – teplotní závislosti | chyba nuly | 0,15% / 10K (pro rozsah 0 až +100°C) |
| (ČSN IEC 770) | chyba rozpětí | 0,1% / 10K (pro rozsah 0 až +100°C) |
| max. chyba | 0,2% / 10K (pro rozsah 0 až +100°C) | |
| – napěťové závislosti (ČSN IEC 770) | < 0,008% / 1V | |
| – vliv zatěžovacího odporu | < 0,003% / 100 Ω | |
| – napájecí napětí | 11 až 30 VDC (ochrana proti přepólování) | |
| – max. hodnota zatěžovacího odporu v proudové | ||
| smyčce při Vs = 24 V DC | 600 Ω | |
| – výstupní signál | 4 až 20 mA (linearizovaný s teplotou) | |
| – proud protékající odpor. snímačem | cca 0,5 mA | |
| – proud při přerušení odpor. snímače | max. 30 mA | |
| – proud při zkratu odpor. snímače | max. 3,9 mA | |
| – dlouhodobá stabilita a drift převodníku | 0,006% / 500 hodin | |
| Měřicí rozsahy: |
| -200 až +650 °C |
| -50 až +150 °C |
| -50 až +50 °C |
| 0 až +50 °C |
| 0 až +100 °C |
| 0 až +120 °C |
| 0 až +150 °C |
| 0 až +200 °C |
| 0 až +250 °C |
| 0 až +300 °C |
| 0 až +400 °C |
| 0 až +500 °C |
| 0 až +600 °C |
| 0 až +700 °C |
| 0 až +850 °C |
| +300 až +600 °C |
| Provozní podmínky zařízení: | ||
| – teplota okolního prostředí | 0 až +70°C (-40 až +85°C) | |
| – relativní vlhkost | 40 až 70% | |
| – atmosférický tlak | 84 až 107 kPa | |
| – krytí | IP 20 | |
| – přípustný průřez připojovacích vodičů | 0,35 až 4 mm⊃; | |
| – šířka modulu | 22,5 mm | |
| – materiál krabičky | NORYL | |
| – odolnost krabičky proti teplotě | rozměrová stálost do +120°C | |
| – odolnost krabičky proti ohni | samozhášivý plast | |
| – odolnost a stálost proti vibracím | 10 až 60 Hz | 0.14 mm (amplituda) |
| 60 až 500 Hz | 19.6 m/s⊃; (špičkové zrychlení) | |
| Způsob objednávání: | |
| V objednávce se uvádí: | – počet kusů |
| – název | |
| – objednací číslo dle tabulky | |
| Příklad objednávky: | 6 ks převodník MODEL 222 – 226 PtTIa |
| obj. č.: 222-226 PtTIa 0 až 100°C | |


- 222-229A PtTUI
Převodník pro odporový vysílač teploty Pt 100 s možností realizace výstupních signálů 4 – 20mA, 0 – 20mA, 0 – 5V, 0 – 10V dle konkrétní objednávky, třívodičově připojený sensor.
Více informací o produktu:
- Popis produktu
- Použití
- Pracovní podmínky
- Návod k instalaci
- Technická data
- Provozní podmínky zařízení
- Měřicí rozsahy
- Způsob objednávání
- Obr.1: Zástavbové rozměry
- Obr. 3a: Zapojení převodníku do obvodu výstup 0 až 20 mA
- Obr. 3b: Zapojení převodníku do obvodu výstup 4 až 20 mA
Převodník pro odporový vysílač teploty Pt 100 s možností realizace proudových a napěťových normalizovaných signálů na lištu DIN TS35
Signál z teplotního vysílače je přiveden na vstup převodníku. Odpor přívodních vodičů je u třívodičového připojení plně kompenzován.Výstup z převodníku lze nastavit na jeden ze signálů 0 až 20 mA, 4 až 20 mA, 0 až 5 V a 0 až 10 V. V případě výstupu 4 až 20 mA obvod pracuje jako pasivní vysílač v proudové smyčce a výstup převodníku slouží zároveň k jeho napájení. V ostatních variantách slouží k napájení samostatný vodič.Převodník není vybaven galvanickým oddělením vstupního a výstupního signálu.
Převodník je určen pro převod signálu z odporových vysílačů teploty Pt 100 na jeden ze čtyř normalizovaných výstupů. Výstupní signál je lineární s teplotou. Převodník je určen pro umístění na lištu DIN TS35.
Teplota v okolí krabičky s převodníkem smí dosáhnout za provozu max. +70°C (na přání zákazníka za příplatek až +85°C).Převodník je možno umístitv libovolné poloze.
Činnost podle této statě smí vykonávat pracovníci alespoň znalí dle §5 vyhlášky 50/1978 Sb., resp. 51/1978 Sb. Převodník 222-226 PtTIa se upevňuje nasunutím na lištu DIN TS35. Nejprve nasadíme horní trn držáku krabičky na horní hranu lišty a pomocí šroubováku (max. 4x1mm) povysuneme jemným páčením zámek dolního aretačního trnu. Dotlačíme spodní část krabičky na lištu a poté zámek uvolníme. Tím se krabička přichytí na lištu. Obdobně lze krabičku z lišty sejmout. Připojovací kabely se zapojí dle obr.2. K napájení převodníku se doporučuje stabilizovaný zdroj UNAZ-DC 24V/1,5W (výrobce TRESTON spol. s r.o.).
| Technická data: | ||
| – vstupní signál | odporový snímač teploty Pt 100 | |
| dle DIN IEC 751 | ||
| – zapojení snímače | třívodičově (zcela kompenzován vliv přívodů) | |
| – napájecí napětí převodníku | 13 až 30 VDC pro výstup 4 ÷ 20 mA | |
| (ochrana proti přepólování napájecího napětí) | 20 až 30 VDC pro výstupy 0 ÷ 20 mA, 0 ÷ 5 V, 0 ÷ 10 V | |
| – max. hodnota zatěžovacího odporu v proudové | ||
| smyčce při Vs = 24 V DC | 500 Ω | |
| – výstupní signál | 4 až 20 mA (pasivní výstup – proudová smyčka) | |
| 0 až 20 mA (aktivní výstup – třívodičové zapojení) | ||
| 0 až 5 V ( třívodičové zapojení, výstup vytvořen z 0 až 20 mA úbytkem na odporu 250 Ωů) | ||
| 0 až 10 V(třívodičové zapojení, výstup vytvořen z 0 až 20 mA úbytkem na odporu 500 Ωů) | ||
| – linearizace | průběh R/T je linearizován | |
| – proud protékající čidlem teploty | < 1 mA | |
| – proud při přerušení čidla teploty (proudové výstupy) | < 35 mA (4 až 20 mA) | |
| < 30 mA (0 až 20 mA) | ||
| – proud při zkratu čidla teploty (proudové výstupy) | < 3,9 mA | |
| – chyby (ČSN IEC 770) | – základní chyba | 0.15% |
| – hystereze | 0.03% | |
| – opakovatelnost | 0.07% | |
| – linearita | 0.1% | |
| – teplotní závislosti (ČSN IEC 770) | – chyba nuly | 0.1% / 10K |
| – chyba rozpětí | 0.15% / 10K | |
| – max. chyba | 0.25% / 10K | |
| – napěťové závislosti (ČSN IEC 770) | < 0,005% / 1V | |
| – vliv zatěžovacího odporu | < 0.018% / 100 Ω | |
| – dlouhodobá stabilita a drift převodníku | 0.006% / 500 hodin | |
| – měřicí rozsahy | -30 až +70, -50 až +50, -50 ař +150, 0 až +50, 0 až +100, 0 až +150, 0 až +200, 0 až +250, 0 až 300, 0 až 400, 0 až 500, 0 až 600°C (jiný rozsah po konzultaci s výrobcem) | |
| Provozní podmínky zařízení: | ||
| – teplota okolního prostředí | 0 až +70°C (-40 až +85°C) | |
| – relativní vlhkost | 40 až 70% | |
| – atmosférický tlak | 84 až 107 kPa | |
| – krytí | IP 20 | |
| – přípustný průřez připojovacích vodičů | 0,35 až 4 mm⊃; | |
| – šířka modulu | 22,5 mm | |
| – materiál krabičky | NORYL | |
| – odolnost krabičky proti teplotě | rozměrová stálost do +120°C | |
| – odolnost krabičky proti ohni | samozhášivý plast | |
| – odolnost a stálost proti vibracím | 10 až 60 Hz | 0.14 mm (amplituda) |
| 60 až 500 Hz | 19.6 m/s⊃; (špičkové zrychlení) | |
| – odolnost proti rušení | ČSN IEC 801-3, úroveň 3 (kap. 5) | |
| ČSN IEC 801-4, úroveň 4 (kap. 5) | ||
| ČSN IEC 801-6, úroveň 2 (TAB.1, čl. 5.1) | ||
| Měřicí rozsahy: |
| -200 až +650 °C |
| -50 až +150 °C |
| -50 až +50 °C |
| 0 až +50 °C |
| 0 až +100 °C |
| 0 až +120 °C |
| 0 až +150 °C |
| 0 až +200 °C |
| 0 až +250 °C |
| 0 až +300 °C |
| 0 až +400 °C |
| 0 až +500 °C |
| 0 až +600 °C |
| 0 až +700 °C |
| 0 až +850 °C |
| +300 až +600 °C |
| Způsob objednávání: | |
| V objednávce se uvádí: | – počet kusů |
| – název | |
| – objednací číslo dle tabulky | |
| Příklad objednávky: | 6 ks převodník MODEL 222 – 229A PtTUI |
| obj. č.: 222-229A PtTUI 0 ÷ 100°C 0 ÷ 5 V | |



- 222-224 RIP
Převodník pro odporové vysílače (potenciometr) s výstupem 4 až 20mA, třívodičově připojený snímač.
Více informací o produktu:
- Popis produktu
- Použití
- Pracovní podmínky
- Návod k instalaci
- Technická data
- Měřicí rozsahy
- Provozní podmínky zařízení
- Způsob objednávání
- Obr.1: Zástavbové rozměry
- Obr. 2: Nastavovací trimry převodníku
- Obr. 3: Zapojení převodníku do obvodu
Převodník pro odporové vysílače s proudovým výstupem 4 – 20 mA na lištu DIN TS35
Signál z proměnného rezistoru je přiveden na vstup převodníku. Odpor přívodních vodičů je plně kompenzován. Obvod pracuje jako pasivní vysílač v proudové smyčce. Výstup převodníku slouží zároveň k jeho napájení.Převodník není vybaven galvanickým oddělením vstupního a výstupního signálu.
Převodníky jsou určeny pro převod signálu z odporových vysílačů na normalizovaný proudový výstup 4 až 20 mA.
Teplota v okolí krabičky s převodníkem smí dosáhnout za provozu max. +70°C (na přání zákazníka za příplatek až +85°C).Převodník je možno umístit v libovolné poloze.
U převodníku se vstupem pro potenciometr je max. výstupní proud při spojení svorek 2 a 3.
Činnost podle této statě smí vykonávat pracovníci alespoň znalí dle §5 vyhlášky 50/1978 Sb., resp. 51/1978 Sb.Převodník 222-224 RIP (222-224 RIR) se upevňuje nasunutím na lištu DIN TS35. Nejprve nasadíme horní trn držáku krabičky na horní hranu lišty a pomocí šroubováku (max. 4x1mm) povysuneme jemným páčením zámek dolního aretačního trnu. Dotlačíme spodní část krabičky na lištu a poté zámek uvolníme. Tím se krabička přichytí na lištu. Obdobně lze krabičku z lišty sejmout. Připojovací kabely se zapojí dle obr.3.V případě nutnosti dostavení měřicího rozsahu převodníku je možno po sejmutí víčka krabičky nastavit rozpětí a nulu převodníku pomocí hodinářského šroubováku. Pozice nastavovacích trimrů je uvedena v obr. 2.K napájení převodníku se doporučuje stabilizovaný zdroj UNAZ 24V/1,5W (výrobce TRESTON spol. s r.o.).
| Technická data: | ||
| – vstupní signál | potenciometr | |
| – zapojení snímače | třívodičově jako potenciometr nebo reostat | |
| (zcela kompenzován vliv přívodů). | ||
| – měřicí rozsahy | viz. Tabulka měřicí rozsaahy | |
| – chyby | základní | 0,1% |
| (ČSN IEC 770) | hystereze | 0,02% |
| opakovatelnost | 0,015% | |
| linearita | 0,08% | |
| – teplotní závislosti | chyba nuly | 0,15% / 10K |
| (ČSN IEC 770) | chyba rozpětí | 0,1% / 10K |
| max. chyba | 0,2% / 10K | |
| – napěťové závislosti (ČSN IEC 770) | < 0,008% / 1V | |
| – vliv zatěžovacího odporu | < 0,003% / 100 Ω | |
| – napájecí napětí | 12 až 30 VDC (ochrana proti přepólování) | |
| – max. hodnota zatěžovacího odporu v proudové | ||
| smyčce při Vs = 24 V DC | 600 Ω | |
| – výstupní signál | 4 až 20 mA | |
| – proud při přerušení odpor.vysílače | max. 30 mA | |
| Měřicí rozsahy: |
| 5 až 105 Ω |
| 0 až 130 Ω |
| 0 až 214 Ω |
| 0 až 500 Ω |
| 0 až 1000 Ω |
| 0 až 2500 Ω |
| 0 až 5000 Ω |
| Provozní podmínky zařízení: | ||
| – teplota okolního prostředí | 0 až +70°C (-40 až +85°C) | |
| – relativní vlhkost | 40 až 70% | |
| – atmosférický tlak | 84 až 107 kPa | |
| – krytí | IP 20 | |
| – přípustný průřez připojovacích vodičů | 0,35 až 4 mm⊃; | |
| – šířka modulu | 22,5 mm | |
| – materiál krabičky | NORYL | |
| – odolnost krabičky proti teplotě | rozměrová stálost do +120°C | |
| – odolnost krabičky proti ohni | samozhášivý plast | |
| – odolnost a stálost proti vibracím | 10 až 60 Hz | 0.14 mm (amplituda) |
| 60 až 500 Hz | 19.6 m/s⊃; (špičkové zrychlení) | |
| – odolnost proti rušení | ČSN IEC 801-3, úroveň 3 (kap. 5) | |
| ČSN IEC 801-4, úroveň 4 (kap. 5) | ||
| ČSN IEC 801-6, úroveň 2 (TAB.1, čl. 5.1) | ||
| Způsob objednávání: | |
| V objednávce se uvádí: | – počet kusů |
| – název | |
| – objednací číslo dle tabulky | |
| Příklad objednávky: | 6 ks převodník MODEL 222 – 224 RIP |
| obj. č.: 222-224 RI P 5 až 105 Ω | |



- 222-224 RIR
Převodník pro odporové vysílače (reostat) s výstupem 4 až 20mA, třívodičově připojený snímač.
Více informací o produktu:
- Popis produktu
- Použití
- Pracovní podmínky
- Návod k instalaci
- Technická data
- Měřicí rozsahy
- Provozní podmínky zařízení
- Způsob objednávání
- Obr.1: Zástavbové rozměry
- Obr. 2: Nastavovací trimry převodníku
- Obr. 3: Zapojení převodníku do obvodu
Převodník pro odporové vysílače s proudovým výstupem 4 – 20 mA na lištu DIN TS35
Signál z proměnného rezistoru je přiveden na vstup převodníku. Odpor přívodních vodičů je plně kompenzován. Obvod pracuje jako pasivní vysílač v proudové smyčce. Výstup převodníku slouží zároveň k jeho napájení.Převodník není vybaven galvanickým oddělením vstupního a výstupního signálu.
Převodníky jsou určeny pro převod signálu z odporových vysílačů na normalizovaný proudový výstup 4 až 20 mA.
Teplota v okolí krabičky s převodníkem smí dosáhnout za provozu max. +70°C (na přání zákazníka za příplatek až +85°C). Převodník je možno umístitv libovolné poloze.
U převodníku se vstupem pro potenciometr je max. výstupní proud při spojení svorek 2 a 3.
Činnost podle této statě smí vykonávat pracovníci alespoň znalí dle §5 vyhlášky 50/1978 Sb., resp. 51/1978 Sb.Převodník 222-224 RIP (222-224 RIR) se upevňuje nasunutím na lištu DIN TS35. Nejprve nasadíme horní trn držáku krabičky na horní hranu lišty a pomocí šroubováku (max. 4x1mm) povysuneme jemným páčením zámek dolního aretačního trnu. Dotlačíme spodní část krabičky na lištu a poté zámek uvolníme. Tím se krabička přichytí na lištu. Obdobně lze krabičku z lišty sejmout. Připojovací kabely se zapojí dle obr.3.V případě nutnosti dostavení měřicího rozsahu převodníku je možno po sejmutí víčka krabičky nastavit rozpětí a nulu převodníku pomocí hodinářského šroubováku. Pozice nastavovacích trimrů je uvedena v obr. 2.K napájení převodníku se doporučuje stabilizovaný zdroj UNAZ 24V/1,5W (výrobce TRESTON spol. s r.o.).
| Technická data: | ||
| – vstupní signál | proměnný odpor | |
| – zapojení snímače | třívodičově jako potenciometr nebo reostat | |
| (zcela kompenzován vliv přívodů). | ||
| – měřicí rozsahy | viz. Tabulka měřicí rozsaahy | |
| – chyby | základní | 0,1% |
| (ČSN IEC 770) | hystereze | 0,02% |
| opakovatelnost | 0,015% | |
| linearita | 0,08% | |
| – teplotní závislosti | chyba nuly | 0,15% / 10K |
| (ČSN IEC 770) | chyba rozpětí | 0,1% / 10K |
| max. chyba | 0,2% / 10K | |
| – napěťové závislosti (ČSN IEC 770) | < 0,008% / 1V | |
| – vliv zatěžovacího odporu | < 0,003% / 100 Ω | |
| – napájecí napětí | 12 až 30 VDC (ochrana proti přepólování) | |
| – max. hodnota zatěžovacího odporu v proudové | ||
| smyčce při Vs = 24 V DC | 600 Ω | |
| – výstupní signál | 4 až 20 mA | |
| – proud při přerušení odpor.vysílače | max. 30 mA | |
| Měřicí rozsahy: |
| 0 až 100 Ω |
| 0 až 105 Ω |
| 5 až 105 Ω |
| 0 až 400 Ω |
| 0 až 500 Ω |
| 0 až 650 Ω |
| 0 až 2500 Ω |
| 0 až 5000 Ω |
| Provozní podmínky zařízení: | ||
| – teplota okolního prostředí | 0 až +70°C (-40 až +85°C) | |
| – relativní vlhkost | 40 až 70% | |
| – atmosférický tlak | 84 až 107 kPa | |
| – krytí | IP 20 | |
| – přípustný průřez připojovacích vodičů | 0,35 až 4 mm⊃; | |
| – šířka modulu | 22,5 mm | |
| – materiál krabičky | NORYL | |
| – odolnost krabičky proti teplotě | rozměrová stálost do +120°C | |
| – odolnost krabičky proti ohni | samozhášivý plast | |
| – odolnost a stálost proti vibracím | 10 až 60 Hz | 0.14 mm (amplituda) |
| 60 až 500 Hz | 19.6 m/s⊃; (špičkové zrychlení) | |
| – odolnost proti rušení | ČSN IEC 801-3, úroveň 3 (kap. 5) | |
| ČSN IEC 801-4, úroveň 4 (kap. 5) | ||
| ČSN IEC 801-6, úroveň 2 (TAB.1, čl. 5.1) | ||
| Způsob objednávání: | |
| V objednávce se uvádí: | – počet kusů |
| – název | |
| – objednací číslo dle tabulky | |
| Příklad objednávky: | 6 ks převodník MODEL 222 – 224 RIR |
| obj. č.: 222-224 RI R 0 až 105 Ω | |



- 222-207 NiTI
Převodník pro odporový vysílač teploty Ni1000 s výstupem 4 – 20mA a dvouvodičově připojeným senzorem.
Více informací o produktu:
- Popis produktu
- Použití
- Pracovní podmínky
- Návod k instalaci
- Technická data
- Měřicí rozsahy
- Provozní podmínky zařízení
- Způsob objednávání
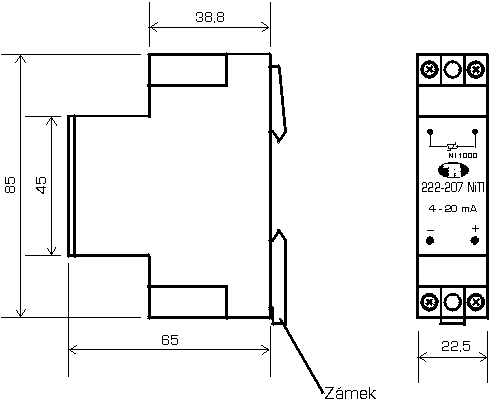
- Obr.1: Zástavbové rozměry
- Obr. 2: Zapojení převodníku do obvodu
Převodník pro odporový vysílač teploty Ni 1000 s proudovým výstupem 4 – 20 mA na lištu DIN TS35
Signál z teplotního vysílače je přiveden na vstup převodníku. Obvod pracuje jako pasivní vysílač v proudové smyčce. Výstup převodníku slouží zároveň k jeho napájení.Převodník není vybaven galvanickým oddělením vstupního a výstupního signálu.
Převodník je určen pro převod signálu z odporových vysílačů teploty Ni 1000 na normalizovaný proudový výstup 4 až 20 mA. Výstupní signál je lineární s teplotou.Převodník je určen pro umístění na lištu DIN TS35.
Teplota v okolí krabičky s převodníkem smí dosáhnout za provozu max. +70°C (na přání zákazníka za příplatek až +85°C).Převodník je možno umístit v libovolné poloze.
Činnost podle této statě smí vykonávat pracovníci alespoň znalí dle §5 vyhlášky 50/1978 Sb., resp. 51/1978 Sb.Převodník 222-207 NiTI se upevňuje nasunutím na lištu DIN TS35. Nejprve nasadíme horní trn držáku krabičky na horní hranu lišty a pomocí šroubováku (max. 4x1mm) povysuneme jemným páčením zámek dolního aretačního trnu. Dotlačíme spodní část krabičky na lištu a poté zámek uvolníme. Tím se krabička přichytí na lištu. Obdobně lze krabičku z lišty sejmout. Připojovací kabely se zapojí dle obr.2.V případě nutnosti dostavení měřicího rozsahu převodníku je možno po sejmutí víčka krabičky nastavit rozpětí a nulu převodníku pomocí hodinářského šroubováku.K napájení převodníku se doporučuje stabilizovaný zdroj UNAZ-DC 24V/1,5W (výrobce TRESTON spol. s r.o.).
| Technická data: | ||
| – vstupní signál | odporový snímač teploty Ni 1000 | |
| dle DIN 43 760 | ||
| – zapojení snímače | dvouvodičově | |
| – měřicí rozsahy | viz. Tabulka | |
| – chyby | základní | 0,3% |
| (ČSN IEC 770) | hystereze | 0,05% |
| opakovatelnost | 0,07% | |
| linearita | 0,25% | |
| – teplotní závislosti | chyba nuly | 0,1% / 10K |
| (ČSN IEC 770) | chyba rozpětí | 0,15% / 10K |
| max. chyba | 0,25% / 10K | |
| – napěťové závislosti (ČSN IEC 770) | < 0,005% / 1V | |
| – vliv zatěžovacího odporu | < 0,018% / 100 Ω | |
| – napájecí napětí | 11 až 30 VDC (ochrana proti přepólování) | |
| – max. hodnota zatěžovacího odporu v proudové | ||
| smyčce při Vs = 24 V DC | 600 Ω | |
| – výstupní signál | 4 až 20 mA (linearizovaný s teplotou) | |
| – proud protékající odpor. snímačem | cca 0,5 mA | |
| – proud při přerušení odpor.snímače | max. 30 mA | |
| – proud při zkratu odpor. snímače | max. 3,9 mA | |
| – dlouhodobá stabilita a drift převodníku | 0,006% / 500 hodin | |
| Měřicí rozsahy: |
| -50 až +150 °C |
| -50 až +150 °C |
| -20 až +140 °C |
| 0 až +30 °C |
| 0 až +50 °C |
| 0 až +60 °C |
| 0 až +100 °C |
| 0 až +150 °C |
| Provozní podmínky zařízení: | ||
| – teplota okolního prostředí | 0 až +70°C (-40 až +85°C) | |
| – relativní vlhkost | 40 až 70% | |
| – atmosférický tlak | 84 až 107 kPa | |
| – krytí | IP 20 | |
| – přípustný průřez připojovacích vodičů | 0,35 až 4 mm⊃; | |
| – šířka modulu | 22,5 mm | |
| – materiál krabičky | NORYL | |
| – odolnost krabičky proti teplotě | rozměrová stálost do +120°C | |
| – odolnost krabičky proti ohni | samozhášivý plast | |
| – odolnost a stálost proti vibracím | 10 až 60 Hz | 0.14 mm (amplituda) |
| 60 až 500 Hz | 19.6 m/s⊃; (špičkové zrychlení) | |
| Způsob objednávání: | |
| V objednávce se uvádí: | – počet kusů |
| – název | |
| – objednací číslo dle tabulky | |
| Příklad objednávky: | 6 ks převodník MODEL 222 – 207 NiTI |
| obj. č.: 222-207 NiTI 0 až +100°C | |


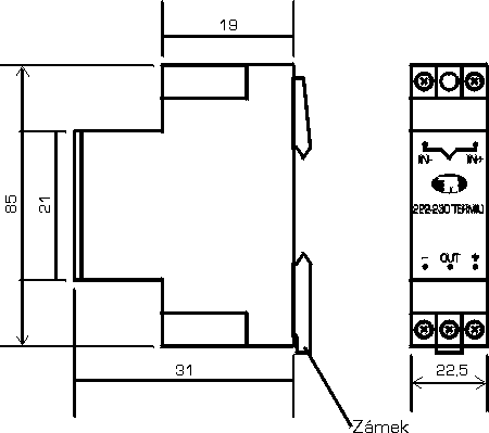
- 222-230 TERMIU
Převodník pro termoelektrické snímače teplot typů K,J,S,B,L s možností nastavení jednoho ze čtyř výstupních signálů.
Více informací o produktu:
- Popis produktu
- Použití
- Pracovní podmínky
- Návod k instalaci
- Technická data
- Měřicí rozsahy
- Provozní podmínky zařízení
- Způsob objednávání
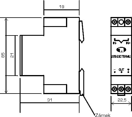
- Obr.1: Zástavbové rozměry
- Obr. 2: Zapojení převodníku do obvodu
- Obr. 3a: Zapojení převodníku do obvodu - výstup 0 až 20 mA
- Obr. 3b: Zapojení převodníku do obvodu - výstup 4 až 20 mA
- Obr. 3c: Zapojení převodníku do obvodu - výstup 0 až 5 V (0 až 10 V)
Převodník pro termoelektrické snímače s nastavitelnými výstupy na lištu DIN TS35
Signál z termočlánku je přiveden na vstup převodníku. Připojovací svorkovnice je vybavena odporovým snímačem teploty, jehož nelineární charakteristiky se využívá ke kompenzování studeného konce termočlánku.Výstup z převodníku je možno nastavit na 4 až 20 mA v proudové smyčce, 0 až 20 mA (aktivní výstup) nebo 0 až 5 V či 0 až 10 V (odvozeno z 0 až 20 mA úbytkem na odporu). Obvod pracující jako pasivní vysílač v proudové smyčce (4 až 20 mA) je napájen touto smyčkou. Ostatní typy výstupů mají přiveden samostatný napájecí vodič.Převodník není vybaven galvanickým oddělením vstupního a výstupního signálu (není vhodný pro uzemněné termočlánky).
Převodník je určen pro převod signálu z termočlánkových vysílačů teploty na jeden z normalizovaných průmyslových výstupů. Výstupní signál není lineární s teplotou. Studený konec termočlánku je kompenzován. Převodník je určen pro umístění na lištu DIN TS35.
Teplota v okolí krabičky s převodníkem smí dosáhnout provozu maximálně +80°C. Převodník je možno umístit v libovolné poloze.
Převodník je dodáván v přednastaveném stavu dle přání zákazníka. V případě nutnosti změny výstupní veličiny je nutno krabičku s převodníkem otevřít a na plošném spoji přepojit propojky dle kódovací tabulky (na doptání u výrobce). Po složení krabičky je nutno nastavit hodnotu rozpětí a nuly pomocí trimrů na převodníku.Výrobce nedoporučuje provádět tuto operaci u zákazníka. Na požádání provede tuto změnu ve svém výrobním závodě.
Činnost podle této statě smí vykonávat pracovníci alespoň znalí dle §5 vyhlášky 50/1978 Sb., resp. 51/1978 Sb.Převodník 222-230 TERMIU se upevňuje nasunutím na lištu DIN TS35. Nejprve nasadíme horní trn držáku krabičky na horní hranu lišty a pomocí šroubováku (max. 4x1mm) povysuneme jemným páčením zámek dolního aretačního trnu. Dotlačíme spodní část krabičky na lištu a poté zámek uvolníme. Tím se krabička přichytí na lištu. Obdobně lze krabičku z lišty sejmout. Připojovací kabely se zapojí dle obr. 3a až 3c. V případě nutnosti dostavení měřicího rozsahu převodníku je možno po sejmutí víčka krabičky nastavit rozpětí a nulu převodníku pomocí hodinářského šroubováku. Pozice nastavovacích trimrů je uvedena v obr. 2.K napájení převodníku se doporučuje stabilizovaný zdroj 222-UNAZ-DC 24V/1,5W (výrobce TRESTON spol. s r.o.).
| Měřicí rozsahy: | |
| Typ K: | 0 až +100°C |
| 0 až +200°C | |
| 0 až +600°C | |
| 0 až +900°C | |
| 0 až +1200°C | |
| Typ J: | 0 až +200°C |
| 0 až +300°C | |
| 0 až +600°C | |
| 0 až +800°C | |
| +200 až +600°C | |
| Typ S: | 0 až +1000°C |
| 0 až +1400°C | |
| +600 až +1600°C | |
| Typ B: | +300 až +1850°C |
| Typ L: | +200 až +600°C |
| Provozní podmínky zařízení: | ||
| – teplota okolního prostředí | 0 až +70°C (-40 až +85°C) | |
| – relativní vlhkost | 40 až 70% | |
| – atmosférický tlak | 84 až 107 kPa | |
| – krytí | IP 20 | |
| – přípustný průřez připojovacích vodičů | 0,35 až 4 mm⊃; | |
| – šířka modulu | 22,5 mm | |
| – materiál krabičky | NORYL | |
| – odolnost krabičky proti teplotě | rozměrová stálost do +120°C | |
| – odolnost krabičky proti ohni | samozhášivý plast | |
| – odolnost a stálost proti vibracím | 10 až 60 Hz | 0.14 mm (amplituda) |
| 60 až 500 Hz | 19.6 m/s⊃; (špičkové zrychlení) | |
| Způsob objednávání: | |
| V objednávce se uvádí: | – počet kusů |
| – název | |
| – objednací číslo dle tabulky | |
| Příklad objednávky: | 6 ks převodník MODEL 222 – 230 TERMIU |
| obj. č.: 222-230 TERMIU 0 ÷ +100°C K 4 ÷ 20 mA | |





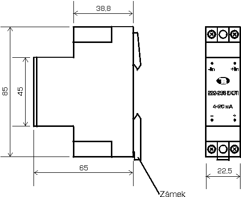
- 222-236 EXOTI
Převodník pro atypické proudové a napěťové vstupní signály s výstupem 4 až 20mA.
Více informací o produktu:
- Popis produktu
- Použití
- Pracovní podmínky
- Návod k instalaci
- Technická data
- Realizované vstupní signály
- Rozsahy vstupních signálů
- Provozní podmínky zařízení
- Způsob objednávání
- Obr.1: Zástavbové rozměry
- Obr. 2: Zapojení převodníku do obvodu
- Obr. 3: Nastavovací trimry převodníku
Převodník pro atypické signály s proudovým výstupem 4 – 20 mA na lištu DIN TS35
Signál je přiveden na vstup převodníku realizovaného jako hybridní integrovaný obvod a zde je upraven na normalizovaný signál. Obvod pracuje jako pasivní vysílač v proudové smyčce. Výstup převodníku slouží zároveň k jeho napájení.Převodník není vybaven galvanickým oddělením vstupního a výstupního signálu.
Převodník je určen pro převod atypických signálů na normalizovaný proudový výstup 4 až 20 mA.Převodník je určen pro umístění na lištu DIN TS35.
Teplota v okolí krabičky s převodníkem smí dosáhnout za provozu max. +70°C (na přání zákazníka za příplatek až +85°C).Převodník je možno umístit v libovolné poloze.
Pro správnou funkci tohoto převodníku je nutné, aby vstupní signál byl galvanicky oddělen od požadovaného výstupního signálu (nelze spojit vstupní svorku “ -IN “ se svorkou “ — “ výstupu!), jinak je nutno použít modul 222-236 GALVI D.
Činnost podle této statě smí vykonávat pracovníci alespoň znalí dle §5 vyhlášky 50/1978 Sb., resp. 51/1978 Sb.Převodník 222-236 EXOTI se upevňuje nasunutím na lištu DIN TS35. Nejprve nasadíme horní trn držáku krabičky na horní hranu lišty a pomocí šroubováku (max. 4x1mm) povysuneme jemným páčením zámek dolního aretačního trnu. Dotlačíme spodní část krabičky na lištu a poté zámek uvolníme. Tím se krabička přichytí na lištu. Obdobně lze krabičku z lišty sejmout. Připojovací kabely se zapojí dle obr.2.V případě nutnosti dostavení měřicího rozsahu převodníku je možno po sejmutí víčka krabičky nastavit rozpětí a nulu převodníku pomocí hodinářského šroubováku. Pozice nastavovacích trimrů je uvedena v obr. 3 .K napájení převodníku se doporučuje stabilizovaný zdroj UNAZ-DC 24V/1,5W (výrobce TRESTON spol. s r.o.).
| Technická data: | ||
| – vstupní signál | viz tabulka vstupních signálů | |
| – chyby | základní | 0,3% |
| (ČSN IEC 770) | hystereze | 0,05% |
| opakovatelnost | 0,07% | |
| linearita | 0,25% | |
| – teplotní závislosti | chyba nuly | 0,1% / 10K |
| (ČSN IEC 770) | chyba rozpětí | 0,15% / 10K |
| max. chyba | 0,25% / 10K | |
| – napěťové závislosti (ČSN IEC 770) | < 0,005% / 1V | |
| – vliv zatěžovacího odporu | < 0,018% / 100 Ω | |
| – napájecí napětí | 12 až 30 VDC (ochrana proti přepólování) | |
| – max. hodnota zatěžovacího odporu v proudové | ||
| smyčce při Vs = 24 V DC | 500 Ω | |
| – výstupní signál | 4 až 20 mA | |
| – dlouhodobá stabilita a drift převodníku | 0,006% / 500 hodin | |
| Realizované vstupní signály: |
| 0 až +5 mV |
| -1 až +2 V |
| 0 až +1 V |
| 0 až +5 V |
| 0 až +10 V |
| 0 až +20 V |
| 0 až +5 mA |
| 0 až +10 mA |
| 0 až +20 mA |
| Rozsahy vstupních signálů: | ||
| napěťové: | – nesymetrické: | min. 0 až 5 mV |
| max. 0 až 300 V | ||
| – symetrické: | min. -0,2 až + 0,2 V | |
| max. -300 až +300 V | ||
| proudové: | – nesymetrické: | min. 0 až 0,1 mA |
| max. 0až 1 A | ||
| – symetrické: | min. -0,5 až +0,5 mA | |
| max. -1 až 1 A | ||
| Provozní podmínky zařízení: | ||
| – teplota okolního prostředí | 0 až +70°C (-40 až +85°C) | |
| – relativní vlhkost | 40 až 70% | |
| – atmosférický tlak | 84 až 107 kPa | |
| – krytí | IP 20 | |
| – přípustný průřez připojovacích vodičů | 0,35 až 4 mm⊃; | |
| – šířka modulu | 22,5 mm | |
| – materiál krabičky | NORYL | |
| – odolnost krabičky proti teplotě | rozměrová stálost do +120°C | |
| – odolnost krabičky proti ohni | samozhášivý plast | |
| – odolnost a stálost proti vibracím | 10 až 60 Hz | 0.14 mm (amplituda) |
| 60 až 500 Hz | 19.6 m/s⊃; (špičkové zrychlení) | |
| Způsob objednávání: | |
| V objednávce se uvádí: | – počet kusů |
| – název | |
| – objednací číslo dle tabulky | |
| Příklad objednávky: | 6 ks převodník MODEL 222 – 236 EXOTI |
| obj. č.: 222-236 EXOTI 4 | |



Kontakty
TRESTON spol. s r.o.
Částkov 40
687 12 Bílovice
+420 572 580 022 (obchodní oddělení)