Převodníky průmyslových signálů v AL krabičce (IP 44)
- 110-224 PtTI
Převodník pro odporový vysílač teploty Pt100 s výstupem 4 až 20mA, třívodičově připojen senzor.
Více informací o produktu:
- Popis produktu
- Použití
- Pracovní podmínky
- Návod k instalaci
- Technická data
- Měřicí rozsahy
- Provozní podmínky zařízení
- Způsob objednávání
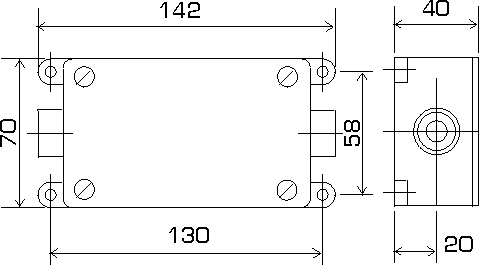
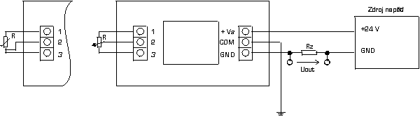
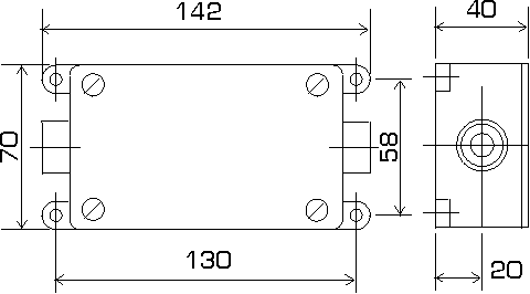
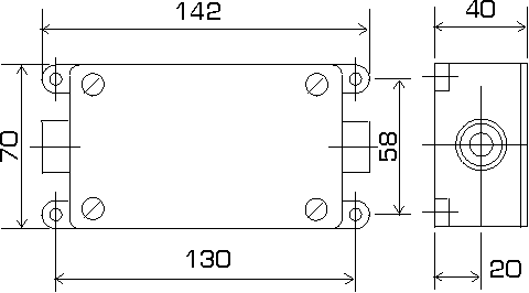
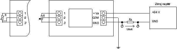
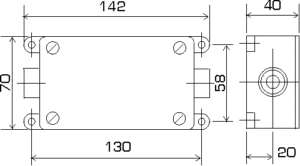
- Obr.1: Zástavbové rozměry
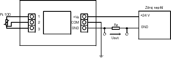
- Obr. 2: Zapojení převodníku do obvodu
- Obr. 3: Nastavovací trimry převodníku
Převodník pro odporový vysílač teploty Pt 100 s proudovým výstupem 4 – 20 mA v Al krabičce
Signál z teplotního vysílače je přiveden na vstup převodníku. Obvod pracuje jako pasivní vysílač v proudové smyčce. Výstup převodníku slouží zároveň k jeho napájení.Převodník není vybaven galvanickým oddělením vstupního a výstupního signálu.
Převodník je určen pro převod signálu z odporových vysílačů teploty Pt 100 na normalizovaný proudový výstup 4 až 20 mA. Výstupní signál je lineární s teplotou.Převodník je určen pro umístění do těžších provozů, kde dostačuje ochrana krytím IP 44.
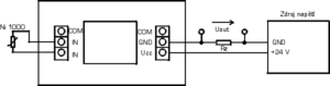
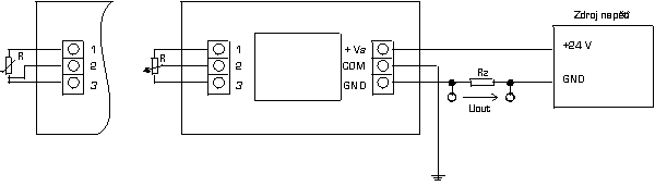
Činnost podle této statě smí vykonávat pracovníci alespoň znalí dle §5 vyhlášky 50/1978 Sb., resp. 51/1978 Sb.Převodník 110 – 224 PtTI se upevňuje šroubováním na základní desku pomocí čtyř šroubů M5. Kryt převodníku se musí uzemnit v označeném bodě (značka na krytu). Svorkovnice jsou přístupné po odšrubování víčka. Svorku COM je nutno dobře uzemnit (na šasi rozvaděče, případně na GND napájecího zdroje). Připojovací kabely se provlečou těsnícími průchodkami a vývody se zapojí dle obr.2. Vnitřní průměr těsnění musí odpovídat průměru kabelu. Těsnící průchodky kabelů se dokonale utáhnou pomocí stranového klíče OK 22. Nakonec se přišroubuje krycí víčko.Doporučuje se orientovat kryt převodníku tak, aby průchodky kabelů nebyly orientovány směrem nahoru.V případě nutnosti dostavení měřicího rozsahu převodníku je možno po sejmutí víčka krabičky nastavit rozpětí a nulu převodníku pomocí hodinářského šroubováku. Pozice nastavovacích trimrů je uvedena v obr. 3. K napájení převodníku se doporučuje stabilizovaný zdroj 222 – UNAZ – DC 24V/1,5W (výrobce TRESTON spol. s r.o.).
| Technická data: | ||
| – vstupní signál | odporový snímač teploty Pt 100 | |
| dle DIN IEC 751 | ||
| – zapojení snímače | třívodičově (zcela kompenzován vliv přívodů) | |
| – měřicí rozsahy | viz. tabulka vedle | |
| – chyby | základní | 0,1% |
| (ČSN IEC 770) | hystereze | 0,02% |
| opakovatelnost | 0,015% | |
| linearita | 0,08% | |
| – teplotní závislosti | chyba nuly | 0,15% / 10K (pro rozsah 0 až +100°C) |
| (ČSN IEC 770) | chyba rozpětí | 0,1% / 10K (pro rozsah 0 až +100°C) |
| max. chyba | 0,2% / 10K (pro rozsah 0 až +100°C) | |
| – napěťové závislosti (ČSN IEC 770) | < 0,008% / 1V | |
| – vliv zatěžovacího odporu | < 0,003% / 100 Ω | |
| – napájecí napětí | 11 až 30 VDC (ochrana proti přepólování) | |
| – max. hodnota zatěžovacího odporu v proudové | ||
| smyčce při Vs = 24 V DC | 600 Ω | |
| – max. odpor přívodních vodičů k Pt 100 | 1000 Ω | |
| – výstupní signál | 4 až 20 mA (linearizovaný s teplotou) | |
| – proud protékající odpor. snímačem | cca 0,5 mA | |
| – proud při přerušení odpor.snímače | max. 30 mA | |
| – proud při zkratu odpor. snímače | max. 3,9 mA | |
| – dlouhodobá stabilita a drift převodníku | 0,006% / 500 hodin | |
| Měřicí rozsahy: |
| -200 až +650 °C |
| -50 až +150 °C |
| -50 až +50 °C |
| 0 až +50 °C |
| 0 až +100 °C |
| 0 až +120 °C |
| 0 až +150 °C |
| 0 až +200 °C |
| 0 až +250 °C |
| 0 až +300 °C |
| 0 až +400 °C |
| 0 až +500 °C |
| 0 až +600 °C |
| 0 až +700 °C |
| 0 až +850 °C |
| +300 až +600 °C |
| Provozní podmínky zařízení: | ||
| – teplota okolního prostředí | 0 až +70°C (-40 až +85°C) | |
| – relativní vlhkost | 40 až 70% | |
| – atmosférický tlak | 84 až 107 kPa | |
| – krytí | IP 44 | |
| – přípustný průřez připojovacích vodičů | 0,5 až 2,5 mm⊃; | |
| – šířka modulu | 70 mm | |
| – materiál krabičky | tlakem litá hliníková slitina | |
| – povrchová úprava krabičky | lakování | |
| – odolnost krabičky proti ohni | nehořlavá | |
| – odolnost a stálost proti vibracím | 10 až 60 Hz | 0.14 mm (amplituda) |
| 60 až 500 Hz | 19.6 m/s⊃; (špičkové zrychlení) | |
| – odolnost proti rušení | ČSN IEC 801-3, úroveň 3 (kap. 5) | |
| ČSN IEC 801-4, úroveň 4 (kap. 5) | ||
| ČSN IEC 801-6, úroveň 2 (TAB.1, čl. 5.1) | ||
| Způsob objednávání: | |
| V objednávce se uvádí: | – počet kusů |
| – název | |
| – objednací číslo dle tabulky | |
| Příklad objednávky: | 6 ks převodník MODEL 110 – 224 PtTI |
| obj. č.: 110-224 PtTI 0 až +100°C | |



- 110-224 PtTI-EX
Převodník pro odporové vysílače teploty Pt100 s výstupem 4 až 20mA, třívodičově připojen senzor, určen do prostředí SNV (kateg. jiskr. bezp. II 2G EEx ia IIC T4).
Více informací o produktu:
- Popis produktu
- Použití
- Pracovní podmínky
- Návod k instalaci
- Technická data
- Měřicí rozsahy
- Způsob objednávání
- Parametry související s jiskrovou bezpečností
- Navázání snímače teploty na ostatní části obvodu
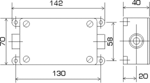
- Obr.1: Zástavbové rozměry
- Obr. 2: Nastavovací trimry převodníku
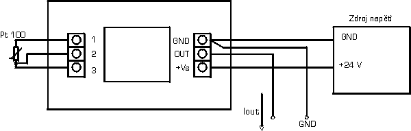
- Obr. 3: Zapojení převodníku do obvodu
Převodník pro odporový vysílač teploty Pt 100 s proudovým výstupem 4 – 20 mA v Al krabičce do prostředí s nebezpečím výbuchu
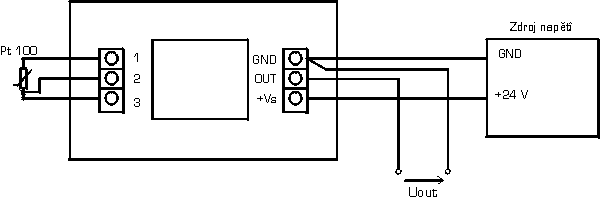
Signál z teplotního vysílače je přiveden na vstup převodníku. Obvod pracuje jako pasivní vysílač v proudové smyčce. Výstup převodníku slouží zároveň k jeho napájení.Převodník není vybaven galvanickým oddělením vstupního a výstupního signálu.
Převodník je určen pro převod signálu z odporových vysílačů teplotyPt 100 na normalizovaný proudový výstup 4 až 20 mA. Výstupní signál je lineární s teplotou.Převodník je určen pro umístění do prostředí s nebezpečín výbuchu, kde dostačuje ochrana krytím IP 44.
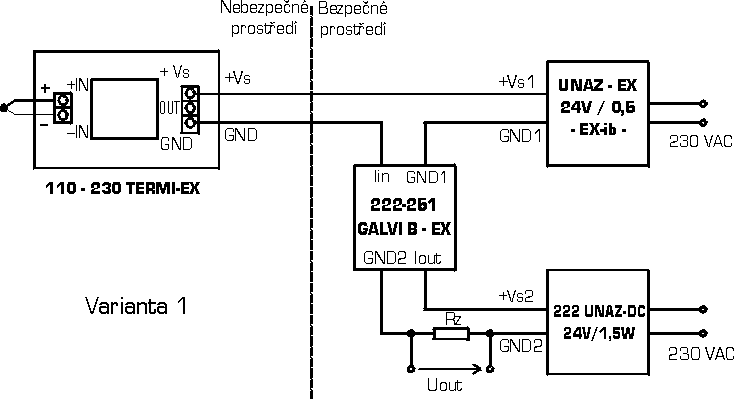
Teplota v okolí krabičky s převodníkem smí dosáhnout za provozu max. +40°C. Převodník je možno umístit v libovolné poloze.
Činnost podle této statě smí vykonávat pracovníci alespoň znalí dle §5 vyhlášky 50/1978 Sb., resp. 51/1978 Sb.Převodník 110 – 224 PtTI-EX se upevňuje šroubováním na základní desku pomocí čtyř šroubů M5. Kryt převodníku se musí uzemnit v označeném bodě (značka na krytu). Svorkovnice jsou přístupné po odšrubování víčka. Svorku COM je nutno dobře uzemnit (na šasi rozvaděče, případně na GND napájecího zdroje). Připojovací kabely se provlečou těsnícími průchodkami a vývody se zapojí dle obr.3. Vnitřní průměr těsnění musí odpovídat průměru kabelu. Těsnící průchodky kabelů se dokonale utáhnou pomocí stranového klíče OK 22. Nakonec se přišroubuje krycí víčko.Doporučuje se orientovat kryt převodníku tak, aby průchodky kabelů nebyly orientovány směrem nahoru.V případě nutnosti dostavení měřicího rozsahu převodníku je možno po sejmutí víčka krabičky nastavit rozpětí a nulu převodníku pomocí hodinářského šroubováku. Pozice nastavovacích trimrů je uvedena v obr. 2 . K napájení převodníku se doporučuje stabilizovaný zdroj 222 – UNAZ-EX 24V/0,5W (výrobce TRESTON spol. s r.o.).
| Technická data: | ||
| – vstupní signál | odporový snímač teploty Pt 100 | |
| dle DIN IEC 751 | ||
| – zapojení snímače | třívodičově (zcela kompenzován vliv přívodů) | |
| – měřicí rozsahy | viz. tabulka vedle | |
| – chyby | základní | 0,1% |
| (ČSN IEC 770) | hystereze | 0,02% |
| opakovatelnost | 0,015% | |
| linearita | 0,08% | |
| – teplotní závislosti | chyba nuly | 0,15% / 10K (pro rozsah 0 až +100°C) |
| (ČSN IEC 770) | chyba rozpětí | 0,1% / 10K (pro rozsah 0 až +100°C) |
| max. chyba | 0,2% / 10K (pro rozsah 0 až +100°C) | |
| – napěťové závislosti (ČSN IEC 770) | < 0,008% / 1V | |
| – vliv zatěžovacího odporu | < 0,003% / 100 Ω | |
| – napájecí napětí | 11 až 30 VDC (ochrana proti přepólování) | |
| – max. hodnota zatěžovacího odporu v proudové | ||
| smyčce při Vs = 24 V DC | 600 Ω | |
| – max. odpor přívodních vodičů k Pt 100 | 1000 Ω | |
| – výstupní signál | 4 až 20 mA (linearizovaný s teplotou) | |
| – proud protékající odpor. snímačem | cca 0,5 mA | |
| – proud při přerušení odpor.snímače | max. 30 mA | |
| – proud při zkratu odpor. snímače | max. 3,9 mA | |
| – dlouhodobá stabilita a drift převodníku | 0,006% / 500 hodin | |
| Měřicí rozsahy: |
| -200 až +650 °C |
| -50 až +150 °C |
| -50 až +50 °C |
| 0 až +50 °C |
| 0 až +100 °C |
| 0 až +120 °C |
| 0 až +150 °C |
| 0 až +200 °C |
| 0 až +250 °C |
| 0 až +300 °C |
| 0 až +400 °C |
| 0 až +500 °C |
| 0 až +600 °C |
| 0 až +700 °C |
| 0 až +850 °C |
| +300 až +600 °C |
| Způsob objednávání: | |
| V objednávce se uvádí: | – počet kusů |
| – název | |
| – objednací číslo dle tabulky | |
| Příklad objednávky: | 6 ks převodník MODEL 110 – 224 PtTI-EX |
| obj. č.: 110-224 PtTI-EX 0 až +100°C | |
| Parametry související s jiskrovou bezpečností: | |
| – kategorie jiskrové bezpečnosti | II 2G EEx ia IIC T4 (dle ČSN EN 50 014 a ČSN EN 50 020) |
| – max. napájecí napětí Vin max | 28 VDC |
| – max. přípustný proud Iin max | 93 mA |
| – efektivní kapacita Cef | 15 nF |
| – max. vnitřní indukčnost Lint | 1 mH |
| – doporučený typ kabelu | MK 2×0,15 TP 03/41 MTP 107/68 (Cmax = 120pF/m) |
| MK 2×0,35 TP 03/41 MTP 107/68 (Cmax = 120pF/m) | |
| – max. délka kabelu | 1250 m |
| Navázání snímače teploty na ostatní části obvodu: pomocí převodníku galvanického: | |
| složení sestavy: | – snímač Pt 100 (provedení EX pro SNV prostředí) – např. 111 – Pt100-EX (výrobce TRESTON spol. s r.o.) |
| – převodník 110 – 224 PtTI-EX | |
| – zdroj pro napájení jiskrově bezpečných obvodů UNAZ – EX 24V/0.5W (výrobce TRESTON spol. s r.o.) | |
| – zdroj pro napájení měřicích převodníků UNAZ 24V/1.5 W (výrobce TRESTON spol. s r.o.) | |
| – oddělovací převodník GALVI – B – EX (výrobce TRESTON spol. s r.o.) | |
| – doporučený kabel (viz výše) | |



- 110-229A PtTUI
Převodník pro odporový vysílač teploty Pt 100 s možností realizace výstupních signálů 4 – 20mA, 0 – 20mA, 0 – 5V, 0 – 10V dle konkrétní objednávky, třívodičově připojený sensor.
Více informací o produktu:
- Popis produktu
- Použití
- Pracovní podmínky
- Návod k instalaci
- Technická data
- Provozní podmínky zařízení
- Způsob objednávání
- Obr.1: Zástavbové rozměry
- Obr. 3a: Zapojení převodníku do obvodu výstup 0 až 20 mA
- Obr. 3b: Zapojení převodníku do obvodu výstup 4 až 20 mA
- Obr. 3c: Zapojení převodníku do obvodu výstup 0 až 5 V (0 až 10V)
Převodník pro odporový vysílač teploty Pt 100 s možností realizace proudových a napěťových normalizovaných výstupních signálů v Al krabičce
Signál z teplotního vysílače je přiveden na vstup převodníku. Odpor přívodních vodičů je u třívodičového připojení plně kompenzován.Výstup z převodníku lze nastavit dle objednávky na jeden ze signálů 0 až 20 mA, 4 až 20 mA, 0 až 5 V a 0 až 10 V. V případě výstupu 4 až 20 mA obvod pracuje jako pasivní vysílač v proudové smyčce a výstup převodníku slouží zároveň k jeho napájení. V ostatních variantách slouží k napájení samostatný vodič.Převodník není vybaven galvanickým oddělením vstupního a výstupního signálu.
Převodník je určen pro převod signálu z odporových vysílačů teploty Pt 100 na jeden ze čtyř normalizovaných výstupů. Výstupní signál je lineární s teplotou.Převodník je určen pro umístění do těžších provozů, kde dostačuje ochrana krytím IP 44.
Teplota v okolí krabičky s převodníkem smí dosáhnout za provozu max. +70°C (na přání zákazníka za příplatek až +85°C). Převodník je možno umístit v libovolné poloze.
Činnost podle této statě smí vykonávat pracovníci alespoň znalí dle §5 vyhlášky 50/1978 Sb., resp. 51/1978 Sb.Převodník 110 – 229A PtTUI se upevňuje šroubováním na základní desku pomocí čtyř šroubů M5. Kryt převodníku se musí uzemnit v označeném bodě (značka na krytu). Svorkovnice jsou přístupné po odšrubování víčka. Připojovací kabely se provlečou těsnícími průchodkami a vývody se zapojí dle obr.3a až 3c. Vnitřní průměr těsnění musí odpovídat průměru kabelu. Těsnící průchodky kabelů se dokonale utáhnou pomocí stranového klíče OK 22. Nakonec se přišroubuje krycí víčko.Doporučuje se orientovat kryt převodníku tak, aby průchodky kabelů nebyly orientovány směrem nahoru.V případě nutnosti dostavení měřicího rozsahu převodníku je možno po sejmutí víčka krabičky nastavit rozpětí a nulu převodníku pomocí hodinářského šroubováku. Pozice nastavovacích trimrů je uvedena v obr. 2. K napájení převodníku se doporučuje stabilizovaný zdroj 222 – UNAZ – DC 24V/1,5W (výrobce TRESTON spol. s r.o.).
| Technická data: | ||
| – vstupní signál | odporový snímač teploty Pt 100 | |
| dle DIN IEC 751 | ||
| – zapojení snímače | třívodičově (zcela kompenzován vliv přívodů) | |
| – napájecí napětí převodníku | 13 až 30 VDC pro výstup 4 ÷ 20 mA | |
| (ochrana proti přepólování napájecího napětí) | 20 až 30 VDC pro výstupy 0 ÷ 20 mA, 0 ÷ 5 V, 0 ÷ 10 V | |
| – max. hodnota zatěžovacího odporu v proudové | ||
| smyčce při Vs = 24 V DC | 500 Ω | |
| – výstupní signál | 4 až 20 mA (pasivní výstup – proudová smyčka) | |
| 0 až 20 mA (aktivní výstup – třívodičové zapojení) | ||
| 0 až 5 V ( třívodičové zapojení, výstup vytvořen z 0 až 20 mA úbytkem na odporu 250 Ωů) | ||
| 0 až 10 V(třívodičové zapojení, výstup vytvořen z 0 až 20 mA úbytkem na odporu 500 Ωů) | ||
| – linearizace | průběh R/T je linearizován | |
| – proud protékající čidlem teploty | < 1 mA | |
| – proud při přerušení čidla teploty (proudové výstupy) | < 35 mA (4 až 20 mA) | |
| < 30 mA (0 až 20 mA) | ||
| – proud při zkratu čidla teploty (proudové výstupy) | < 3,9 mA | |
| – chyby (ČSN IEC 770) | – základní chyba | 0.15% |
| – hystereze | 0.03% | |
| – opakovatelnost | 0.07% | |
| – linearita | 0.1% | |
| – teplotní závislosti (ČSN IEC 770) | – chyba nuly | 0.1% / 10K |
| – chyba rozpětí | 0.15% / 10K | |
| – max. chyba | 0.25% / 10K | |
| – napěťové závislosti (ČSN IEC 770) | < 0,005% / 1V | |
| – vliv zatěžovacího odporu | < 0.018% / 100 Ω | |
| – dlouhodobá stabilita a drift převodníku | 0.006% / 500 hodin | |
| – měřicí rozsahy | -30 až +70, -50 až +50, -50 ař +150, 0 až +50, 0 až +100, 0 až +150, 0 až +200, 0 až +250, 0 až 300, 0 až 400, 0 až 500, 0 až 600°C (jiný rozsah po konzultaci s výrobcem) | |
| Provozní podmínky zařízení: | ||
| – teplota okolního prostředí | 0 až +70°C (-40 až +85°C) | |
| – relativní vlhkost | 40 až 70% | |
| – atmosférický tlak | 84 až 107 kPa | |
| – krytí | IP 44 | |
| – přípustný průřez připojovacích vodičů | 0,5 až 2,5 mm⊃; | |
| – šířka modulu | 70 mm | |
| – materiál krabičky | tlakem litá hliníková slitina | |
| – povrchová úprava krabičky | lakování | |
| – odolnost krabičky proti ohni | nehořlavá | |
| – odolnost a stálost proti vibracím | 10 až 60 Hz | 0.14 mm (amplituda) |
| 60 až 500 Hz | 19.6 m/s⊃; (špičkové zrychlení) | |
| Způsob objednávání: | |
| V objednávce se uvádí: | – počet kusů |
| – název | |
| – objednací číslo dle tabulky | |
| Příklad objednávky: | 6 ks převodník MODEL 110 – 229A PtTUI |
| obj. č.: 110-229A PtTUI 0 až +100°C 0 až 5 V | |




- 110-224 RIP
Převodník pro odporové vysílače (potenciometr) s výstupem 4 až 20mA, třívodičově připojený snímač.
Více informací o produktu:
- Popis produktu
- Použití
- Pracovní podmínky
- Návod k instalaci
- Technická data
- Měřicí rozsahy
- Provozní podmínky zařízení
- Způsob objednávání
- Obr.1: Zástavbové rozměry
- Obr. 2: Zapojení převodníku do obvodu
- Obr. 3: Nastavovací trimry převodníku
Převodník pro odporové vysílače s proudovým výstupem 4 – 20 mA v Al krabičce
Signál z proměnného rezistoru je přiveden na vstup převodníku. Odpor přívodních vodičů je plně kompenzován. Obvod pracuje jako pasivní vysílač v proudové smyčce. Výstup převodníku slouží zároveň k jeho napájení. Převodník není vybaven galvanickým oddělením vstupního a výstupního signálu.
Převodníky jsou určeny pro převod signálu z odporových vysílačů na normalizovaný proudový výstup 4 až 20 mA. Převodníky jsou určeny pro umístění do těžších provozů, kde dostačuje ochrana krytím IP 44.
Teplota v okolí krabičky s převodníkem smí dosáhnout za provozu max. +70°C (na přání zákazníka za příplatek až +85°C). Převodník je možno umístit v libovolné poloze.
Činnost podle této statě smí vykonávat pracovníci alespoň znalí dle §5 vyhlášky 50/1978 Sb., resp. 51/1978 Sb.Převodník 110 – 224 RIR (110 – 224 RIP) se upevňuje šroubováním na základní desku pomocí čtyř šroubů M5. Kryt převodníku se musí uzemnit v označeném bodě (značka na krytu). Svorkovnice jsou přístupné po odšrubování víčka. Svorku COM je nutno dobře uzemnit (na šasi rozvaděče, případně na GND napájecího zdroje). Připojovací kabely se provlečou těsnícími průchodkami a vývody se zapojí dle obr.2. Vnitřní průměr těsnění musí odpovídat průměru kabelu. Těsnící průchodky kabelů se dokonale utáhnou pomocí stranového klíče OK 22. Nakonec se přišroubuje krycí víčko.Doporučuje se orientovat kryt převodníku tak, aby průchodky kabelů nebyly orientovány směrem nahoru.V případě nutnosti dostavení měřicího rozsahu převodníku je možno po sejmutí víčka krabičky nastavit rozpětí a nulu převodníku pomocí hodinářského šroubováku. Pozice nastavovacích trimrů je uvedena v obr. 3. K napájení převodníku se doporučuje stabilizovaný zdroj 222 – UNAZ – DC 24V/1,5W (výrobce TRESTON spol. s r.o.).
| Technická data: | ||
| – vstupní signál | potenciometr | |
| – zapojení snímače | třívodičově jako potenciometr nebo reostat | |
| (zcela kompenzován vliv přívodů). | ||
| – měřicí rozsahy | viz. Tabulka měřicí rozsaahy | |
| – chyby | základní | 0,1% |
| (ČSN IEC 770) | hystereze | 0,02% |
| opakovatelnost | 0,015% | |
| linearita | 0,08% | |
| – teplotní závislosti | chyba nuly | 0,15% / 10K |
| (ČSN IEC 770) | chyba rozpětí | 0,1% / 10K |
| max. chyba | 0,2% / 10K | |
| – napěťové závislosti (ČSN IEC 770) | < 0,008% / 1V | |
| – vliv zatěžovacího odporu | < 0,003% / 100 Ω | |
| – napájecí napětí | 12 až 30 VDC (ochrana proti přepólování) | |
| – max. hodnota zatěžovacího odporu v proudové | ||
| smyčce při Vs = 24 V DC | 600 Ω | |
| – max. odpor přívodních vodičů k odpor.vysílači | 1000 Ω | |
| – výstupní signál | 4 až 20 mA | |
| – proud při přerušení odpor.vysílače | max. 30 mA | |
| Měřicí rozsahy: |
| 5 až 105 Ω |
| 0 až 130 Ω |
| 0 až 214 Ω |
| 0 až 500 Ω |
| 0 až 1000 Ω |
| 0 až 2500 Ω |
| 0 až 5000 Ω |
| Provozní podmínky zařízení: | ||
| – teplota okolního prostředí | 0 až +70°C (-40 až +85°C) | |
| – relativní vlhkost | 40 až 70% | |
| – atmosférický tlak | 84 až 107 kPa | |
| – krytí | IP 44 | |
| – přípustný průřez připojovacích vodičů | 0,5 až 2,5 mm⊃; | |
| – šířka modulu | 70 mm | |
| – materiál krabičky | tlakem litá hliníková slitina | |
| – povrchová úprava krabičky | lakování | |
| – odolnost krabičky proti ohni | nehořlavá | |
| – odolnost a stálost proti vibracím | 10 až 60 Hz | 0.14 mm (amplituda) |
| 60 až 500 Hz | 19.6 m/s⊃; (špičkové zrychlení) | |
| – odolnost proti rušení | ČSN IEC 801-3, úroveň 3 (kap. 5) | |
| ČSN IEC 801-4, úroveň 4 (kap. 5) | ||
| ČSN IEC 801-6, úroveň 2 (TAB.1, čl. 5.1) | ||
| Způsob objednávání: | |
| V objednávce se uvádí: | – počet kusů |
| – název | |
| – objednací číslo dle tabulky | |
| Příklad objednávky: | 6 ks převodník MODEL 110 – 224 RIP |
| obj. č.: 110-224 RI P 5 ÷ 105 Ω | |



- 110-224 RIR
Převodník pro odporové vysílače (reostat) s výstupem 4 až 20mA, třívodičově připojený snímač.
Více informací o produktu:
- Popis produktu
- Použití
- Pracovní podmínky
- Návod k instalaci
- Technická data
- Měřicí rozsahy
- Provozní podmínky zařízení
- Způsob objednávání
- Obr.1: Zástavbové rozměry
- Obr. 2: Zapojení převodníku do obvodu
- Obr. 3: Nastavovací trimry převodníku
Převodník pro odporové vysílače s proudovým výstupem 4 – 20 mA v Al krabičce
Signál z proměnného rezistoru je přiveden na vstup převodníku. Odpor přívodních vodičů je plně kompenzován. Obvod pracuje jako pasivní vysílač v proudové smyčce. Výstup převodníku slouží zároveň k jeho napájení.Převodník není vybaven galvanickým oddělením vstupního a výstupního signálu.
Převodníky jsou určeny pro převod signálu z odporových vysílačů na normalizovaný proudový výstup 4 až 20 mA. Převodníky jsou určeny pro umístění do těžších provozů, kde dostačuje ochrana krytím IP 44.
Teplota v okolí krabičky s převodníkem smí dosáhnout za provozu max. +70°C (na přání zákazníka za příplatek až +85°C). Převodník je možno umístit v libovolné poloze.
Činnost podle této statě smí vykonávat pracovníci alespoň znalí dle §5 vyhlášky 50/1978 Sb., resp. 51/1978 Sb.Převodník 110 – 224 RIR (110 – 224 RIP) se upevňuje šroubováním na základní desku pomocí čtyř šroubů M5. Kryt převodníku se musí uzemnit v označeném bodě (značka na krytu). Svorkovnice jsou přístupné po odšrubování víčka. Svorku COM je nutno dobře uzemnit (na šasi rozvaděče, případně na GND napájecího zdroje). Připojovací kabely se provlečou těsnícími průchodkami a vývody se zapojí dle obr.2. Vnitřní průměr těsnění musí odpovídat průměru kabelu. Těsnící průchodky kabelů se dokonale utáhnou pomocí stranového klíče OK 22. Nakonec se přišroubuje krycí víčko.Doporučuje se orientovat kryt převodníku tak, aby průchodky kabelů nebyly orientovány směrem nahoru.V případě nutnosti dostavení měřicího rozsahu převodníku je možno po sejmutí víčka krabičky nastavit rozpětí a nulu převodníku pomocí hodinářského šroubováku. Pozice nastavovacích trimrů je uvedena v obr. 3. K napájení převodníku se doporučuje stabilizovaný zdroj 222 – UNAZ – DC 24V/1,5W (výrobce TRESTON spol. s r.o.).
| Technická data: | ||
| – vstupní signál | proměnný odpor | |
| – zapojení snímače | třívodičově jako potenciometr nebo reostat | |
| (zcela kompenzován vliv přívodů). | ||
| – měřicí rozsahy | viz. Tabulka měřicí rozsaahy | |
| – chyby | základní | 0,1% |
| (ČSN IEC 770) | hystereze | 0,02% |
| opakovatelnost | 0,015% | |
| linearita | 0,08% | |
| – teplotní závislosti | chyba nuly | 0,15% / 10K |
| (ČSN IEC 770) | chyba rozpětí | 0,1% / 10K |
| max. chyba | 0,2% / 10K | |
| – napěťové závislosti (ČSN IEC 770) | < 0,008% / 1V | |
| – vliv zatěžovacího odporu | < 0,003% / 100 Ω | |
| – napájecí napětí | 12 až 30 VDC (ochrana proti přepólování) | |
| – max. hodnota zatěžovacího odporu v proudové | ||
| smyčce při Vs = 24 V DC | 600 Ω | |
| – max. odpor přívodních vodičů k odpor.vysílači | 1000 Ω | |
| – výstupní signál | 4 až 20 mA | |
| – proud při přerušení odpor.vysílače | max. 30 mA | |
| Měřicí rozsahy: |
| 0 až 100 Ω |
| 0 až 105 Ω |
| 5 až 105 Ω |
| 0 až 400 Ω |
| 0 až 500 Ω |
| 0 až 650 Ω |
| 0 až 2500 Ω |
| 0 až 5000 Ω |
| Provozní podmínky zařízení: | ||
| – teplota okolního prostředí | 0 až +70°C (-40 až +85°C) | |
| – relativní vlhkost | 40 až 70% | |
| – atmosférický tlak | 84 až 107 kPa | |
| – krytí | IP 44 | |
| – přípustný průřez připojovacích vodičů | 0,5 až 2,5 mm⊃; | |
| – šířka modulu | 70 mm | |
| – materiál krabičky | tlakem litá hliníková slitina | |
| – povrchová úprava krabičky | lakování | |
| – odolnost krabičky proti ohni | nehořlavá | |
| – odolnost a stálost proti vibracím | 10 až 60 Hz | 0.14 mm (amplituda) |
| 60 až 500 Hz | 19.6 m/s⊃; (špičkové zrychlení) | |
| – odolnost proti rušení | ČSN IEC 801-3, úroveň 3 (kap. 5) | |
| ČSN IEC 801-4, úroveň 4 (kap. 5) | ||
| ČSN IEC 801-6, úroveň 2 (TAB.1, čl. 5.1) | ||
| Způsob objednávání: | |
| V objednávce se uvádí: | – počet kusů |
| – název | |
| – objednací číslo dle tabulky | |
| Příklad objednávky: | 6 ks převodník MODEL 110 – 224 RIR |
| obj. č.: 110-224 RI R 0 ÷ 105 Ω | |



- 110-224 RIP-EX
Převodník pro odporové vysílače (potenciometr) s výstupem 4 až 20mA, třívodičový připojený snímač, určen do prostředí SNV (kategorie jiskrové bezpečnosti II 2G EEx ia IIC T4).
Více informací o produktu:
- Popis produktu
- Použití
- Pracovní podmínky
- Návod k instalaci
- Technická data
- Měřicí rozsahy
- Parametry související s jiskrovou bezpečností
- Provozní podmínky zařízení
- Navázání snímače teploty na ostatní části obvodu
- Způsob objednávání
- Obr.1: Zástavbové rozměry
- Obr. 2: Nastavovací trimry převodníku
- Obr. 3: Zapojení převodníku do obvodu
Převodník pro odporové vysílače s proudovým výstupem 4 – 20 mA v Al krabičce do prostředí s nebezpečím výbuchu
Signál z proměnného rezistoru je přiveden na vstup převodníku. Odpor přívodních vodičů je plně kompenzován. Obvod pracuje jako pasivní vysílač v proudové smyčce. Výstup převodníku slouží zároveň k jeho napájení.Převodník není vybaven galvanickým oddělením vstupního a výstupního signálu.
Převodník je určen pro převod signálu z odporových vysílačů na normalizovaný proudový výstup 4 až 20 mA. Výstupní signál je lineární s teplotou. Převodník je určen pro umístění do prostředí s nebezpečím výbuchu, kde dostačuje ochrana krytím IP 44.
Teplota v okolí krabičky s převodníkem smí dosáhnout za provozu max. +40°C. Převodník je možno umístit v libovolné poloze.
Činnost podle této statě smí vykonávat pracovníci alespoň znalí dle §5 vyhlášky 50/1978 Sb., resp. 51/1978 Sb.Převodník 110 – 224 RIP-EX (110 – 224 RIR-EX) se upevňuje šroubováním na základní desku pomocí čtyř šroubů M5. Kryt převodníku se musí uzemnit v označeném bodě (značka na krytu). Svorkovnice jsou přístupné po odšrubování víčka. Svorku COM je nutno dobře uzemnit (na šasi rozvaděče, případně na GND napájecího zdroje). Připojovací kabely se provlečou těsnícími průchodkami a vývody se zapojí dle obr.3. Vnitřní průměr těsnění musí odpovídat průměru kabelu. Těsnící průchodky kabelů se dokonale utáhnou pomocí stranového klíče OK 22. Nakonec se přišroubuje krycí víčko.Doporučuje se orientovat kryt převodníku tak, aby průchodky kabelů nebyly orientovány směrem nahoru.V případě nutnosti dostavení měřicího rozsahu převodníku je možno po sejmutí víčka krabičky nastavit rozpětí a nulu převodníku pomocí hodinářského šroubováku. Pozice nastavovacích trimrů je uvedena v obr. 2. K napájení převodníku se doporučuje stabilizovaný zdroj 222 – UNAZ-EX 24V/0,5W (výrobce TRESTON spol. s r.o.).
| Technická data: | ||
| – vstupní signál | potenciometr | |
| – zapojení snímače | třívodičově jako potenciometr nebo reostat | |
| (zcela kompenzován vliv přívodů). | ||
| – měřicí rozsahy | viz. Tabulka měřicí rozsaahy | |
| – chyby | základní | 0,1% |
| (ČSN IEC 770) | hystereze | 0,02% |
| opakovatelnost | 0,015% | |
| linearita | 0,08% | |
| – teplotní závislosti | chyba nuly | 0,15% / 10K |
| (ČSN IEC 770) | chyba rozpětí | 0,1% / 10K |
| max. chyba | 0,2% / 10K | |
| – napěťové závislosti (ČSN IEC 770) | < 0,008% / 1V | |
| – vliv zatěžovacího odporu | < 0,003% / 100 Ω | |
| – napájecí napětí | 12 až 30 VDC (ochrana proti přepólování) | |
| – max. hodnota zatěžovacího odporu v proudové | ||
| smyčce při Vs = 24 V DC | 600 Ω | |
| – max. odpor přívodních vodičů k odpor.vysílači | 1000 Ω | |
| – výstupní signál | 4 až 20 mA | |
| – proud při přerušení odpor.vysílače | max. 30 mA | |
| Měřicí rozsahy: |
| 5 až 105 Ω |
| 0 až 130 Ω |
| 0 až 214 Ω |
| 0 až 500 Ω |
| 0 až 1000 Ω |
| 0 až 2500 Ω |
| 0 až 5000 Ω |
| Parametry související s jiskrovou bezpečností: | |
| – kategorie jiskrové bezpečnosti | II 2G EEx ia IIC T4 (dle ČSN EN 50 014 a ČSN EN 50 020) |
| – max. napájecí napětí Vin max | 28 VDC |
| – max. přípustný proud Iin max | 93 mA |
| – efektivní kapacita Cef | 15 nF |
| – max. vnitřní indukčnost Lint | 1 mH |
| – doporučený typ kabelu | MK 2×0,15 TP 03/41 MTP 107/68 (Cmax = 120pF/m) |
| MK 2×0,35 TP 03/41 MTP 107/68 (Cmax = 120pF/m) | |
| – max. délka kabelu | 1250 m |
| Provozní podmínky zařízení: | ||
| – teplota okolního prostředí | -30 až +40°C | |
| – relativní vlhkost | 40 až 70% | |
| – atmosférický tlak | 84 až 107 kPa | |
| – krytí | IP 44 | |
| – přípustný průřez připojovacích vodičů | 0,5 až 2,5 mm⊃; | |
| – šířka modulu | 70 mm | |
| – materiál krabičky | tlakem litá hliníková slitina | |
| – povrchová úprava krabičky | lakování | |
| – odolnost krabičky proti ohni | nehořlavá | |
| – odolnost a stálost proti vibracím | 10 až 60 Hz | 0.14 mm (amplituda) |
| 60 až 500 Hz | 19.6 m/s⊃; (špičkové zrychlení) | |
| – odolnost proti rušení | ČSN IEC 801-3, úroveň 3 (kap. 5) | |
| ČSN IEC 801-4, úroveň 4 (kap. 5) | ||
| ČSN IEC 801-6, úroveň 2 (TAB.1, čl. 5.1) | ||
| Navázání snímače teploty na ostatní části obvodu: pomocí převodníku galvanického: | |
| složení sestavy: | – snímač Pt 100 (provedení EX pro SNV prostředí) – např. 111 – Pt100-EX (výrobce TRESTON spol. s r.o.) |
| – převodník 110 – 224 RIP-EX | |
| – zdroj pro napájení jiskrově bezpečných obvodů UNAZ – EX 24V/0.5W (výrobce TRESTON spol. s r.o.) | |
| – zdroj pro napájení měřicích převodníků UNAZ 24V/1.5 W (výrobce TRESTON spol. s r.o.) | |
| – oddělovací převodník GALVI – B – EX (výrobce TRESTON spol. s r.o.) | |
| – doporučený kabel (viz výše) | |
| Způsob objednávání: | |
| V objednávce se uvádí: | – počet kusů |
| – název | |
| – objednací číslo dle tabulky | |
| Příklad objednávky: | 6 ks převodník MODEL 110 – 224 RIP-EX |
| obj. č.: 110-224 RIP-EX 5 až 105 Ω | |



- 110-224 RIR-EX
Převodník pro odporové vysílače (reostat) s výstupem 4 až 20mA, třívodičový připojený snímač, určen do prostředí SNV (kategorie jiskrové bezpečnosti II 2G EEx ia IIC T4).
Více informací o produktu:
- Popis produktu
- Použití
- Pracovní podmínky
- Návod k instalaci
- Technická data
- Měřicí rozsahy
- Parametry související s jiskrovou bezpečností
- Provozní podmínky zařízení
- Navázání snímače teploty na ostatní části obvodu
- Způsob objednávání
- Obr.1: Zástavbové rozměry
- Obr. 2: Nastavovací trimry převodníku
- Obr. 3: Zapojení převodníku do obvodu
Převodník pro odporové vysílače s proudovým výstupem 4 – 20 mA v Al krabičce do prostředí s nebezpečím výbuchu
Signál z proměnného rezistoru je přiveden na vstup převodníku. Odpor přívodních vodičů je plně kompenzován. Obvod pracuje jako pasivní vysílač v proudové smyčce. Výstup převodníku slouží zároveň k jeho napájení.Převodník není vybaven galvanickým oddělením vstupního a výstupního signálu.
Převodník je určen pro převod signálu z odporových vysílačů na normalizovaný proudový výstup 4 až 20 mA. Výstupní signál je lineární s teplotou. Převodník je určen pro umístění do prostředí s nebezpečím výbuchu, kde dostačuje ochrana krytím IP 44.
Teplota v okolí krabičky s převodníkem smí dosáhnout za provozu max. +40°C. Převodník je možno umístit v libovolné poloze.
Činnost podle této statě smí vykonávat pracovníci alespoň znalí dle §5 vyhlášky 50/1978 Sb., resp. 51/1978 Sb.Převodník 110 – 224 RIP-EX (110 – 224 RIR-EX) se upevňuje šroubováním na základní desku pomocí čtyř šroubů M5. Kryt převodníku se musí uzemnit v označeném bodě (značka na krytu). Svorkovnice jsou přístupné po odšrubování víčka. Svorku COM je nutno dobře uzemnit (na šasi rozvaděče, případně na GND napájecího zdroje). Připojovací kabely se provlečou těsnícími průchodkami a vývody se zapojí dle obr.3. Vnitřní průměr těsnění musí odpovídat průměru kabelu. Těsnící průchodky kabelů se dokonale utáhnou pomocí stranového klíče OK 22. Nakonec se přišroubuje krycí víčko.Doporučuje se orientovat kryt převodníku tak, aby průchodky kabelů nebyly orientovány směrem nahoru.V případě nutnosti dostavení měřicího rozsahu převodníku je možno po sejmutí víčka krabičky nastavit rozpětí a nulu převodníku pomocí hodinářského šroubováku. Pozice nastavovacích trimrů je uvedena v obr. 2. K napájení převodníku se doporučuje stabilizovaný zdroj 222 – UNAZ-EX 24V/0,5W (výrobce TRESTON spol. s r.o.).
| Technická data: | ||
| – vstupní signál | proměnný odpor | |
| – zapojení snímače | třívodičově jako potenciometr nebo reostat | |
| (zcela kompenzován vliv přívodů). | ||
| – měřicí rozsahy | viz. Tabulka měřicí rozsaahy | |
| – chyby | základní | 0,1% |
| (ČSN IEC 770) | hystereze | 0,02% |
| opakovatelnost | 0,015% | |
| linearita | 0,08% | |
| – teplotní závislosti | chyba nuly | 0,15% / 10K |
| (ČSN IEC 770) | chyba rozpětí | 0,1% / 10K |
| max. chyba | 0,2% / 10K | |
| – napěťové závislosti (ČSN IEC 770) | < 0,008% / 1V | |
| – vliv zatěžovacího odporu | < 0,003% / 100 Ω | |
| – napájecí napětí | 12 až 30 VDC (ochrana proti přepólování) | |
| – max. hodnota zatěžovacího odporu v proudové | ||
| smyčce při Vs = 24 V DC | 600 Ω | |
| – max. odpor přívodních vodičů k odpor.vysílači | 1000 Ω | |
| – výstupní signál | 4 až 20 mA | |
| – proud při přerušení odpor.vysílače | max. 30 mA | |
| Měřicí rozsahy: |
| 0 až 100 Ω |
| 0 až 105 Ω |
| 5 až 105 Ω |
| 0 až 400 Ω |
| 0 až 500 Ω |
| 0 až 650 Ω |
| 0 až 2500 Ω |
| 0 až 5000 Ω |
| Parametry související s jiskrovou bezpečností: | |
| – kategorie jiskrové bezpečnosti | II 2G EEx ia IIC T4 (dle ČSN EN 50 014 a ČSN EN 50 020) |
| – max. napájecí napětí Vin max | 28 VDC |
| – max. přípustný proud Iin max | 93 mA |
| – efektivní kapacita Cef | 15 nF |
| – max. vnitřní indukčnost Lint | 1 mH |
| – doporučený typ kabelu | MK 2×0,15 TP 03/41 MTP 107/68 (Cmax = 120pF/m) |
| MK 2×0,35 TP 03/41 MTP 107/68 (Cmax = 120pF/m) | |
| – max. délka kabelu | 1250 m |
| Provozní podmínky zařízení: | ||
| – teplota okolního prostředí | -30 až +40°C | |
| – relativní vlhkost | 40 až 70% | |
| – atmosférický tlak | 84 až 107 kPa | |
| – krytí | IP 44 | |
| – přípustný průřez připojovacích vodičů | 0,5 až 2,5 mm⊃; | |
| – šířka modulu | 70 mm | |
| – materiál krabičky | tlakem litá hliníková slitina | |
| – povrchová úprava krabičky | lakování | |
| – odolnost krabičky proti ohni | nehořlavá | |
| – odolnost a stálost proti vibracím | 10 až 60 Hz | 0.14 mm (amplituda) |
| 60 až 500 Hz | 19.6 m/s⊃; (špičkové zrychlení) | |
| – odolnost proti rušení | ČSN IEC 801-3, úroveň 3 (kap. 5) | |
| ČSN IEC 801-4, úroveň 4 (kap. 5) | ||
| ČSN IEC 801-6, úroveň 2 (TAB.1, čl. 5.1) | ||
| Navázání snímače teploty na ostatní části obvodu: pomocí převodníku galvanického: | |
| složení sestavy: | – snímač Pt 100 (provedení EX pro SNV prostředí) – např. 111 – Pt100-EX (výrobce TRESTON spol. s r.o.) |
| – převodník 110 – 224 RIR-EX | |
| – zdroj pro napájení jiskrově bezpečných obvodů UNAZ – EX 24V/0.5W (výrobce TRESTON spol. s r.o.) | |
| – zdroj pro napájení měřicích převodníků UNAZ 24V/1.5 W (výrobce TRESTON spol. s r.o.) | |
| – oddělovací převodník GALVI – B – EX (výrobce TRESTON spol. s r.o.) | |
| – doporučený kabel (viz výše) | |
| Způsob objednávání: | |
| V objednávce se uvádí: | – počet kusů |
| – název | |
| – objednací číslo dle tabulky | |
| Příklad objednávky: | 6 ks převodník MODEL 110 – 224 RIR-EX |
| obj. č.: 110-224 RIR-EX 0 až 105 Ω | |



- 110-207 NiTI
Převodník pro odporový vysílač teploty Ni1000 s výstupem 4 až 20mA, dvouvodičově připojený senzor.
Více informací o produktu:
- Popis produktu
- Použití
- Pracovní podmínky
- Návod k instalaci
- Technická data
- Měřicí rozsahy
- Provozní podmínky zařízení
- Způsob objednávání
- Obr.1: Zástavbové rozměry
- Obr. 2: Zapojení převodníku do obvodu
- Obr. 3: Nastavovací trimry převodníku
Převodník pro odporový vysílač teploty Ni 1000 s proudovým výstupem 4 – 20 mA v Al krabičce
Signál z teplotního vysílače je přiveden na vstup převodníku. Obvod pracuje jako pasivní vysílač v proudové smyčce. Výstup převodníku slouží zároveň k jeho napájení. Převodník není vybaven galvanickým oddělením vstupního a výstupního signálu.
Převodník je určen pro převod signálu z odporových vysílačů teploty Ni 1000 na normalizovaný proudový výstup 4 až 20 mA. Výstupní signál je lineární s teplotou. Převodník je určen pro umístění do těžších provozů, kde dostačuje ochrana krytím IP 44.
Teplota v okolí krabičky s převodníkem smí dosáhnout za provozu max. +70°C (na přání zákazníka za příplatek až +85°C). Převodník je možno umístit v libovolné poloze.
Činnost podle této statě smí vykonávat pracovníci alespoň znalí dle §5 vyhlášky 50/1978 Sb., resp. 51/1978 Sb.Převodník 110 – 207 NiTI se upevňuje šroubováním na základní desku pomocí čtyř šroubů M5. Kryt převodníku se musí uzemnit v označeném bodě (značka na krytu). Svorkovnice jsou přístupné po odšrubování víčka. Pomocí svorky COM je možno propojit stínění vstupního a výstupního kabelu. Připojovací kabely se provlečou těsnícími průchodkami a vývody se zapojí dle obr.2. Vnitřní průměr těsnění musí odpovídat průměru kabelu. Těsnící průchodky kabelů se dokonale utáhnou pomocí stranového klíče OK 22. Nakonec se přišroubuje krycí víčko.Doporučuje se orientovat kryt převodníku tak, aby průchodky kabelů nebyly orientovány směrem nahoru.V případě nutnosti dostavení měřicího rozsahu převodníku je možno po sejmutí víčka krabičky nastavit rozpětí a nulu převodníku pomocí hodinářského šroubováku. Pozice nastavovacích trimrů je uvedena v obr. 3. K napájení převodníku se doporučuje stabilizovaný zdroj 222 – UNAZ – DC 24V/1,5W (výrobceTRESTON spol.s r.o.).
| Technická data: | ||
| – vstupní signál | odporový snímač teploty Ni 1000 | |
| dle DIN 43 760 | ||
| – zapojení snímače | dvouvodičově | |
| – měřicí rozsahy | viz. Tabulka | |
| – chyby | základní | 0,3% |
| (ČSN IEC 770) | hystereze | 0,05% |
| opakovatelnost | 0,07% | |
| linearita | 0,25% | |
| – teplotní závislosti | chyba nuly | 0,1% / 10K |
| (ČSN IEC 770) | chyba rozpětí | 0,15% / 10K |
| max. chyba | 0,25% / 10K | |
| – napěťové závislosti (ČSN IEC 770) | < 0,005% / 1V | |
| – vliv zatěžovacího odporu | < 0,018% / 100 Ω | |
| – napájecí napětí | 11 až 30 VDC (ochrana proti přepólování) | |
| – max. hodnota zatěžovacího odporu v proudové | ||
| smyčce při Vs = 24 V DC | 600 Ω | |
| – výstupní signál | 4 až 20 mA (linearizovaný s teplotou) | |
| – proud protékající odpor. snímačem | cca 0,5 mA | |
| – proud při přerušení odpor.snímače | max. 30 mA | |
| – proud při zkratu odpor. snímače | max. 3,9 mA | |
| – dlouhodobá stabilita a drift převodníku | 0,006% / 500 hodin | |
| Měřicí rozsahy: |
| -50 až +150 °C |
| -50 až +150 °C |
| -20 až +140 °C |
| 0 až +30 °C |
| 0 až +50 °C |
| 0 až +60 °C |
| 0 až +100 °C |
| 0 až +150 °C |
| Provozní podmínky zařízení: | ||
| – teplota okolního prostředí | 0 až +70°C (-40 až +85°C) | |
| – relativní vlhkost | 40 až 70% | |
| – atmosférický tlak | 84 až 107 kPa | |
| – krytí | IP 44 | |
| – přípustný průřez připojovacích vodičů | 0,5 až 2,5 mm⊃; | |
| – šířka modulu | 70 mm | |
| – materiál krabičky | tlakem litá hliníková slitina | |
| – povrchová úprava krabičky | lakování | |
| – odolnost krabičky proti ohni | nehořlavá | |
| – odolnost a stálost proti vibracím | 10 až 60 Hz | 0.14 mm (amplituda) |
| 60 až 500 Hz | 19.6 m/s⊃; (špičkové zrychlení) | |
| Způsob objednávání: | |
| V objednávce se uvádí: | – počet kusů |
| – název | |
| – objednací číslo dle tabulky | |
| Příklad objednávky: | 6 ks převodník MODEL 110 – 207 NiTI |
| obj. č.: 110-207 NiTI 0 ÷ +100°C | |



- 110-207 NiTI-S
Prostorový snímač teploty s výstupem 4 až 20mA.
Více informací o produktu:
- Popis produktu
- Použití
- Pracovní podmínky
- Návod k instalaci
- Technická data
- Měřicí rozsahy
- Provozní podmínky zařízení
- Způsob objednávání
- Obr.1: Zástavbové rozměry
- Obr. 2: Zapojení převodníku do obvodu
- Obr. 3: Nastavovací trimry převodníku
Převodník pro odporový vysílač teploty Ni 1000 s proudovým výstupem 4 – 20 mA v Al krabičce
Signál z teplotního senzoru umístěného na hrdle krabičky je přiveden na vstup převodníku. Obvod pracuje jako pasivní vysílač v proudové smyčce. Výstup převodníku slouží zároveň k jeho napájení.Převodník není vybaven galvanickým oddělením vstupního a výstupního signálu.
Snímač je určen pro měření okolní teploty prostředí a převod na normalizovaný proudový výstup 4 až 20 mA. Výstupní signál je lineární s teplotou. Převodník je určen pro umístění do těžších provozů, kde dostačuje ochrana krytím IP 44.
Teplota v okolí krabičky s převodníkem smí dosáhnout za provozu max. +70°C (na přání zákazníka za příplatek až +85°C). Převodník je možno umístit v libovolné poloze.
Činnost podle této statě smí vykonávat pracovníci alespoň znalí dle §5 vyhlášky 50/1978 Sb., resp. 51/1978 Sb.Převodník 110 – 207 NiTI-S se upevňuje šroubováním na základní desku pomocí čtyř šroubů M5. Kryt převodníku se musí uzemnit v označeném bodě (značka na krytu). Svorkovnice jsou přístupné po odšrubování víčka. Pomocí svorky COM je možno propojit stínění vstupního a výstupního kabelu. Připojovací kabely se provlečou těsnícími průchodkami a vývody se zapojí dle obr.2. Vnitřní průměr těsnění musí odpovídat průměru kabelu. Těsnící průchodky kabelů se dokonale utáhnou pomocí stranového klíče OK 22. Nakonec se přišroubuje krycí víčko.Doporučuje se orientovat kryt převodníku tak, aby průchodky kabelů nebyly orientovány směrem nahoru.V případě nutnosti dostavení měřicího rozsahu převodníku je možno po sejmutí víčka krabičky nastavit rozpětí a nulu převodníku pomocí hodinářského šroubováku. Pozice nastavovacích trimrů je uvedena v obr. 3. K napájení převodníku se doporučuje stabilizovaný zdroj 222 – UNAZ – DC 24V/1,5W (výrobceTRESTON spol.s r.o.).
| Technická data: | ||
| – vstupní signál | odporový snímač teploty Ni 1000 | |
| dle DIN 43 760 | ||
| – zapojení snímače | dvouvodičově | |
| – měřicí rozsahy | viz. Tabulka | |
| – chyby | základní | 0,3% |
| (ČSN IEC 770) | hystereze | 0,05% |
| opakovatelnost | 0,07% | |
| linearita | 0,25% | |
| – teplotní závislosti | chyba nuly | 0,1% / 10K |
| (ČSN IEC 770) | chyba rozpětí | 0,15% / 10K |
| max. chyba | 0,25% / 10K | |
| – napěťové závislosti (ČSN IEC 770) | < 0,005% / 1V | |
| – vliv zatěžovacího odporu | < 0,018% / 100 Ω | |
| – napájecí napětí | 11 až 30 VDC (ochrana proti přepólování) | |
| – max. hodnota zatěžovacího odporu v proudové | ||
| smyčce při Vs = 24 V DC | 600 Ω | |
| – výstupní signál | 4 až 20 mA (linearizovaný s teplotou) | |
| – proud protékající odpor. snímačem | cca 0,5 mA | |
| – proud při přerušení odpor.snímače | max. 30 mA | |
| – proud při zkratu odpor. snímače | max. 3,9 mA | |
| – dlouhodobá stabilita a drift převodníku | 0,006% / 500 hodin | |
| Měřicí rozsahy: |
| 0 až +30°C |
| 0 až +50°C |
| 0 až +60°C |
| Provozní podmínky zařízení: | ||
| – teplota okolního prostředí | 0 až +70°C (-40 až +85°C) | |
| – relativní vlhkost | 40 až 70% | |
| – atmosférický tlak | 84 až 107 kPa | |
| – krytí | IP 44 | |
| – přípustný průřez připojovacích vodičů | 0,5 až 2,5 mm⊃; | |
| – šířka modulu | 70 mm | |
| – materiál krabičky | tlakem litá hliníková slitina | |
| – povrchová úprava krabičky | lakování | |
| – odolnost krabičky proti ohni | nehořlavá | |
| – odolnost a stálost proti vibracím | 10 až 60 Hz | 0.14 mm (amplituda) |
| 60 až 500 Hz | 19.6 m/s⊃; (špičkové zrychlení) | |
| Způsob objednávání: | |
| V objednávce se uvádí: | – počet kusů |
| – název | |
| – objednací číslo dle tabulky | |
| Příklad objednávky: | 6 ks převodník MODEL 110 – 207 NiTI-S |
| obj. č.: 110-207 NiTI-S 0 ÷ +50°C | |



- 110-230 TERMIU
Převodník pro termoelektrické snímače typů K, J, S, B, L s možností nastavení jednoho ze čtyř výstupních signálů.
Více informací o produktu:
- Popis produktu
- Použití
- Pracovní podmínky
- Návod k instalaci
- Technická data
- Měřicí rozsahy
- Provozní podmínky zařízení
- Způsob objednávání
- Obr.1: Zástavbové rozměry
- Obr. 2: Nastavovací trimry převodníku
- Obr. 3a: Zapojení převodníku do obvodu - výstup 0 až 20 mA
- Obr. 3b: Zapojení převodníku do obvodu - výstup 4 až 20 mA
- Obr. 3c: Zapojení převodníku do obvodu - výstup 0 až 5 V (0 až 10 V)
Signál z termočlánku je přiveden na vstup převodníku. Připojovací svorkovnice je vybavena odporovým snímačem teploty, jehož nelineární charakteristiky se využívá ke kompenzování studeného konce termočlánku.Výstup z převodníku je možno nastavit na 4 až 20 mA v proudové smyčce, 0 až 20 mA (aktivní výstup) nebo 0 až 5 V či 0 až 10 V (odvozeno z 0 až 20 mA úbytkem na odporu). Obvod pracující jako pasivní vysílač v proudové smyčce (4 až 20 mA) je napájen touto smyčkou. Ostatní typy výstupů mají přiveden samostatný napájecí vodič. Převodník není vybaven galvanickým oddělením vstupního a výstupního signálu (není vhodný pro uzemněné termočlánky).
Převodník je určen pro převod signálu z termočlánkových vysílačů teploty na jeden z normalizovaných průmyslových výstupů. Výstupní signál není lineární s teplotou. Studený konec termočlánku je kompenzován. Převodník je určen pro umístění do prostředí kde dostačuje ochrana krytím IP 44.
Teplota v okolí krabičky s převodníkem smí dosáhnout za provozu max. +70°C. Převodník je možno umístit v libovolné poloze.
Činnost podle této statě smí vykonávat pracovníci alespoň znalí dle §5 vyhlášky 50/1978 Sb., resp. 51/1978 Sb.Převodník 110 – 230 TERMIU se upevňuje šroubováním na základní desku pomocí čtyř šroubů M5. Kryt převodníku se musí uzemnit v označeném bodě (značka na krytu). Svorkovnice jsou přístupné po odšrubování víčka. Svorku COM je nutno dobře uzemnit (na šasi rozvaděče, případně na GND napájecího zdroje). Připojovací kabely se provlečou těsnícími průchodkami a vývody se zapojí dle obr.3. Vnitřní průměr těsnění musí odpovídat průměru kabelu. Těsnící průchodky kabelů se dokonale utáhnou pomocí stranového klíče OK 22. Nakonec se přišroubuje krycí víčko.Doporučuje se orientovat kryt převodníku tak, aby průchodky kabelů nebyly orientovány směrem nahoru.V případě nutnosti dostavení měřicího rozsahu převodníku je možno po sejmutí víčka krabičky nastavit rozpětí a nulu převodníku pomocí hodinářského šroubováku. Pozice nastavovacích trimrů je uvedena v obr. 2. K napájení převodníku se doporučuje stabilizovaný zdroj 222 – UNAZ-DC 24V/1,5W (výrobce TRESTON spol. s r.o.).
| Technická data: | ||
| – vstupní signál | termočlánek – Typ: J, K, S, B, L | |
| – kompenzace | studený konec termočlánku je kompenzován | |
| (teplotní snímač na vstupních svorkách převodníku) | ||
| – linearizace | průběh U/T není linearizován | |
| – měřicí rozsahy | viz. tabulka vedle | |
| – chyba měření | základní | 0,1% |
| (ČSN IEC 770) | hystereze | 0,02% |
| opakovatelnost | 0,02% | |
| linearita | 0,05% | |
| – chyba kompenzace studeného konce | 1,2°C (v teplotním rozsahu 0 až +70°C) | |
| – teplotní závislosti | chyba nuly | 0,15% / 10K |
| (ČSN IEC 770) | chyba rozpětí | 0,1% / 10K |
| max. chyba | 0,2% / 10K | |
| – napěťové závislosti (ČSN IEC 770) | < 0,005% / 1V | |
| – vliv zatěžovacího odporu | < 0,002% / 100 Ω | |
| – napájecí napětí | 12 až 30 VDC pro výstup 4 ÷ 20 mA | |
| (ochrana proti přepólování) | 20 až 30 VDC pro výstupy 0 ÷ 20 mA, 0 ÷ 5V, 0 ÷10V | |
| – max. hodnota zatěžovacího odporu v proudové | ||
| smyčce při Vs = 24 V DC | 500 Ω | |
| – výstupní signál – volitelný | 4 až 20 mA (proudová smyčka) | |
| 0 až 20 mA (aktivní výstup – třívodič) | ||
| 0 až 5 V (třívodič) | ||
| 0 až 10 V (třívodič) | ||
| – proud při přerušení odpor.vysílače | max. 30 mA | |
| Měřicí rozsahy: | |
| Typ K: | 0 až +100°C |
| 0 až +200°C | |
| 0 až +600°C | |
| 0 až +900°C | |
| 0 až +1200°C | |
| Typ J: | 0 až +200°C |
| 0 až +300°C | |
| 0 až +600°C | |
| 0 až +800°C | |
| +200 až +600°C | |
| Typ S: | 0 až +1000°C |
| 0 až +1400°C | |
| +600 až +1600°C | |
| Typ B: | +300 až +1850°C |
| Typ L: | +200 až +600°C |
| Provozní podmínky zařízení: | ||
| – teplota okolního prostředí | 0 až +70°C (-40 až +85°C) | |
| – relativní vlhkost | 40 až 70% | |
| – atmosférický tlak | 84 až 107 kPa | |
| – krytí | IP 44 | |
| – přípustný průřez připojovacích vodičů | 0,5 až 2,5 mm⊃; | |
| – šířka modulu | 70 mm | |
| – materiál krabičky | tlakem litá hliníková slitina | |
| – povrchová úprava krabičky | lakování | |
| – odolnost krabičky proti ohni | nehořlavá | |
| – odolnost a stálost proti vibracím | 10 až 60 Hz | 0.14 mm (amplituda) |
| 60 až 500 Hz | 19.6 m/s⊃; (špičkové zrychlení) | |
| Způsob objednávání: | |
| V objednávce se uvádí: | – počet kusů |
| – název | |
| – objednací číslo dle tabulky | |
| Příklad objednávky: | 6 ks převodník MODEL 110 – 230 TERMIU |
| obj. č.: 110-230 TERMIU 0 až +100°C , K , 4 až 20 mA | |





- 110-230 TERMI-EX
Převodník pro termoelektrické snímače typů K, J, S, B, L s výstupem 4 až 20mA, určen do prostředí SNV (kategorie jiskrové bezpeč. II 2G EEx ia IIC T5).
Více informací o produktu:
- Popis produktu
- Použití
- Pracovní podmínky
- Návod k instalaci
- Technická data
- Měřicí rozsahy
- Parametry související s jiskrovou bezpečností
- Provozní podmínky zařízení
- Navázání snímače teploty na ostatní části obvodu
- Způsob objednávání
- Obr.1: Zástavbové rozměry
- Obr. 2: Nastavovací trimry převodníku
- Obr. 3: Zapojení převodníku do obvodu - výstup 4 až 20 mA
Převodník pro termoelektrické snímače v Al krabičce do prostředí s nebezpečím výbuchu
Signál z termočlánku je přiveden na vstup převodníku. Připojovací svorkovnice je vybavena odporovým snímačem teploty, jehož nelineární charakteristiky se využívá ke kompenzování studeného konce termočlánku.Výstup z převodníku je 4 až 20 mA. Obvod pracuje jako pasivní vysílač v proudové smyčce a výstup převodníku slouží zároveň k jeho napájení.Převodník není vybaven galvanickým oddělením vstupního a výstupního signálu (Není vhodný pro uzemněné termočlánky).
Převodník je určen pro převod signálu z termočlánkových vysílačů teploty na normalizovaný průmyslový signál 4 až 20 mA. Výstupní signál není lineární s teplotou. Studený konec termočlánku je kompenzován. Převodník je určen pro umístění do prostředí s nebezpečín výbuchu, kde dostačuje ochrana krytím IP 44. Certifikováno FTZÚ Radvanice pod č. FTZÚ 03 ATEX 0059.
Teplota v okolí krabičky s převodníkem smí dosáhnout za provozu max. +40°C. Převodník je možno umístit v libovolné poloze.
Činnost podle této statě smí vykonávat pracovníci alespoň znalí dle §5 vyhlášky 50/1978 Sb., resp. 51/1978 Sb.Převodník 110 – 230 TERMI-EXse upevňuje šroubováním na základní desku pomocí čtyř šroubů M5. Kryt převodníku se musí uzemnit v označeném bodě (značka na krytu). Svorkovnice jsou přístupné po odšrubování víčka. Svorku COM je nutno dobře uzemnit (na šasi rozvaděče, případně na GND napájecího zdroje). Připojovací kabely se provlečou těsnícími průchodkami a vývody se zapojí dle obr.3. Vnitřní průměr těsnění musí odpovídat průměru kabelu. Těsnící průchodky kabelů se dokonale utáhnou pomocí stranového klíče OK 22. Nakonec se přišroubuje krycí víčko.Doporučuje se orientovat kryt převodníku tak, aby průchodky kabelů nebyly orientovány směrem nahoru.V případě nutnosti dostavení měřicího rozsahu převodníku je možno po sejmutí víčka krabičky nastavit rozpětí a nulu převodníku pomocí hodinářského šroubováku. Pozice nastavovacích trimrů je uvedena v obr. 2 na poslední straně tohoto katalogového listu.K napájení převodníku se doporučuje stabilizovaný zdroj 222 – UNAZ-EX 24V/0,5W (výrobce TRESTON spol. s r.o.).
| Technická data: | ||
| – vstupní signál | termočlánek – Typ: J, K, S, B, L | |
| – kompenzace | studený konec termočlánku je kompenzován | |
| (teplotní snímač na vstupních svorkách převodníku) | ||
| – linearizace | průběh U/T není linearizován | |
| – měřicí rozsahy | viz. tabulka vedle | |
| – chyba měření | základní | 0,1% |
| (ČSN IEC 770) | hystereze | 0,02% |
| opakovatelnost | 0,02% | |
| linearita | 0,05% | |
| – chyba kompenzace studeného konce | 1,5°C (v teplotním rozsahu -30 až +40°C) | |
| – teplotní závislosti | chyba nuly | 0,15% / 10K |
| (ČSN IEC 770) | chyba rozpětí | 0,1% / 10K |
| max. chyba | 0,2% / 10K | |
| – napěťové závislosti (ČSN IEC 770) | < 0,005% / 1V | |
| – vliv zatěžovacího odporu | < 0,002% / 100 Ω | |
| – napájecí napětí | 12 až 28 VDC (ochrana proti přepólování) | |
| – max. hodnota zatěžovacího odporu v proudové | ||
| smyčce při Vs = 24 V DC | 500 Ω | |
| – výstupní signál | 4 až 20 mA (proudová smyčka) | |
| – proud při přerušení odpor.vysílače | max. 30 mA | |
| Měřicí rozsahy: | |
| Typ K: | 0 až +100°C |
| 0 až +200°C | |
| 0 až +600°C | |
| 0 až +900°C | |
| 0 až +1200°C | |
| Typ J: | 0 až +200°C |
| 0 až +300°C | |
| 0 až +600°C | |
| 0 až +800°C | |
| +200 až +600°C | |
| Typ S: | 0 až +1000°C |
| 0 až +1400°C | |
| +600 až +1600°C | |
| Typ B: | +300 až +1850°C |
| Typ L: | +200 až +600°C |
| Parametry související s jiskrovou bezpečností: | ||
| – kategorie jiskrové bezpečnosti | II 2G EEx ia IIC T5 (dle ČSN EN 50 020 a ČSN EN 50 014) | |
| – max. napájecí napětí Ui | 28 VDC | |
| – max. přípustný proud Ii | 93 mA | |
| – vnitřní kapacita Ci | ||
| – max. vnitřní indukčnost Li | ||
| – doporučený typ kabelu | MK 2×0,15 TP 03/41 MTP 107/68 (Cmax = 120pF/m) | |
| MK 2×0,35 TP 03/41 MTP 107/68 (Cmax = 120pF/m) | ||
| – max. délka kabelu | 1250 m | |
| Provozní podmínky zařízení: | ||
| – teplota okolního prostředí | -30 až +40°C | |
| – relativní vlhkost | 40 až 70% | |
| – atmosférický tlak | 84 až 107 kPa | |
| – krytí | IP 44 | |
| – přípustný průřez připojovacích vodičů | 0,5 až 2,5 mm⊃; | |
| – šířka modulu | 70 mm | |
| – materiál krabičky | tlakem litá hliníková slitina | |
| – povrchová úprava krabičky | lakování | |
| – odolnost krabičky proti ohni | nehořlavá | |
| – odolnost a stálost proti vibracím | 10 až 60 Hz | 0.14 mm (amplituda) |
| 60 až 500 Hz | 19.6 m/s⊃; (špičkové zrychlení) | |
| Navázání snímače teploty na ostatní části obvodu: pomocí převodníku galvanického: | |
| složení sestavy: | – termočlánkový vysílač teploty (provedení EX pro SNV prostředí) |
| – převodník 110 – 230 TERMI-EX | |
| – zdroj pro napájení jiskrově bezpečných obvodů UNAZ – EX 24V/0.5W (výrobce TRESTON spol. s r.o.) | |
| – zdroj pro napájení měřicích převodníků UNAZ 24V/1.5 W (výrobce TRESTON spol. s r.o.) | |
| – oddělovací převodník GALVI – B – EX (výrobce TRESTON spol. s r.o.) | |
| – doporučený kabel (viz výše) | |
| Způsob objednávání: | |
| V objednávce se uvádí: | – počet kusů |
| – název | |
| – objednací číslo dle tabulky | |
| Příklad objednávky: | 6 ks převodník MODEL 110 – 230 TERMI-EX |
| obj. č.: 110-230 TERMI-EX 0 až +100°C K | |



Kontakty
TRESTON spol. s r.o.
Částkov 40
687 12 Bílovice
+420 572 580 022 (obchodní oddělení)