Příslušenství
- Mechanické – TTR
Tlumič tlakových rázů, antikorozní ocel, provozní tlak Pmax 70Mpa.
Více informací o produktu:
Tlumič tlakových rázů
Tlumič tlakových rázu TTR byl vyvinut speciálně pro snímače tlaku s tenzo- metrickými čidly, která obvykle snáší 4-násobné přetížení.
Při najíždění technologických zařízení (kotelny, výměníkové stanice) v některých případech i běžnými provozními vlivy, dochází ke vzniku tlakových rázu o velké intenzitě a velmi krátké době trvání, které jsou příčinou zničení snímačů. Vyhodnocením údajů za několik posledních let a zpětným prověřením na místě jsme zjistili, Že 66 % snímačů tlaku od různých výrobců, které pracují na tenzometrickém principu, bylo poškozeno právě tlakovými nárazy.
Vyráběná provedení Tlumiče tlakových rázu TTR viz tabulka. Těleso tlumiče je standardně z antikorozní oceli. Maximální provozní a skladovací teplota +95 °C. Maximální provozní tlak Pmax 70 MPa.
- Pro měření tlaku páry před TTR předřadit kondenzační smyčku. Pracovní teplota TTR je do +95°C.
- Před TTR, případně před kondenzační smyčku, doporučujeme umístit vhodný ventil – jednak pro snadnou demontáž TTR (převodníku tlaku), ale také pro účely ochrany měřícího místa při odkalování / profukování.
- TTR má připojovací závit pro montáž na zkušební manometrový ventil nebo kohout do pravolevé matice. Montáž provádět klíčem 27 v místě šestihranu. Provedení tlakové přípojky snímače podle DIN 3852 je těsněno O – kroužkem – je součástí dodávky snímače. Provedení dle EN 837-1/-31) je těsněno plochým těsněním pro manometrové šroubení 17 x 6,5 x 2 Cu, Al – není standardní součástí dodávky.
- Na TTR se vztahuje záruční doba 12 měsíců za předpokladu dodržení pokynů v návodu k obsluze. Záruční doba se počítá od měsíce výroby, který je uveden na výrobním štítku TTR (například 02/99) – odpovídá datu expedice.
Za záruční závadu se nepovažuje zanesení TTR mechanickými nečistotami z měřeného media nebo tuhnoucími zbytky media.
| Charakteristické rozměry TTR: | ||||
| Označení | L (mm) | L1 (mm) | Vstupní závit | Výstupní závit |
| TTR 1 | 70.5 | 50.5 | M 20×1,5 EN 837-1/-3 |
M 20×1,5 |
| TTR 2 | 70.5 | 50.5 | M 20×1,5 EN 837-1/-3 |
G 1/2″ |
| TTR 3 | 63.5 | 43.5 | M 20×1,5 EN 837-1/-3 |
G 1/4″ |
| TTR 4 | 70.5 | 50.5 | G 1/2″ EN 837-1/-3 |
G 1/2″ |
| TTR 5 | 70.5 | 50.5 | G 1/2″ EN 837-1/-3 |
M 20×1,5 |
| TTR 6 | 56.5 | 43.5 | G 1/4″ EN 837-1/-3 |
G 1/4″ |
| TTR 7 | 63.5 | 43.5 | G 1/2″ EN 837-1/-3 |
G 1/4″ |
| TTR 8 | 63.5 | 50.5 | G 1/4″ EN 837-1/-3 |
M 20×1,5 |
| TTR 9 | 63.5 | 50.5 | G 1/4″ EN 837-1/-3 |
G 1/2″ |
Dekontaminované přístroje s ukončenou životností je možno zaslat výrobci k bezplatné likvidaci.
- Elektronické – PA 430
Zobrazovací jednotka, pro 4 … 20 mA / 2-vodičový nebo 0 … 10 V / 3-vodičový snímač, standard: konektor ISO 4400 další: M12x1 5-kolík nebo Binder Serie 723, až 2 spínací výstupy, displej a pouzdro otočné.
Více informací o produktu:
Přístroj pro zástavbu do panelu
Zobrazovací jednotka PA 430 je určena pro veškeré snímače s elektrickým výstupem 4 … 20 mA / 2-vodič nebo 0 … 10 V / 3-vodič a konektorem ISO 4400. Zobrazovací jednotka se jednoduše nasune mezi konektor a kabelovou hlavici a tím je ihned připravena k provozu. Jednotka je napájena přímo z proudové smyčky a proto nejsou zapotřebí žádné další vodiče a napájení. Standardně má PA 430 konektor ISO 4400. Další provedení je možné s konektorem M12x1 5-kolík, Binder 723. Jiné provedení jsou možné dle dohody.
Jednoduché místní řízení procesů.
Jednotka je jednoduše programovatelná pomocí dvou tlačítek na čelním panelu.Je možno nastavit následující parametry: rozsah, desetinnou tečku, tlumení a parametry spínacího výstupu (na přání). Nastavené parametry jsou uloženy v paměti EEPROM i po přerušení napájení. Je signalizováno překročení rozsahu v obou směrech. Integrovaný systém vnitřní diagnostiky kontroluje trvale všechny funkce jednotky. Dále je možno aktivovat ochranu přístupu.
- nastavení displeje
- aktuální hodnota desetinná tečka
- spínací výstupy mez sepnutí / vypnutí
- módus hystereze / okna
- zpoždění zapnutí / vypnutí
- další funkce
- ochrana přístupu paměti minima a maxima
Dekontaminované přístroje s ukončenou životností je možno zaslat výrobci k bezplatné likvidaci.

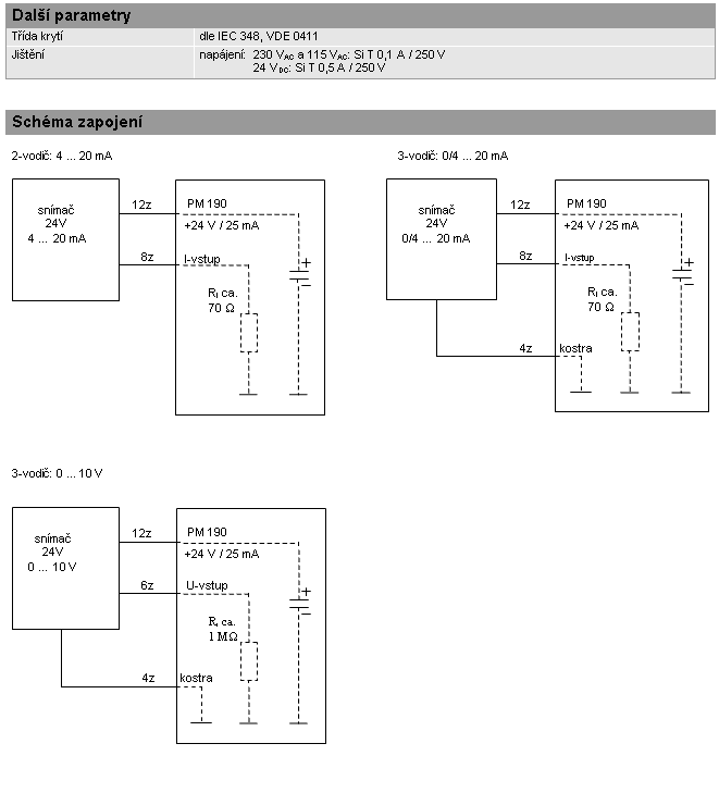
- Elektronické – PM 190
Přístroj pro zástavbu do panelu, kombinace analogového / dig. zobrazení, přehledná 100 – dílková stupnice, digitální displej pro přesné čtení spolehlivý přístroj pro zástavbu do rozvaděče.
Více informací o produktu:
Přístroj pro zástavbu do panelu
Zobrazovací jednotka PA 430 je určena pro veškeré snímače s elektrickým výstupem 4 … 20 mA / 2-vodič nebo 0 … 10 V / 3-vodič a konektorem ISO 4400. Zobrazovací jednotka se jednoduše nasune mezi konektor a kabelovou hlavici a tím je ihned připravena k provozu. Jednotka je napájena přímo z proudové smyčky a proto nejsou zapotřebí žádné další vodiče a napájení. Standardně má PA 430 konektor ISO 4400. Další provedení je možné s konektorem M12x1 5-kolík, Binder 723. Jiné provedení jsou možné dle dohody.
Jednoduché místní řízení procesů.
- různé možnosti vstupních signálů např. 4 … 20 mA / 2-vodič 0 … 10 V / 3-vodič
- napájení snímače přímo z přístroje
- výrazné zobrazení mezí
- 4 hraniční meze s releovým výstupem
- velký spínaný výkon: 5 A / 250 V
- jednoduché ovládání dvěma tlačítky pomocí displeje
Dekontaminované přístroje s ukončenou životností je možno zaslat výrobci k bezplatné likvidaci.

- Elektronické – KL 1
Duralová přípojná krabice, připojení ponorné sondy 4…20 mA/2-vodič, robustní duralová krabice, kompenzace vlivu atmosférického tlaku PTFE filtrem, na přání: přídavná přepěťová ochrana, převodník pro Pt 100.
Více informací o produktu:
Přístroj pro zástavbu do panelu
Přípojná krabice KL 1 slouží k bezpečnému ukončení kabelu, který je součástí ponorné sondy a jeho elektrickému připojení na další vedení. Krabice je osazena vstupem atmosférického tlaku, který je chráněn filtrem na bázi PTFE proti pronikání vlhkosti. Kabel na straně napájení pak nemusí být opatřen dutou žílou pro kompenzaci vlivu atmosférického tlaku.
Použitá svorkovnice umožňuje snadné připojení vodičů kabelů uvnitř krabice. K uzemnění slouží masivní zemnicí svorka. Krabice může být na přání osazena přídavnou přepěťovou ochranou pro svodový proud až 10 kA. K dispozici je i varianta s převodníkem teploty pro ponorné sondy osazené senzorem Pt 100.
- robustní provedení
- krytí IP 66
- ochrana vstupu atmosférického tlaku proti vlhkosti PTFE filtrem
- 2 signálové cesty / tlak a teplota
- na přání:
- přídavná přepěťová ochrana 10 kA
- převodník pro sondu s vestavěným sensorem teploty Pt 100
Dekontaminované přístroje s ukončenou životností je možno zaslat výrobci k bezplatné likvidaci.

- Elektronické – KL 2
Svorkové pouzdro plastové, připojení ponorné sondy 2-vodič, integrované vyrovnání tlaku, varianta: ochrana proti přepětí, HART programovací rozhraní.
Více informací o produktu:
Přístroj pro zástavbu do panelu
Svorkové pouzdro KL 2 je určeno pro profesionální elektrické připojení ponorné sondy. Je vyrobeno z umělého materiálu ABS, což je ekonomicky výhodnější varianta velmi osvědčeného hliníkového svorkového tělesa KL 1. Tlakový kompenzační prvek slouží ke kompenzaci změn tlaku. Kabel použitý na straně napájení může být bez ventilační trubičky.
Použitá vertikální svorkovnice umožňuje snadné připojení vodičů kabelů uvnitř pouzdra. KL 2 s nastavitelnou přepěťovou ochranou je dodatečně vybavena vodičem přepětí s jmenovitou propustností 10 kA. Další varianta vybavení KL 2 je s HART programovacím rozhraním.
- nízkonákladové ABS pouzdro
- druh krytí IP 66
- ochrana tlakové rovnováhy pomocí PTFE filtrem
- 2 signálové žíly
- varianta: ochrana proti přepětí: jmenovitá propustnost 10kA
- varianta: HART
- programovací rozhraní:
- možnost připojení programovacího zařízení prostřednictvím svorkovnic
Dekontaminované přístroje s ukončenou životností je možno zaslat výrobci k bezplatné likvidaci.

Kontakty
TRESTON spol. s r.o.
Částkov 40
687 12 Bílovice
+420 572 580 022 (obchodní oddělení)