Senzory teploty
- PT100 D
Platinové senzory PT100, Pt500, PT1000 ( TKR 3850 ppm/K ) , třídy přesnosti A i B, bez pouzdra, s přívodními vodiči, měřící rozsah -50 ÷ +200 °C.
Více informací o produktu:
- Popis produktu
- Použití
- Přednosti
- Technická data
- Tab.1: Čas teplotní odezvy t0,5 (dle DIN IEC 751)
- Obr.1: Toleranční pásmo Pt senzorů dle DIN IEC 751
- Obr.2: Rozměrový výkres čipu senzoru
Platinové senzory teploty dle DIN IEC 751
Platinové senzory jsou vyráběny tenkovrstvou technologií na keramické podložce z jemnozrnného korundu (99.6% Al2O3). Jmenovitý odpor je přesně nastavován výkonovým laserem a teplotně stabilizován, aktivní vrstva je pasivována izolační vrstvou. Jmenovitá hodnota odporu je kontrolována v kalibračních lázních.
Pokud bude snímač teploty vystaven ztíženým podmínkám (mechanické namáhání, vibrace, provoz ve vlhkém prostředí) uveďte tuto skutečnost v objednávce. Na základě vašeho požadavku můžete konzultovat konstrukci snímače vzhledem k provozní teplotě, provedení pouzdra nebo typu přívodních vodičů jako zákaznický speciál. Při pracovních teplotách větších než 160°C, je vhodná konzultace provedení snímače s výrobcem.
Platinový snímač teploty je vhodný pro měření teploty tekutin, páry, vzduchu a jiných médií v různých oblastech průmyslu, např.:měřící a regulační technika, automobilový průmysl, potravinářský průmysl, klimatizace, vytápění, zdravotnictví, stavebnictví, atd.
Velmi krátký čas teplotní odezvy, vysoká citlivost, malé rozměry, možnost změny rozměrů senzorů , pouzder, jmenovitých hodnot odporů, teplotní závislosti dle požadavku zákazníka.
| Technická data: | ||
| – jmenovitý odpor v 0°C | 100, 500,1000 Ω dle DIN IEC 751 | |
| – teplotní rozsah čidla | -50 až +150, 250, 400°C | |
| – toleranční pásmo | Třída A | ±(0,15 + 0,002.|t|) |
| Třída B | ±(0,30 + 0,005.|t|) | |
| – max. měřící proud | 5mA | |
| – dlouhodobá časová stabilita (10000h/150°C) | 0,05% | |
| – teplotní koeficient pro Pt 100 | 3850 ppm/K dle DIN IEC 751 | |
| – typ vývodů | dle objednávky | |
| – provedení | D – čip senzoru s drátovými přívody, s přívodními vodiči | |
| – teplotní závislost odporu | pro -50 až 0°C | Rt = Ro.(1+3,90802,10-3.t – 5,802,10-7.t2 – 4,2735,10-12.(t-100).t3) |
| pro 0 až 400°C | Rt = Ro.(1+3,90802,10-3.t – 5,802,10-7.t2) | |
| Tab.1: Čas teplotní odezvy t0,5 (dle DIN IEC 751) | ||
| Provedení senzoru / měřené médium | vzduch 3 m/s | voda 0,4 m/s |
| provedení D | 4,5 s | 2,1 s |


- PT100 C11
Odporový snímač teploty kabelový, v nerezovém pouzdru průměr 3,2×25 (nerezová ocel tř. 17 248), měřící rozsah -50 ÷ +200 °C.
Více informací o produktu:
- Popis produktu
- Použití
- Přednosti
- Technická data
- Tab.1: Čas teplotní odezvy t0,5 (dle DIN IEC 751)
- Tab.2: Popis použitých přívodních vodičů s jejich kódováním
- Tab.3:Doplňující informace
- Obr.1: Toleranční pásmo Pt senzorů dle DIN IEC 751
- Obr.2: Ilustrační foto
Platinové senzory teploty dle DIN IEC 751
Platinové senzory jsou vyráběny tenkovrstvou technologií na keramické podložce z jemnozrnného korundu (99.6% Al2O3). Jmenovitý odpor je přesně nastavován výkonovým laserem a teplotně stabilizován, aktivní vrstva je pasivována izolační vrstvou. Jmenovitá hodnota odporu je kontrolována v kalibračních lázních.
Pokud bude snímač teploty vystaven ztíženým podmínkám (mechanické namáhání, vibrace, provoz ve vlhkém prostředí) uveďte tuto skutečnost v objednávce. Na základě vašeho požadavku můžete konzultovat konstrukci snímače vzhledem k provozní teplotě, provedení pouzdra nebo typu přívodních vodičů jako zákaznický speciál. Při pracovních teplotách větších než 160°C, je vhodná konzultace provedení snímače s výrobcem.
Platinový snímač teploty je vhodný pro měření teploty tekutin, páry, vzduchu a jiných médií v různých oblastech průmyslu, např.: měřící a regulační technika, automobilový průmysl, potravinářský průmysl, klimatizace, vytápění, zdravotnictví, stavebnictví, atd.
Velmi krátký čas teplotní odezvy, vysoká citlivost, malé rozměry, možnost změny rozměrů senzorů , pouzder, jmenovitých hodnot odporů, teplotní závislosti dle požadavku zákazníka.
| Technická data: | ||
| – jmenovitý odpor v 0°C | 100, 500,1000 Ω dle DIN IEC 751 | |
| – teplotní rozsah čidla | dle provedení | |
| – toleranční pásmo | Třída A | ±(0,15 + 0,002.|t|) |
| Třída B | ±(0,30 + 0,005.|t|) | |
| – max. měřící proud | 5mA | |
| – dlouhodobá časová stabilita (10000h/150°C) | 0,05% | |
| – teplotní koeficient pro Pt 100 | 3850 ppm/K dle DIN IEC 751 | |
| – typ vývodů | dle objednávky | |
| – provedení | C – senzor v kovovém pouzdru | |
| – teplotní závislost odporu | pro -50 až 0°C | Rt = Ro.(1+3,90802,10-3.t – 5,802,10-7.t2 – 4,2735,10-12.(t-100).t3) |
| pro 0 až 400°C | Rt = Ro.(1+3,90802,10-3.t – 5,802,10-7.t2) | |
| Tab.1: Čas teplotní odezvy t0,5 (dle DIN IEC 751) | ||
| Provedení senzoru / měřené médium | vzduch 3 m/s | voda 0,4 m/s |
| provedení C12 (senzor v kovovém pouzdře o průměru 3,2 mm) | 16,5 s | 7 s |
| provedení C6 (senzor v kovovém pouzdře se závitem) | 24 s | 8,8 s |
Tab.1: Čas teplotní odezvy t0,5 (dle DIN IEC 751)
| Tab.2: Popis použitých přívodních vodičů s jejich kódováním | |
| Kód | Popis |
| 2VT01 | Lanko se společnou teflonovou izolací, 2-vodič, průměr jádra 0,4mm, vnější průměr s izolací 2,0mm. |
| 3VT02 | Lanko se společnou teflonovou izolací, 3-vodič, průměr jádra 0,4mm, vnější průměr s izolací 2,1mm. |
| 4VT03 | Lanko se společnou teflonovou izolací, 4-vodič, průměr jádra 0,4mm, vnější průměr s izolací 2,2mm. |
| 4VT04 | Lanko se stíněním pod společnou teflonovou izolací, 4-vodič, průměr jádra 0,4mm, vnější průměr s izolací 3,5mm. |
| 2VT05 | Samostatné lanko s PTFE izolací, 2-vodič, průřez jádra 0,07mm⊃;, vnější průměr s izolací 1,4mm. |
| 3VT06 | Samostatné lanko s PTFE izolací, 3-vodič, průřez jádra 0,07mm⊃;, vnější průměr s izolací 1,5mm. |
| 4VT07 | Samostatné lanko s PTFE izolací, 4-vodič, průřez jádra 0,07mm⊃;, vnější průměr s izolací 1,8mm. |
| 2VSV01 | Drát s izolací ze skelných vláken, pro speciální provedení, 2-vodič, průměr jádra 0,8mm, vnější průměr s izolací 2,3mm. |
| 2VSV02 | Drát s izolací ze skelných vláken, pro speciální provedení, s kovovým opletením, 2-vodič, průměr jádra 0,4mm, vnější průměr s izolací 3,1mm. |
| 3VSV03 | Drát s izolací ze skelných vláken, pro speciální provedení, 3-vodič, průměr jádra 0,4mm, vnější průměr s izolací 2,2mm. |
| 4VSV04 | Drát s izolací ze skelných vláken, pro speciální provedení, 4-vodič, průměr jádra 0,4mm, vnější průměr s izolací 2,2mm. |
| 2 VS01 | Lanko se stíněním pod společnou silikonovou izolací, 2-vodič, průřez jádra 2 x 0,12mm⊃;, vnější průměr s izolací 3,7mm. |
| 2 VS02 | Lanko se stíněním pod společnou silikonovou izolací, 2-vodič, průřez jádra 2 x 0,56mm⊃;, vnější průměr s izolací 4,4mm. |
| 3 VS03 | Lanko se stíněním pod společnou silikonovou izolací, 3-vodič, průřez jádra 3 x 0,22mm⊃;, vnější průměr s izolací 3,9mm. |
| 4 VS04 | Lanko se stíněním pod společnou silikonovou izolací, 4-vodič, průřez jádra 4 x 0,12mm⊃;, vnější průměr s izolací 4,0mm. |
| Tab.3:Doplňující informace | |
| – měřící rozsah | -50 ÷ +200°C |
| – materiál pouzdra | nerezová ocel tř. 17248 |


- PT100 C12
Odporový snímač teploty kabelový, v nerezovém pouzdru max. průměr 6×35 (nerezová ocel tř. 17 248), měřící rozsah -50 ÷ +260 °C.
Více informací o produktu:
- Popis produktu
- Použití
- Přednosti
- Technická data
- Tab.1: Čas teplotní odezvy t0,5 (dle DIN IEC 751)
- Tab.2: Popis použitých přívodních vodičů s jejich kódováním
- Tab.3: Doplňující informace
- Tab.4: Rozměry pouzdra
- Tab.5: Možné kombinace pouzder s přívodními vodiči
- Obr.1: Toleranční pásmo Pt senzorů dle DIN IEC 751
- Obr.2: Ilustrační foto
Platinové senzory teploty dle DIN IEC 751
Platinové senzory jsou vyráběny tenkovrstvou technologií na keramické podložce z jemnozrnného korundu (99.6% Al2O3). Jmenovitý odpor je přesně nastavován výkonovým laserem a teplotně stabilizován, aktivní vrstva je pasivována izolační vrstvou. Jmenovitá hodnota odporu je kontrolována v kalibračních lázních.
Pokud bude snímač teploty vystaven ztíženým podmínkám (mechanické namáhání, vibrace, provoz ve vlhkém prostředí) uveďte tuto skutečnost v objednávce. Na základě vašeho požadavku můžete konzultovat konstrukci snímače vzhledem k provozní teplotě, provedení pouzdra nebo typu přívodních vodičů jako zákaznický speciál. Při pracovních teplotách větších než 160°C, je vhodná konzultace provedení snímače s výrobcem.
Platinový snímač teploty je vhodný pro měření teploty tekutin, páry, vzduchu a jiných médií v různých oblastech průmyslu, např.: měřící a regulační technika, automobilový průmysl, potravinářský průmysl, klimatizace, vytápění, zdravotnictví, stavebnictví, atd.
Velmi krátký čas teplotní odezvy, vysoká citlivost, malé rozměry, možnost změny rozměrů senzorů , pouzder, jmenovitých hodnot odporů, teplotní závislosti dle požadavku zákazníka.
| Technická data: | ||
| – jmenovitý odpor v 0°C | 100, 500,1000 Ω dle DIN IEC 751 | |
| – teplotní rozsah čidla | dle provedení | |
| – toleranční pásmo | Třída A | ±(0,15 + 0,002.|t|) |
| Třída B | ±(0,30 + 0,005.|t|) | |
| – max. měřící proud | 5mA | |
| – dlouhodobá časová stabilita (10000h/150°C) | 0,05% | |
| – teplotní koeficient pro Pt 100 | 3850 ppm/K dle DIN IEC 751 | |
| – typ vývodů | dle objednávky | |
| – provedení | C – senzor v kovovém pouzdru | |
| – teplotní závislost odporu | pro -50 až 0°C | Rt = Ro.(1+3,90802,10-3.t – 5,802,10-7.t2 – 4,2735,10-12.(t-100).t3) |
| pro 0 až 400°C | Rt = Ro.(1+3,90802,10-3.t – 5,802,10-7.t2) | |
| Tab.1: Čas teplotní odezvy t0,5 (dle DIN IEC 751) | ||
| Provedení senzoru / měřené médium | vzduch 3 m/s | voda 0,4 m/s |
| provedení C12 (senzor v kovovém pouzdře o průměru 3,2 mm) | 16,5 s | 7 s |
| provedení C6 (senzor v kovovém pouzdře se závitem) | 24 s | 8,8 s |
| Tab.2: Popis použitých přívodních vodičů s jejich kódováním | |
| Kód | Popis |
| 2VT01 | Lanko se společnou teflonovou izolací, 2-vodič, průměr jádra 0,4mm, vnější průměr s izolací 2,0mm. |
| 3VT02 | Lanko se společnou teflonovou izolací, 3-vodič, průměr jádra 0,4mm, vnější průměr s izolací 2,1mm. |
| 4VT03 | Lanko se společnou teflonovou izolací, 4-vodič, průměr jádra 0,4mm, vnější průměr s izolací 2,2mm. |
| 4VT04 | Lanko se stíněním pod společnou teflonovou izolací, 4-vodič, průměr jádra 0,4mm, vnější průměr s izolací 3,5mm. |
| 2VT05 | Samostatné lanko s PTFE izolací, 2-vodič, průřez jádra 0,07mm⊃;, vnější průměr s izolací 1,4mm. |
| 3VT06 | Samostatné lanko s PTFE izolací, 3-vodič, průřez jádra 0,07mm⊃;, vnější průměr s izolací 1,5mm. |
| 4VT07 | Samostatné lanko s PTFE izolací, 4-vodič, průřez jádra 0,07mm⊃;, vnější průměr s izolací 1,8mm. |
| 2VSV01 | Drát s izolací ze skelných vláken, pro speciální provedení, 2-vodič, průměr jádra 0,8mm, vnější průměr s izolací 2,3mm. |
| 2VSV02 | Drát s izolací ze skelných vláken, pro speciální provedení, s kovovým opletením, 2-vodič, průměr jádra 0,4mm, vnější průměr s izolací 3,1mm. |
| 3VSV03 | Drát s izolací ze skelných vláken, pro speciální provedení, 3-vodič, průměr jádra 0,4mm, vnější průměr s izolací 2,2mm. |
| 4VSV04 | Drát s izolací ze skelných vláken, pro speciální provedení, 4-vodič, průměr jádra 0,4mm, vnější průměr s izolací 2,2mm. |
| 2 VS01 | Lanko se stíněním pod společnou silikonovou izolací, 2-vodič, průřez jádra 2 x 0,12mm⊃;, vnější průměr s izolací 3,7mm. |
| 2 VS02 | Lanko se stíněním pod společnou silikonovou izolací, 2-vodič, průřez jádra 2 x 0,56mm⊃;, vnější průměr s izolací 4,4mm. |
| 3 VS03 | Lanko se stíněním pod společnou silikonovou izolací, 3-vodič, průřez jádra 3 x 0,22mm⊃;, vnější průměr s izolací 3,9mm. |
| 4 VS04 | Lanko se stíněním pod společnou silikonovou izolací, 4-vodič, průřez jádra 4 x 0,12mm⊃;, vnější průměr s izolací 4,0mm. |
| Tab.3: Doplňující informace | |
| – měřící rozsah | -50 ÷ +260°C (dle použitých vodičů) |
| – materiál pouzdra | nerezová ocel tř. 17248 |
| Tab.4: Rozměry pouzdra | |
| Kód | Průměr pouzdra D (mm) / délka pouzdra Lp (mm) |
| 4/30 | Průměr pouzdra 4 mm, délka pouzdra 30 mm |
| 4/37 | Průměr pouzdra 4 mm, délka pouzdra 37 mm |
| 5/20 | Průměr pouzdra 5 mm, délka pouzdra 20 mm |
| 5/30 | Průměr pouzdra 5 mm, délka pouzdra 30 mm |
| 5/35 | Průměr pouzdra 5 mm, délka pouzdra 35 mm |
| 5/90 | Průměr pouzdra 5 mm, délka pouzdra 90 mm |
| 6/35 | Průměr pouzdra 6 mm, délka pouzdra 35 mm |
| Tab.5: Možné kombinace pouzder s přívodními vodiči | |
| Kód vodiče | Typ přívodních vodičů |
| 2VT01 | pro pouzdra 4/30, 4/37, 5/20, 5/30, 5/35, 5/90 (max. teplota 200 °C) |
| 3VT02 | pro pouzdra 4/30, 4/37, 5/20, 5/30, 5/35, 5/90 (max. teplota 200 °C) |
| 4VT03 | pro pouzdra 5/30, 5/35, 5/90 (max. teplota 200 °C) |
| 4VT04 | pro pouzdra 5/35, 5/90 (max. teplota 260 °C) |
| 2VT05 | pro pouzdra 4/30, 4/37, 5/20, 5/30, 5/35, 5/90 (max. teplota 200 °C) |
| 3VT06 | pro pouzdra 4/30, 4/37, 5/20, 5/30, 5/35, 5/90 (max. teplota 200 °C) |
| 4VT07 | pro pouzdra 5/20, 5/30, 5/35, 5/90 (max. teplota 200 °C) |
| 2VS01 | pro pouzdra 5/20, 5/30, 5/35, 5/90 (max. teplota 180 °C) |
| 3VS03 | pro pouzdra 5/20, 5/30, 5/35, 5/90 (max. teplota 180 °C) |
| 4VS04 | pro pouzdra 5/20, 5/30, 5/35, 5/90 (max. teplota 180 °C) |
| 2VSV02 | pro pouzdro 6/35 (max. teplota 350 °C, není vhodné pro provoz ve vlhkém prostředí) |


- PT100 C13
Odporový snímač teploty kabelový, v mosazném pouzdru max. průměr 6×40 (povrchově upraveno niklováním), měřící rozsah -50 ÷ +200 °C.
Více informací o produktu:
- Popis produktu
- Použití
- Přednosti
- Technická data
- Tab.1: Čas teplotní odezvy t0,5 (dle DIN IEC 751)
- Tab.2: Popis použitých přívodních vodičů s jejich kódováním
- Tab.3: Doplňující informace
- Tab.4: Rozměry pouzdra
- Tab.5: Možné kombinace pouzder s přívodními vodiči
- Obr.1: Toleranční pásmo Pt senzorů dle DIN IEC 751
- Obr.2: Ilustrační foto
Platinové senzory teploty dle DIN IEC 751
Platinové senzory jsou vyráběny tenkovrstvou technologií na keramické podložce z jemnozrnného korundu (99.6% Al2O3). Jmenovitý odpor je přesně nastavován výkonovým laserem a teplotně stabilizován, aktivní vrstva je pasivována izolační vrstvou. Jmenovitá hodnota odporu je kontrolována v kalibračních lázních.
Pokud bude snímač teploty vystaven ztíženým podmínkám (mechanické namáhání, vibrace, provoz ve vlhkém prostředí) uveďte tuto skutečnost v objednávce. Na základě vašeho požadavku můžete konzultovat konstrukci snímače vzhledem k provozní teplotě, provedení pouzdra nebo typu přívodních vodičů jako zákaznický speciál. Při pracovních teplotách větších než 160°C, je vhodná konzultace provedení snímače s výrobcem.
Platinový snímač teploty je vhodný pro měření teploty tekutin, páry, vzduchu a jiných médií v různých oblastech průmyslu, např.: měřící a regulační technika, automobilový průmysl, potravinářský průmysl, klimatizace, vytápění, zdravotnictví, stavebnictví, atd.
Velmi krátký čas teplotní odezvy, vysoká citlivost, malé rozměry, možnost změny rozměrů senzorů, pouzder, jmenovitých hodnot odporů, teplotní závislosti dle požadavku zákazníka.
| Technická data: | ||
| – jmenovitý odpor v 0°C | 100, 500,1000 Ω dle DIN IEC 751 | |
| – teplotní rozsah čidla | dle provedení | |
| – toleranční pásmo | Třída A | ±(0,15 + 0,002.|t|) |
| Třída B | ±(0,30 + 0,005.|t|) | |
| – max. měřící proud | 5mA | |
| – dlouhodobá časová stabilita (10000h/150°C) | 0,05% | |
| – teplotní koeficient pro Pt 100 | 3850 ppm/K dle DIN IEC 751 | |
| – typ vývodů | dle objednávky | |
| – provedení | C – senzor v kovovém pouzdru | |
| – teplotní závislost odporu | pro -50 až 0°C | Rt = Ro.(1+3,90802,10-3.t – 5,802,10-7.t2 – 4,2735,10-12.(t-100).t3) |
| pro 0 až 400°C | Rt = Ro.(1+3,90802,10-3.t – 5,802,10-7.t2) | |
| Tab.1: Čas teplotní odezvy t0,5 (dle DIN IEC 751) | ||
| Provedení senzoru / měřené médium | vzduch 3 m/s | voda 0,4 m/s |
| provedení C12 (senzor v kovovém pouzdře o průměru 3,2 mm) | 16,5 s | 7 s |
| provedení C6 (senzor v kovovém pouzdře se závitem) | 24 s | 8,8 s |
| Tab.2: Popis použitých přívodních vodičů s jejich kódováním | |
| Kód | Popis |
| 2VT01 | Lanko se společnou teflonovou izolací, 2-vodič, průměr jádra 0,4mm, vnější průměr s izolací 2,0mm. |
| 3VT02 | Lanko se společnou teflonovou izolací, 3-vodič, průměr jádra 0,4mm, vnější průměr s izolací 2,1mm. |
| 4VT03 | Lanko se společnou teflonovou izolací, 4-vodič, průměr jádra 0,4mm, vnější průměr s izolací 2,2mm. |
| 4VT04 | Lanko se stíněním pod společnou teflonovou izolací, 4-vodič, průměr jádra 0,4mm, vnější průměr s izolací 3,5mm. |
| 2VT05 | Samostatné lanko s PTFE izolací, 2-vodič, průřez jádra 0,07mm⊃;, vnější průměr s izolací 1,4mm. |
| 3VT06 | Samostatné lanko s PTFE izolací, 3-vodič, průřez jádra 0,07mm⊃;, vnější průměr s izolací 1,5mm. |
| 4VT07 | Samostatné lanko s PTFE izolací, 4-vodič, průřez jádra 0,07mm⊃;, vnější průměr s izolací 1,8mm. |
| 2VSV01 | Drát s izolací ze skelných vláken, pro speciální provedení, 2-vodič, průměr jádra 0,8mm, vnější průměr s izolací 2,3mm. |
| 2VSV02 | Drát s izolací ze skelných vláken, pro speciální provedení, s kovovým opletením, 2-vodič, průměr jádra 0,4mm, vnější průměr s izolací 3,1mm. |
| 3VSV03 | Drát s izolací ze skelných vláken, pro speciální provedení, 3-vodič, průměr jádra 0,4mm, vnější průměr s izolací 2,2mm. |
| 4VSV04 | Drát s izolací ze skelných vláken, pro speciální provedení, 4-vodič, průměr jádra 0,4mm, vnější průměr s izolací 2,2mm. |
| 2 VS01 | Lanko se stíněním pod společnou silikonovou izolací, 2-vodič, průřez jádra 2 x 0,12mm⊃;, vnější průměr s izolací 3,7mm. |
| 2 VS02 | Lanko se stíněním pod společnou silikonovou izolací, 2-vodič, průřez jádra 2 x 0,56mm⊃;, vnější průměr s izolací 4,4mm. |
| 3 VS03 | Lanko se stíněním pod společnou silikonovou izolací, 3-vodič, průřez jádra 3 x 0,22mm⊃;, vnější průměr s izolací 3,9mm. |
| 4 VS04 | Lanko se stíněním pod společnou silikonovou izolací, 4-vodič, průřez jádra 4 x 0,12mm⊃;, vnější průměr s izolací 4,0mm. |
| Tab.3: Doplňující informace | |
| – měřící rozsah | -50 ÷ +250°C (dle použitých vodičů) |
| – materiál pouzdra | mosaz ,povrchově upravena niklováním |
| Tab.4: Rozměry pouzdra | |
| Kód | Průměr pouzdra D (mm) / délka pouzdra Lp (mm) |
| 3,5/15 | Průměr pouzdra 3,5 mm, délka pouzdra 15 mm, jen tř. B |
| 4/15 | Průměr pouzdra 4 mm, délka pouzdra 15 mm, jen tř. B |
| 4/20 | Průměr pouzdra 4 mm, délka pouzdra 20 mm, jen tř,B |
| 4/35 | Průměr pouzdra 4 mm, délka pouzdra 35 mm |
| 4,7/25 | Průměr pouzdra 4,7 mm, délka pouzdra 25 mm |
| 5/35 | Průměr pouzdra 5 mm, délka pouzdra 35 mm |
| 6/40 | Průměr pouzdra 6 mm, délka pouzdra 40 mm |
| Tab.5: Možné kombinace pouzder s přívodními vodiči | |
| Kód vodiče | Typ přívodních vodičů |
| 2VT01 | pro pouzdra 3,5/15, 4/15, 4/20, 4/35, 4,7/25, 5/35, 6/40 (max. teplota 150 °C) |
| 2VT01 | pro pouzdra 4/35, 4,7/25, 5/35, 6/40 (max. teplota 200 °C) |
| 3VT02 | pro pouzdra 3,5/15, 4/15, 4/20, 4/35, 4,7/25, 5/35, 6/40 (max. teplota 150 °C) |
| 3VT02 | pro pouzdra 4/35, 4,7/25, 5/35, 6/40 (max. teplota 200 °C) |
| 4VT03 | pro pouzdra 5/35, 5/40, (max. teplota 200 °C) |
| 4VT04 | pro pouzdra 5/35, 6/40 (max. teplota 250 °C) |
| 2VT05 | pro pouzdra 3,5/15, 4/15, 4/20, 4/35, 4,7/25, 5/35, 6/40 (max. teplota 150 °C) |
| 3VT06 | pro pouzdra 3,5/15, 4/15, 4/20, 4/35, 4,7/25, 5/35, 6/40 (max. teplota 150 °C) |
| 4VT07 | pro pouzdra 5/35, 6/40 (max. teplota 150 °C) |
| 2VS01 | pro pouzdra 4,7/25, 5/35, 6/40 (max. teplota 150 °C) |
| 3VS03 | pro pouzdra 4,7/25, 5/35, 6/40 (max. teplota 150 °C) |
| 4VS04 | pro pouzdra 5/35, 6/40 (max. teplota 150 °C) |


- PT100 C2
Odporový snímač teploty kabelový, v mosazném pouzdru (povrchově upraveno niklováním) nebo nerezovém pouzdru (nerezová ocel tř. 17 248) k zašroubování se závitem M6, měřící rozsah -50 ÷ +180 °C.
Více informací o produktu:
- Popis produktu
- Použití
- Přednosti
- Technická data
- Tab.1: Čas teplotní odezvy t0,5 (dle DIN IEC 751)
- Tab.2: Popis použitých přívodních vodičů s jejich kódováním
- Tab.3: Doplňující informace
- Tab.4: Rozměry pouzdra
- Tab.5: Typy možných použitých přívodních vodičů
- Obr.1: Toleranční pásmo Pt senzorů dle DIN IEC 751
- Obr.2: Ilustrační foto
Platinové senzory teploty dle DIN IEC 751
Platinové senzory jsou vyráběny tenkovrstvou technologií na keramické podložce z jemnozrnného korundu (99.6% Al2O3). Jmenovitý odpor je přesně nastavován výkonovým laserem a teplotně stabilizován, aktivní vrstva je pasivována izolační vrstvou. Jmenovitá hodnota odporu je kontrolována v kalibračních lázních.
Pokud bude snímač teploty vystaven ztíženým podmínkám (mechanické namáhání, vibrace, provoz ve vlhkém prostředí) uveďte tuto skutečnost v objednávce. Na základě vašeho požadavku můžete konzultovat konstrukci snímače vzhledem k provozní teplotě, provedení pouzdra nebo typu přívodních vodičů jako zákaznický speciál. Při pracovních teplotách větších než 160°C, je vhodná konzultace provedení snímače s výrobcem.
Platinový snímač teploty je vhodný pro měření teploty tekutin, páry, vzduchu a jiných médií v různých oblastech průmyslu, např.: měřící a regulační technika, automobilový průmysl, potravinářský průmysl, klimatizace, vytápění, zdravotnictví, stavebnictví, atd.
Velmi krátký čas teplotní odezvy, vysoká citlivost, malé rozměry, možnost změny rozměrů senzorů, pouzder, jmenovitých hodnot odporů, teplotní závislosti dle požadavku zákazníka.
| Technická data: | ||
| – jmenovitý odpor v 0°C | 100, 500,1000 Ω dle DIN IEC 751 | |
| – teplotní rozsah čidla | dle provedení | |
| – toleranční pásmo | Třída A | ±(0,15 + 0,002.|t|) |
| Třída B | ±(0,30 + 0,005.|t|) | |
| – max. měřící proud | 5mA | |
| – dlouhodobá časová stabilita (10000h/150°C) | 0,05% | |
| – teplotní koeficient pro Pt 100 | 3850 ppm/K dle DIN IEC 751 | |
| – typ vývodů | dle objednávky | |
| – provedení | C – senzor v kovovém pouzdru | |
| – teplotní závislost odporu | pro -50 až 0°C | Rt = Ro.(1+3,90802,10-3.t – 5,802,10-7.t2 – 4,2735,10-12.(t-100).t3) |
| pro 0 až 400°C | Rt = Ro.(1+3,90802,10-3.t – 5,802,10-7.t2) | |
| Tab.1: Čas teplotní odezvy t0,5 (dle DIN IEC 751) | ||
| Provedení senzoru / měřené médium | vzduch 3 m/s | voda 0,4 m/s |
| provedení C12 (senzor v kovovém pouzdře o průměru 3,2 mm) | 16,5 s | 7 s |
| provedení C6 (senzor v kovovém pouzdře se závitem) | 24 s | 8,8 s |
| Tab.2: Popis použitých přívodních vodičů s jejich kódováním | |
| Kód | Popis |
| 2VT01 | Lanko se společnou teflonovou izolací, 2-vodič, průměr jádra 0,4mm, vnější průměr s izolací 2,0mm. |
| 3VT02 | Lanko se společnou teflonovou izolací, 3-vodič, průměr jádra 0,4mm, vnější průměr s izolací 2,1mm. |
| 4VT03 | Lanko se společnou teflonovou izolací, 4-vodič, průměr jádra 0,4mm, vnější průměr s izolací 2,2mm. |
| 4VT04 | Lanko se stíněním pod společnou teflonovou izolací, 4-vodič, průměr jádra 0,4mm, vnější průměr s izolací 3,5mm. |
| 2VT05 | Samostatné lanko s PTFE izolací, 2-vodič, průřez jádra 0,07mm⊃;, vnější průměr s izolací 1,4mm. |
| 3VT06 | Samostatné lanko s PTFE izolací, 3-vodič, průřez jádra 0,07mm⊃;, vnější průměr s izolací 1,5mm. |
| 4VT07 | Samostatné lanko s PTFE izolací, 4-vodič, průřez jádra 0,07mm⊃;, vnější průměr s izolací 1,8mm. |
| 2VSV01 | Drát s izolací ze skelných vláken, pro speciální provedení, 2-vodič, průměr jádra 0,8mm, vnější průměr s izolací 2,3mm. |
| 2VSV02 | Drát s izolací ze skelných vláken, pro speciální provedení, s kovovým opletením, 2-vodič, průměr jádra 0,4mm, vnější průměr s izolací 3,1mm. |
| 3VSV03 | Drát s izolací ze skelných vláken, pro speciální provedení, 3-vodič, průměr jádra 0,4mm, vnější průměr s izolací 2,2mm. |
| 4VSV04 | Drát s izolací ze skelných vláken, pro speciální provedení, 4-vodič, průměr jádra 0,4mm, vnější průměr s izolací 2,2mm. |
| 2 VS01 | Lanko se stíněním pod společnou silikonovou izolací, 2-vodič, průřez jádra 2 x 0,12mm⊃;, vnější průměr s izolací 3,7mm. |
| 2 VS02 | Lanko se stíněním pod společnou silikonovou izolací, 2-vodič, průřez jádra 2 x 0,56mm⊃;, vnější průměr s izolací 4,4mm. |
| 3 VS03 | Lanko se stíněním pod společnou silikonovou izolací, 3-vodič, průřez jádra 3 x 0,22mm⊃;, vnější průměr s izolací 3,9mm. |
| 4 VS04 | Lanko se stíněním pod společnou silikonovou izolací, 4-vodič, průřez jádra 4 x 0,12mm⊃;, vnější průměr s izolací 4,0mm. |
| Tab.3: Doplňující informace | ||
| – měřící rozsah | -50 ÷ +180°C C (dle použitých vodičů) | |
| – materiál pouzdra | C2M | mosaz ,povrchově upravena niklováním |
| C2N | nerezová ocel tř. 17248 | |
| Tab.4: Rozměry pouzdra | |
| Kód | Průměr pouzdra D (mm) / délka pouzdra Lp (mm) |
| 3,5/15 | Průměr pouzdra 3,5 mm, délka pouzdra 15 mm, jen tř. B |
| 4/15 | Průměr pouzdra 4 mm, délka pouzdra 15 mm, jen tř. B |
| 4/20 | Průměr pouzdra 4 mm, délka pouzdra 20 mm, jen tř,B |
| 4/35 | Průměr pouzdra 4 mm, délka pouzdra 35 mm |
| 4,7/25 | Průměr pouzdra 4,7 mm, délka pouzdra 25 mm |
| 5/35 | Průměr pouzdra 5 mm, délka pouzdra 35 mm |
| 6/40 | Průměr pouzdra 6 mm, délka pouzdra 40 mm |
| Tab.5: Typy možných použitých přívodních vodičů | |
| Kód vodiče | Typ přívodních vodičů |
| 2VT01 | Pro pouzdra mosazné i nerezové (max. teplota 180 °C) |
| 3VT02 | Pro pouzdra mosazné i nerezové (max. teplota 180 °C) |
| 2VT05 | Pro pouzdra mosazné i nerezové (max. teplota 150 °C) |
| 3VT06 | Pro pouzdra mosazné i nerezové (max. teplota 150 °C) |
| 2VS01 | Pro pouzdra mosazné i nerezové (max. teplota 150 °C) |


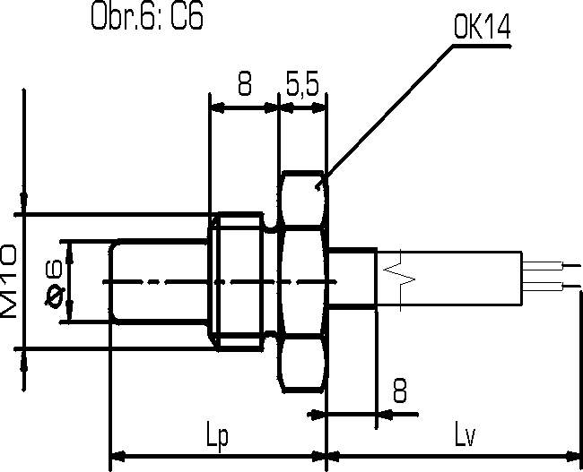
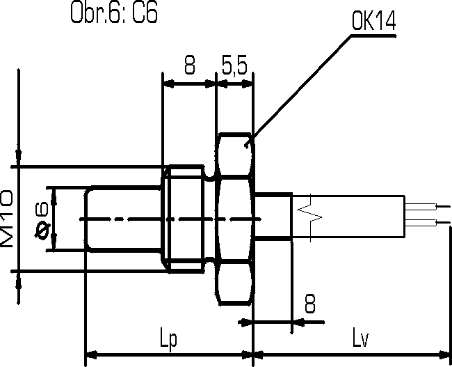
- PT100 C6
Odporový snímač teploty kabelový, v mosazném pouzdru (povrchově upraveno niklováním) nebo nerezovém pouzdru (nerezová ocel tř. 17 248), k zašroubování se závitem M10, měřící rozsah -50 ÷ +350 °C.
Více informací o produktu:
- Popis produktu
- Použití
- Přednosti
- Technická data
- Tab.1: Čas teplotní odezvy t0,5 (dle DIN IEC 751)
- Tab.2: Popis použitých přívodních vodičů s jejich kódováním
- Tab.3: Doplňující informace
- Tab.4: Délka pouzdra
- Tab.5: Typy možných použitých přívodních vodičů
- Obr.1: Toleranční pásmo Pt senzorů dle DIN IEC 751
- Obr.2: Ilustrační foto
Platinové senzory teploty dle DIN IEC 751
Platinové senzory jsou vyráběny tenkovrstvou technologií na keramické podložce z jemnozrnného korundu (99.6% Al2O3). Jmenovitý odpor je přesně nastavován výkonovým laserem a teplotně stabilizován, aktivní vrstva je pasivována izolační vrstvou. Jmenovitá hodnota odporu je kontrolována v kalibračních lázních.
Pokud bude snímač teploty vystaven ztíženým podmínkám (mechanické namáhání, vibrace, provoz ve vlhkém prostředí) uveďte tuto skutečnost v objednávce. Na základě vašeho požadavku můžete konzultovat konstrukci snímače vzhledem k provozní teplotě, provedení pouzdra nebo typu přívodních vodičů jako zákaznický speciál. Při pracovních teplotách větších než 160°C, je vhodná konzultace provedení snímače s výrobcem.
Platinový snímač teploty je vhodný pro měření teploty tekutin, páry, vzduchu a jiných médií v různých oblastech průmyslu, např.: měřící a regulační technika, automobilový průmysl, potravinářský průmysl, klimatizace, vytápění, zdravotnictví, stavebnictví, atd.
Velmi krátký čas teplotní odezvy, vysoká citlivost, malé rozměry, možnost změny rozměrů senzorů, pouzder, jmenovitých hodnot odporů, teplotní závislosti dle požadavku zákazníka.
| Technická data: | ||
| – jmenovitý odpor v 0°C | 100, 500,1000 Ω dle DIN IEC 751 | |
| – teplotní rozsah čidla | dle provedení | |
| – toleranční pásmo | Třída A | ±(0,15 + 0,002.|t|) |
| Třída B | ±(0,30 + 0,005.|t|) | |
| – max. měřící proud | 5mA | |
| – dlouhodobá časová stabilita (10000h/150°C) | 0,05% | |
| – teplotní koeficient pro Pt 100 | 3850 ppm/K dle DIN IEC 751 | |
| – typ vývodů | dle objednávky | |
| – provedení | C – senzor v kovovém pouzdru | |
| – teplotní závislost odporu | pro -50 až 0°C | Rt = Ro.(1+3,90802,10-3.t – 5,802,10-7.t2 – 4,2735,10-12.(t-100).t3) |
| pro 0 až 400°C | Rt = Ro.(1+3,90802,10-3.t – 5,802,10-7.t2) | |
| Tab.1: Čas teplotní odezvy t0,5 (dle DIN IEC 751) | ||
| Provedení senzoru / měřené médium | vzduch 3 m/s | voda 0,4 m/s |
| provedení C12 (senzor v kovovém pouzdře o průměru 3,2 mm) | 16,5 s | 7 s |
| provedení C6 (senzor v kovovém pouzdře se závitem) | 24 s | 8,8 s |
| Tab.2: Popis použitých přívodních vodičů s jejich kódováním | |
| Kód | Popis |
| 2VT01 | Lanko se společnou teflonovou izolací, 2-vodič, průměr jádra 0,4mm, vnější průměr s izolací 2,0mm. |
| 3VT02 | Lanko se společnou teflonovou izolací, 3-vodič, průměr jádra 0,4mm, vnější průměr s izolací 2,1mm. |
| 4VT03 | Lanko se společnou teflonovou izolací, 4-vodič, průměr jádra 0,4mm, vnější průměr s izolací 2,2mm. |
| 4VT04 | Lanko se stíněním pod společnou teflonovou izolací, 4-vodič, průměr jádra 0,4mm, vnější průměr s izolací 3,5mm. |
| 2VT05 | Samostatné lanko s PTFE izolací, 2-vodič, průřez jádra 0,07mm⊃;, vnější průměr s izolací 1,4mm. |
| 3VT06 | Samostatné lanko s PTFE izolací, 3-vodič, průřez jádra 0,07mm⊃;, vnější průměr s izolací 1,5mm. |
| 4VT07 | Samostatné lanko s PTFE izolací, 4-vodič, průřez jádra 0,07mm⊃;, vnější průměr s izolací 1,8mm. |
| 2VSV01 | Drát s izolací ze skelných vláken, pro speciální provedení, 2-vodič, průměr jádra 0,8mm, vnější průměr s izolací 2,3mm. |
| 2VSV02 | Drát s izolací ze skelných vláken, pro speciální provedení, s kovovým opletením, 2-vodič, průměr jádra 0,4mm, vnější průměr s izolací 3,1mm. |
| 3VSV03 | Drát s izolací ze skelných vláken, pro speciální provedení, 3-vodič, průměr jádra 0,4mm, vnější průměr s izolací 2,2mm. |
| 4VSV04 | Drát s izolací ze skelných vláken, pro speciální provedení, 4-vodič, průměr jádra 0,4mm, vnější průměr s izolací 2,2mm. |
| 2 VS01 | Lanko se stíněním pod společnou silikonovou izolací, 2-vodič, průřez jádra 2 x 0,12mm⊃;, vnější průměr s izolací 3,7mm. |
| 2 VS02 | Lanko se stíněním pod společnou silikonovou izolací, 2-vodič, průřez jádra 2 x 0,56mm⊃;, vnější průměr s izolací 4,4mm. |
| 3 VS03 | Lanko se stíněním pod společnou silikonovou izolací, 3-vodič, průřez jádra 3 x 0,22mm⊃;, vnější průměr s izolací 3,9mm. |
| 4 VS04 | Lanko se stíněním pod společnou silikonovou izolací, 4-vodič, průřez jádra 4 x 0,12mm⊃;, vnější průměr s izolací 4,0mm. |
| Tab.3: Doplňující informace | ||
| – měřící rozsah | -50 ÷ +350°C (dle použitých vodičů) | |
| – materiál pouzdra | C6M | mosaz ,povrchově upravena niklováním |
| C6N | nerezová ocel tř. 17248 | |
| Tab.4: Délka pouzdra | ||
| Kód | Délka pouzdra Lp (mm) | |
| 25 | Délka pouzdra 25 mm | |
| 30 | Délka pouzdra 30 mm | |
| Tab.5: Typy možných použitých přívodních vodičů | |
| Kód | Typ přívodních vodičů |
| 2VT01 | Pro pouzdra mosazné i nerezové (max. teplota 180 °C) |
| 3VT02 | Pro pouzdra mosazné i nerezové (max. teplota 180 °C) |
| 4VT03 | Pro pouzdra mosazné i nerezové (max. teplota 180 °C) |
| 2VT05 | Pro pouzdra mosazné i nerezové (max. teplota 150 °C) |
| 3VT06 | Pro pouzdra mosazné i nerezové (max. teplota 150 °C) |
| 4VT07 | Pro pouzdra mosazné i nerezové (max. teplota 150 °C) |
| 2VS01 | Pro pouzdra mosazné i nerezové (max. teplota 150 °C) |
| 3VS03 | Pro pouzdra mosazné i nerezové (max. teplota 150 °C) |
| 4VS04 | Pro pouzdra mosazné i nerezové (max. teplota 150 °C) |
| 2VSV02 | Pro pouzdro nerezové s délkou 30mm (max. teplota 350 °C, není vhodné pro provoz ve vlhkém prostředí) |
Obr.1: Toleranční pásmo Pt senzorů dle DIN IEC 751Obr.1: Toleranční pásmo Pt senzorů dle DIN IEC 751


Kontakty
TRESTON spol. s r.o.
Částkov 40
687 12 Bílovice
+420 572 580 022 (obchodní oddělení)