Snímače v procesním provedení
- HMP 331
Procesní snímač tlaku, piezoresistivní nerezový sensor, HART-protokol, jmenovitý tlak od 0…170 mbar do 0…600 bar přesnost podle IEC 60770: 0,1 % FSO.
Více informací o produktu:
Snímač tlaku HMP 331 v sobě spojuje léta úspěšně používanou technologii sensorů s nejmodernější mikroprocesorovou elektronikou. Základním prvkem snímačů HMP 331 jsou čidla tlaku DSP 401/404. Signál z čidla je převeden na číslo 16-ti bitovým A/D převodníkem. Mikroprocesorová elektronika upraví teplotní závislosti čidla a chyby linearity s vysokou přesností. Korigovaný signál je převeden 16-ti bitovým DA převodníkem na standardní analogový výstupní signál 4 … 20 mA.
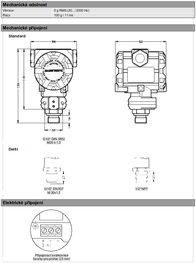
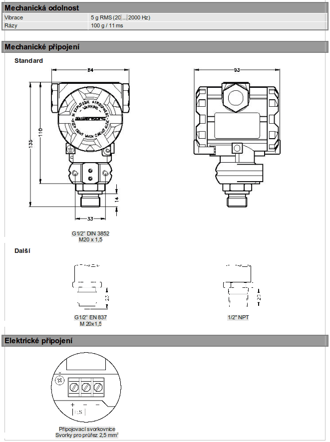
Kromě korekcí zajišťuje procesor digitální komunikaci prostřednictvím protokolu HART? Tlakový sensor a elektronikla jsou vestavěny do rázům a vibracím odolného robustního polního pouzdra – hliníkového odlitku s přípojkou tlaku z nerezi. Elektrické připojení se provádí přes svorkovnici uvnitř pouzdra. Svojí robustní mechanickou stavbou se HMP 331 hodí zvláště pro použití v náročných podmínkách. Jako měřená média jsou vhodné všechny látky slučitelné s nerezovou ocelí 1.4571 / 1.4435.
Hlavní oblasti použití jsou:
- technologické procesy
- technika životního prostředí
- bilanční měření
- polní pouzdro – hliníkový odlitek
- nízká teplotní chyba
- dlouhodobá stabilita
- provedení Ex (pouze pro 4 … 20 mA / 2-vodič)
- IBExU05 ATEX 1106 X
- zákaznická provedení:
- zvláštní rozsahy
- jiná provedení po dohodě
Dekontaminované přístroje s ukončenou životností je možno zaslat výrobci k bezplatné likvidaci.

Kontakty
TRESTON spol. s r.o.
Částkov 40
687 12 Bílovice
+420 572 580 022 (obchodní oddělení)