Teplotní spínače
- SP – 02
Teplotní spínač SPS-02 (SPR-02) je určen pro signalizaci překročení teplot v průmyslových aplikacích.
Více informací o produktu:
- Popis produktu
- Použití
- Materiál a povrchová úprava
- Pracovní podmínky
- Technické parametry teplotního spínače
- Způsob objednávání
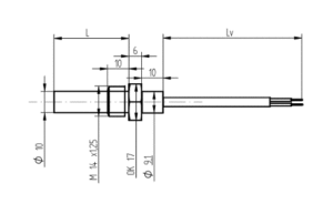
- Obr.1: Rozměrový výkres spínače
Teplotní spínač
Teplotní spinač SPS-02 (SPR-02) se skládá z nerezového pouzdra ve kterém je nainstalován bimetalový spínač. Kontakty spínače jsou v provedení spínací nebo rozpínací, dle požadavku zákazníka. Teplota spínání je pevně nastavena.
Teplotní spínač SPS-02 (SPR-02) je určen pro signalizaci překročení teplot v průmyslových aplikacích.
Pouzdro je vyrobeno z nerezového materiálu.
| Pracovní podmínky: | |
| Relativní vlhkost | do 90% |
| Atmosférický tlak | 84 až 107 kPa |
| Technické parametry teplotního spínače: | |
| – Teplotní senzor | Bimetal |
| – Provedení kontaktu | spínací nebo rozpínací |
| – Spínané napětí | 60V / 1A DC |
| – Teplotní rozsah ( spínání / rozpínání ) | +45 až + 145°C |
| – Pracovní rozsah | -25 až +180°C |
| – Tolerance sepnutí | -5% až +5% |
| – Izolační odpor v normálním prostředí | min. 20 MΩ |
| – Elektrická pevnost izolace | 500 V / AC / 1 min. |
| – Zapojení kontaktu | dvouvodičové |
| – Průřez připojovacích vodiču | 2 x 0,34 mm⊃; |
| Způsob objednávání: | |
| V objednávce se uvádí: | – název |
| – počet kusů | |
| – objednací číslo dle tabulky (viz 2. strana kat. listu) | |
| Příklad objednávky: | Teplotní spínač MODEL SP – 02 6ks |
| obj. č.: SP – 02 S | 100 | 35 | 3000 | |

Kontakty
TRESTON spol. s r.o.
Částkov 40
687 12 Bílovice
IČ: 26221217
+420 572 580 021 (sekretariát)
+420 572 580 022 (obchodní oddělení)
+420 572 580 022 (obchodní oddělení)
+420 739 442 121 (obchodní oddělení)
+420 572 580 024 (fax)